GM Service Manual Online
For 1990-2009 cars only
Makes
🢒
Saturn
🢒
2008
🢒
VUE - FWD
🢒
Diagnostic Navigation
🢒
Vehicle Diagnostic Information
🢒 Data Communication Schematics
Figure
1:
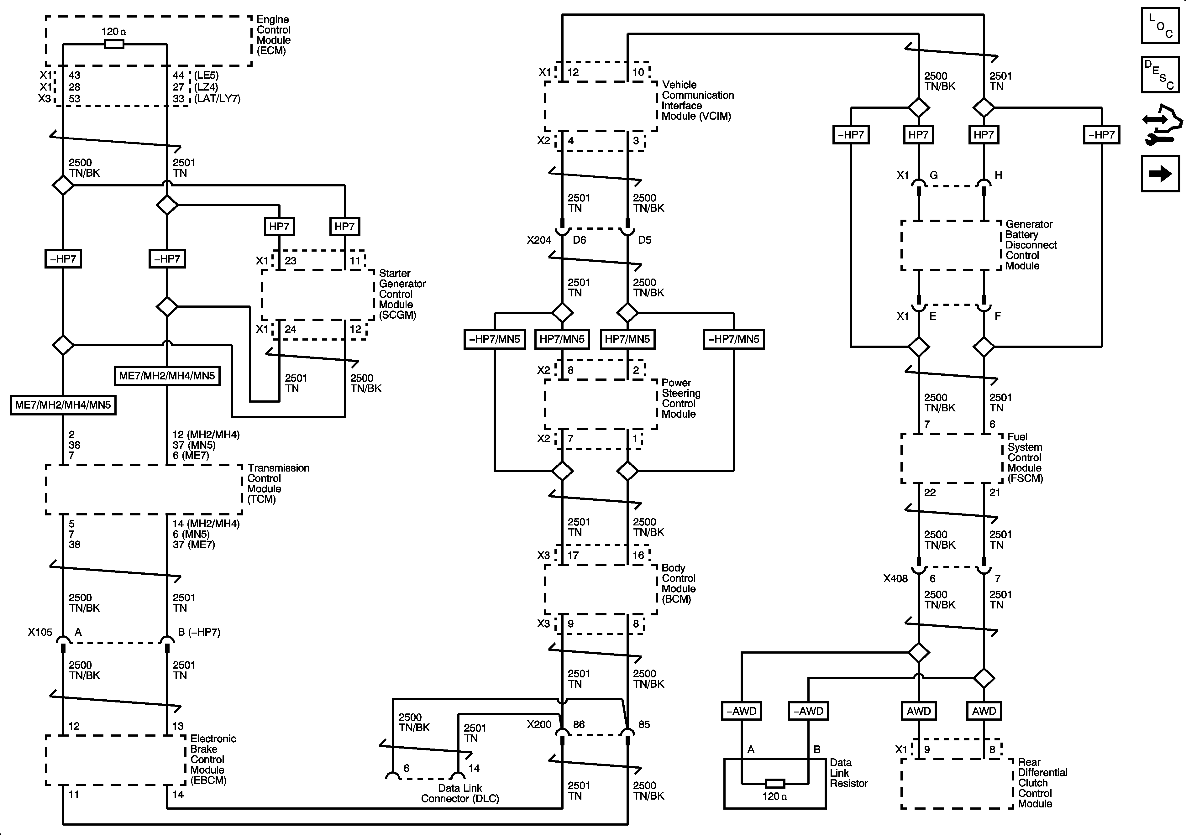
High Speed GMLAN
Master Electrical Component List
Data Link Communications Description and Operation
Control Module References
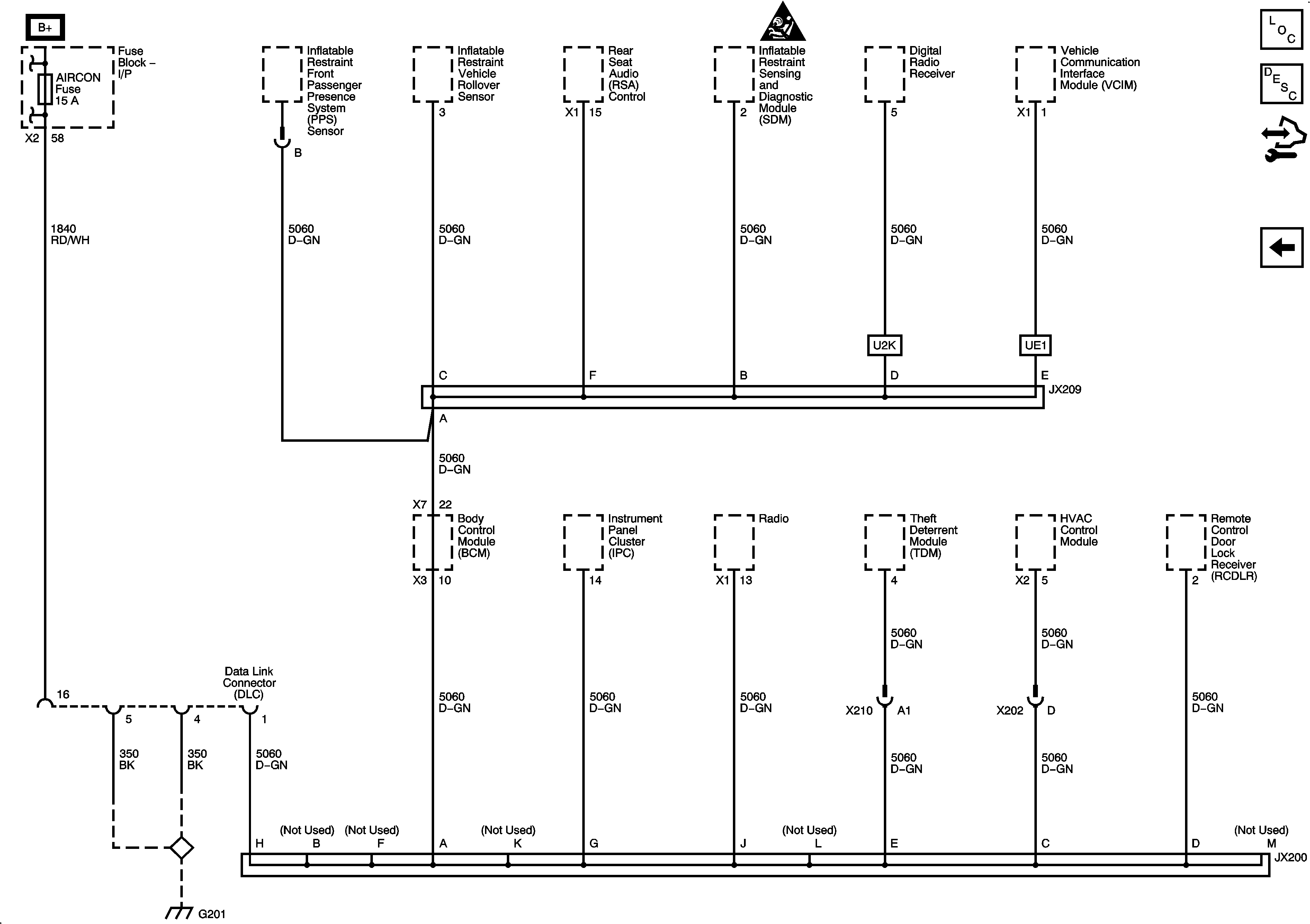
Low Speed GMLAN
Figure
2:
Low Speed GMLAN
Master Electrical Component List
Data Link Communications Description and Operation
Control Module References
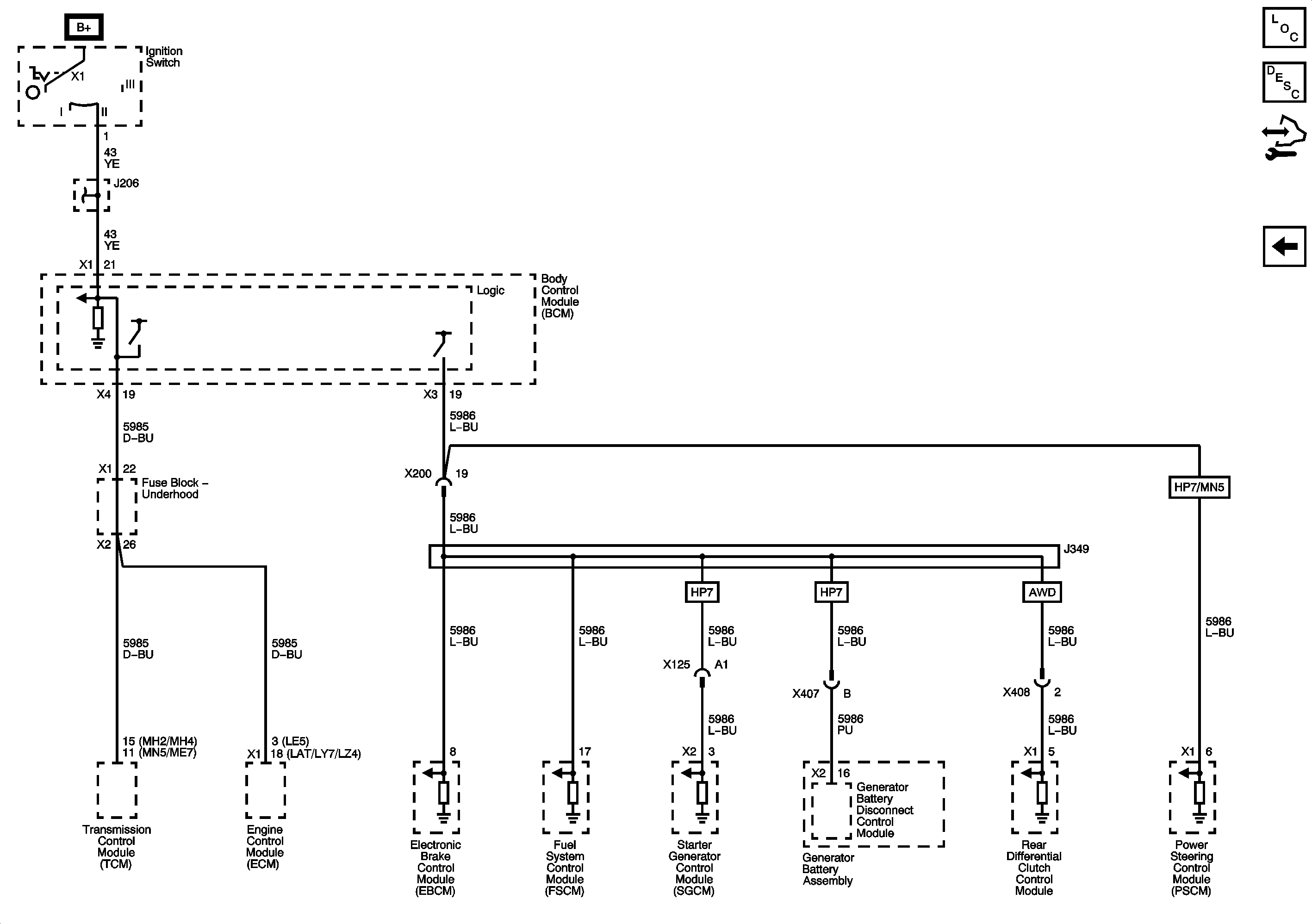
Serial Data Communication Enable and Accessory Wake Up
High Speed GMLAN
Figure
3:
Serial Data Communication Enable and Accessory Wake Up
Master Electrical Component List
Data Link Communications Description and Operation
Control Module References
Low Speed GMLAN