GM Service Manual Online
For 1990-2009 cars only

Removal Procedure


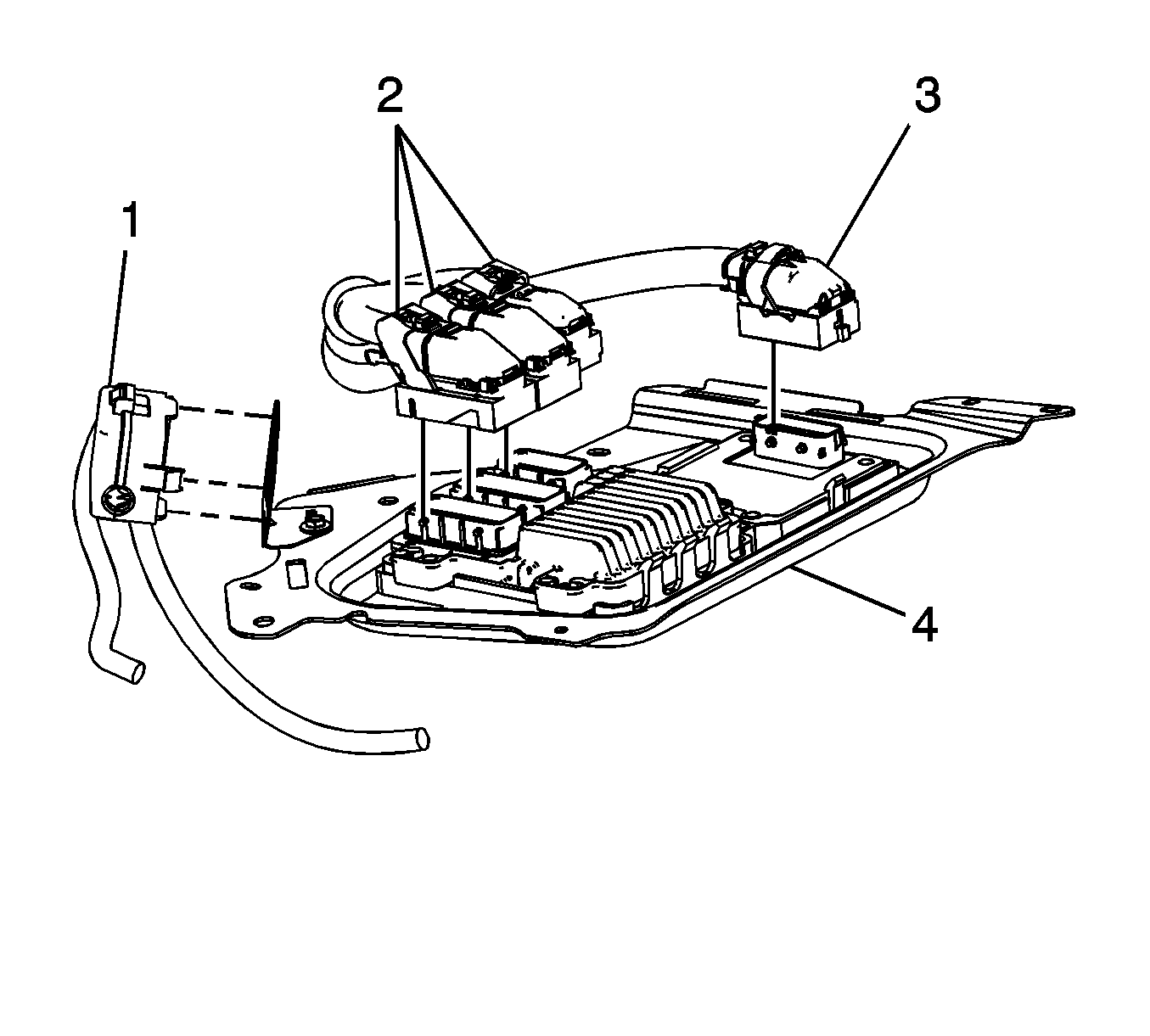
    Object Number: 1998156  Size: SH
  1. Disconnect the hybrid battery. Refer to Hybrid Battery Service Disconnect/Connect.
  2. Unclip the battery positive cable jumper block (1) from the engine control module (ECM) bracket (4).
  3. Disconnect the ECM electrical connectors (2) and the transmission control module (TCM) electrical connector (3).

  4. Object Number: 1998167  Size: SH
  5. Remove the ECM bracket bolts (1), nuts (2) and ECM bracket (3).

  6. Object Number: 1998181  Size: SH
  7. Remove the generator control module cover bolts (1) and cover (2).

  8. Object Number: 1998192  Size: SH

    Caution: To help avoid personal injury, additional precautions must be taken prior to working on the generator control module or the generator starter. After removing the 36V battery cables from the generator battery, remove both engine wiring harness connectors from the generator control module. Wait at least 5 minutes and then remove the generator control module cover. Verify voltage levels at all 36V, 12V, and 3-phase connections, are less than 3 volts using a DMM before proceeding.

  9. Check the generator control module for voltage potential, in order to ensure that the module has been disabled.
  10. 6.1. Measure from the 36-volt positive terminal (3) to a known good chassis ground. The voltage should be less than 3 volts.
    6.2. Measure from the 12-volt positive terminal (4) to a known good chassis ground. The voltage should be less than 3 volts.
    6.3. Measure from the ground terminal (2) to a known good chassis ground, checking for continuity.

    Caution: To help avoid personal injury, always treat the 3-phase cable and connectors as if voltage is present and as if the surface of all parts of the cable is hot.

  11. Verify that the generator control module 3-phase cables are disabled.
  12. 7.1. Measure from each phase 1, 2 and 3 connection (1) to a known good chassis ground. The voltage should be less than 3 volts.
    7.2. After verifying that there is no voltage present, the generator control module 3-phase cables can now be removed from the generator control module.
    7.3. If 3 volts or more are present, repeat the disconnect procedure. Refer to Hybrid Battery Service Disconnect/Connect.

    Object Number: 1998566  Size: SH
  13. Remove the 175 mega amp fuse nuts (1) and bolt (2).
  14. Reposition the battery positive cable (3) and remove the 175 mega amp fuse (4).

Installation Procedure


    Object Number: 1998566  Size: SH
  1. Install the 175 mega amp fuse (3) and the battery positive cable (3).
  2. Notice: Refer to Fastener Notice in the Preface section.

  3. Install the battery positive cable bolt (2) and nut (1).
  4. Tighten
    Tighten the nut and bolt to 10 N·m (89 lb in).


    Object Number: 1998181  Size: SH
  5. Install the generator control module cover bolts (1) and cover (2).
  6. Tighten
    Tighten the bolt to 10 N·m (89 lb in).


    Object Number: 1998167  Size: SH
  7. Install the ECM bracket (3), bolts (1) and nuts (2).
  8. Tighten
    Tighten the bolt to 10 N·m (89 lb in).


    Object Number: 1998156  Size: SH
  9. Connect the ECM electrical connectors (2) and the TCM electrical connectors (3).
  10. Clip in the battery positive cable jumper block (1) to the ECM bracket (4).
  11. Connect the hybrid battery. Refer to Hybrid Battery Service Disconnect/Connect.