GM Service Manual Online
For 1990-2009 cars only
Figure 1:

TCM Power and Ground (4T45E)


Object Number: 1883306  Size: FS
Master Electrical Component List
Electronic Component Description
Control Module References
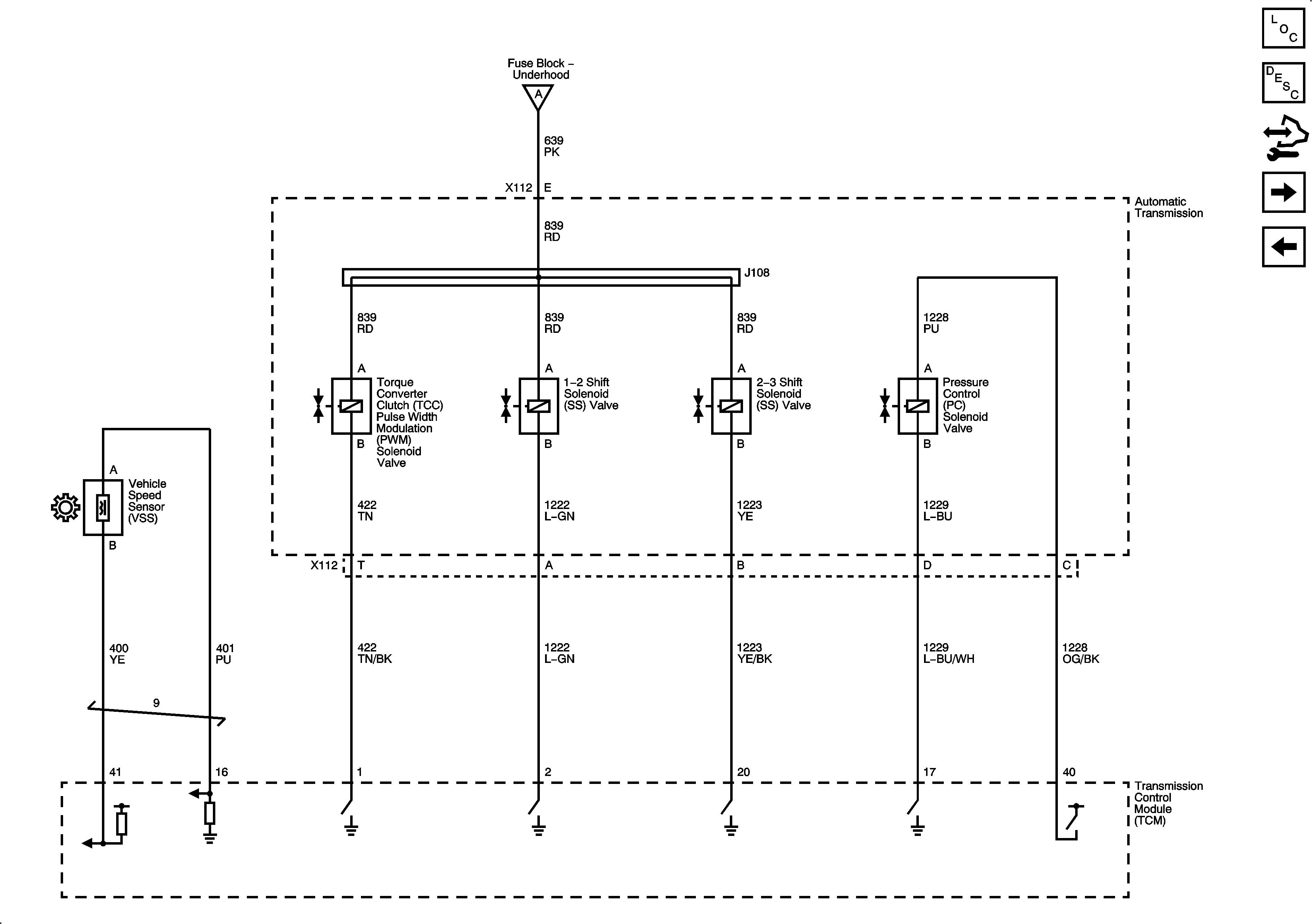
Transmission Solenoids and VSS
Figure 2:

Transmission Solenoids and VSS (4T45E)


Object Number: 1883307  Size: FS
Master Electrical Component List
Electronic Component Description
Control Module References
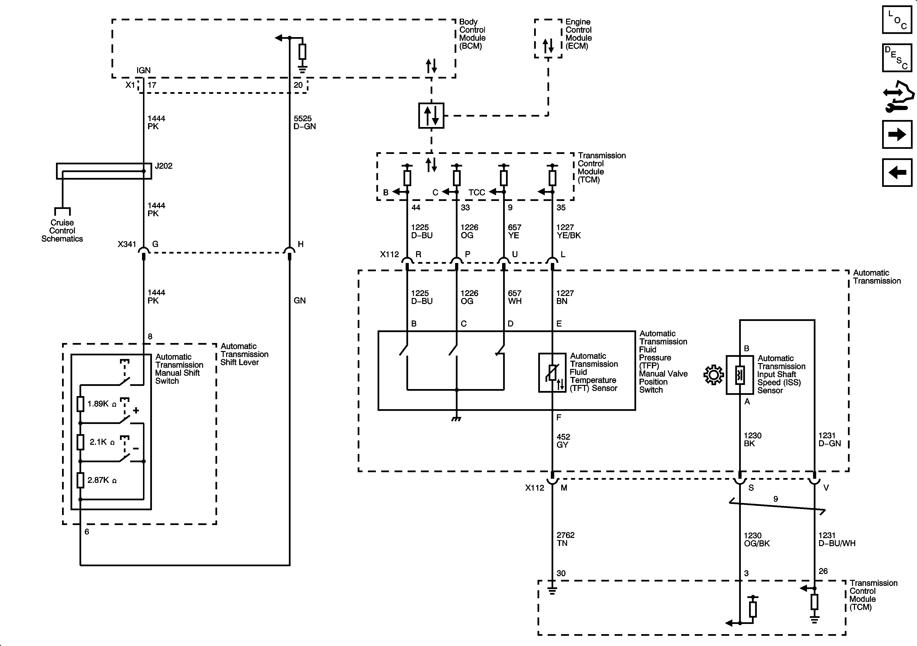
Pressure Switches, TFT and A/T ISS Sensors
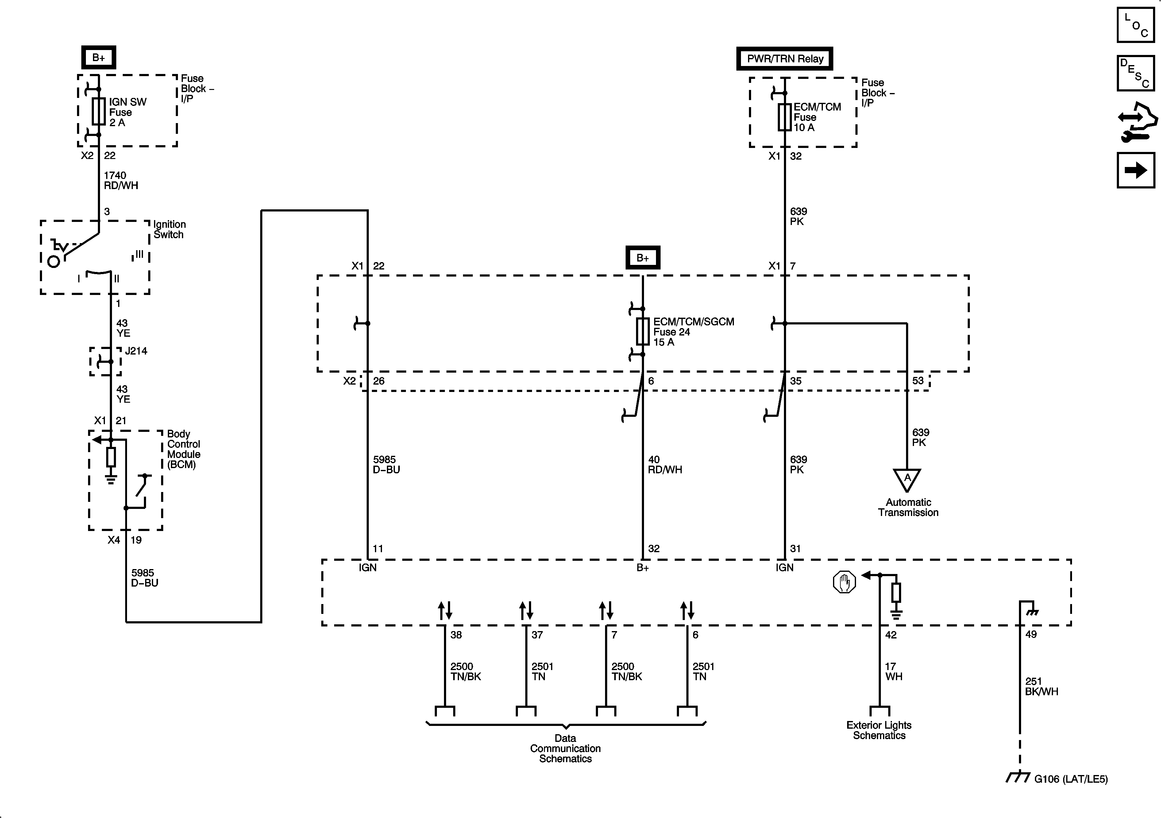
TCM Power and Ground
Figure 3:

Pressure Switches, TFT and AT ISS Sensors (4T45E)


Object Number: 1883308  Size: FS
Master Electrical Component List
Electronic Component Description
Control Module References
PNP Switch
Transmission Solenoids and VSS
Figure 4:

PNP Switch (4T45E)


Object Number: 1883309  Size: FS
Master Electrical Component List
Electronic Component Description
Control Module References
Pressure Switches, TFT and A/T ISS Sensors