GM Service Manual Online
For 1990-2009 cars only
Makes
🢒
Saturn
🢒
2008
🢒
VUE - FWD
🢒
Diagnostic Navigation
🢒
Vehicle Diagnostic Information
🢒 Release Systems Schematics
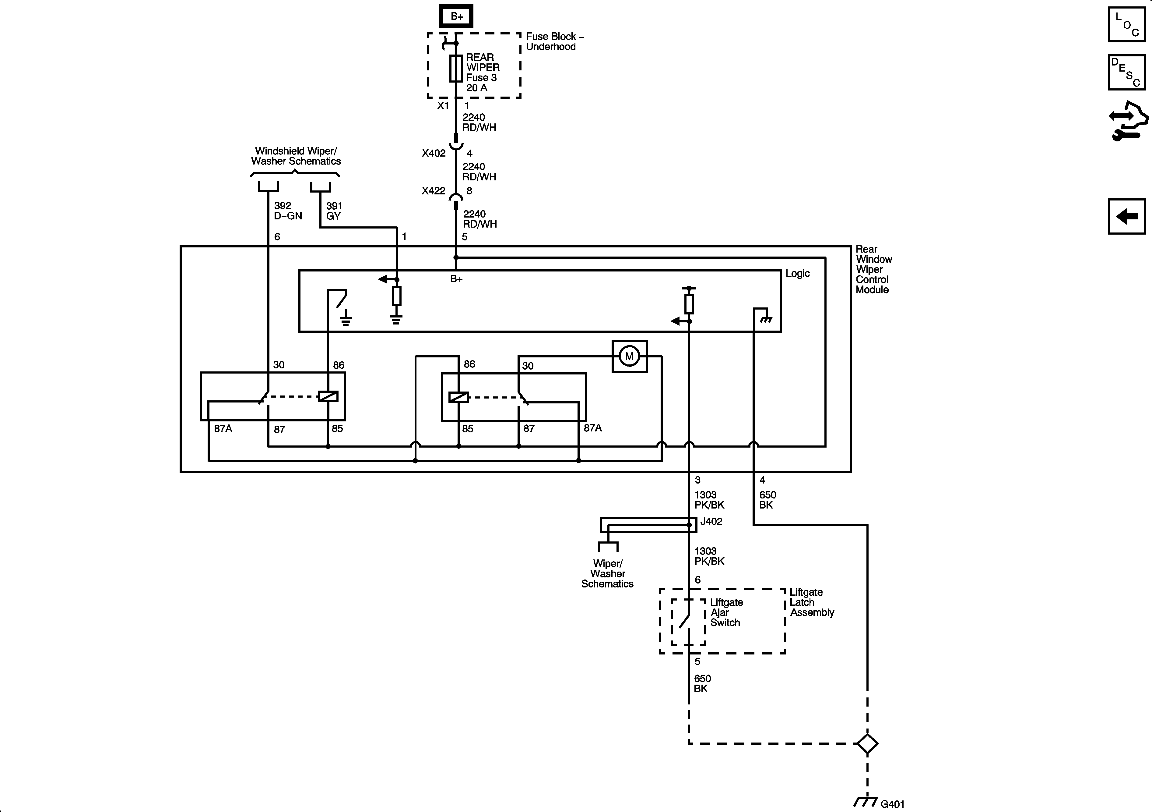
Figure
1:
Liftgate Latch Actuator
Master Electrical Component List
Rear Hatch/Gate Description and Operation
Control Module References
Liftgate Release System
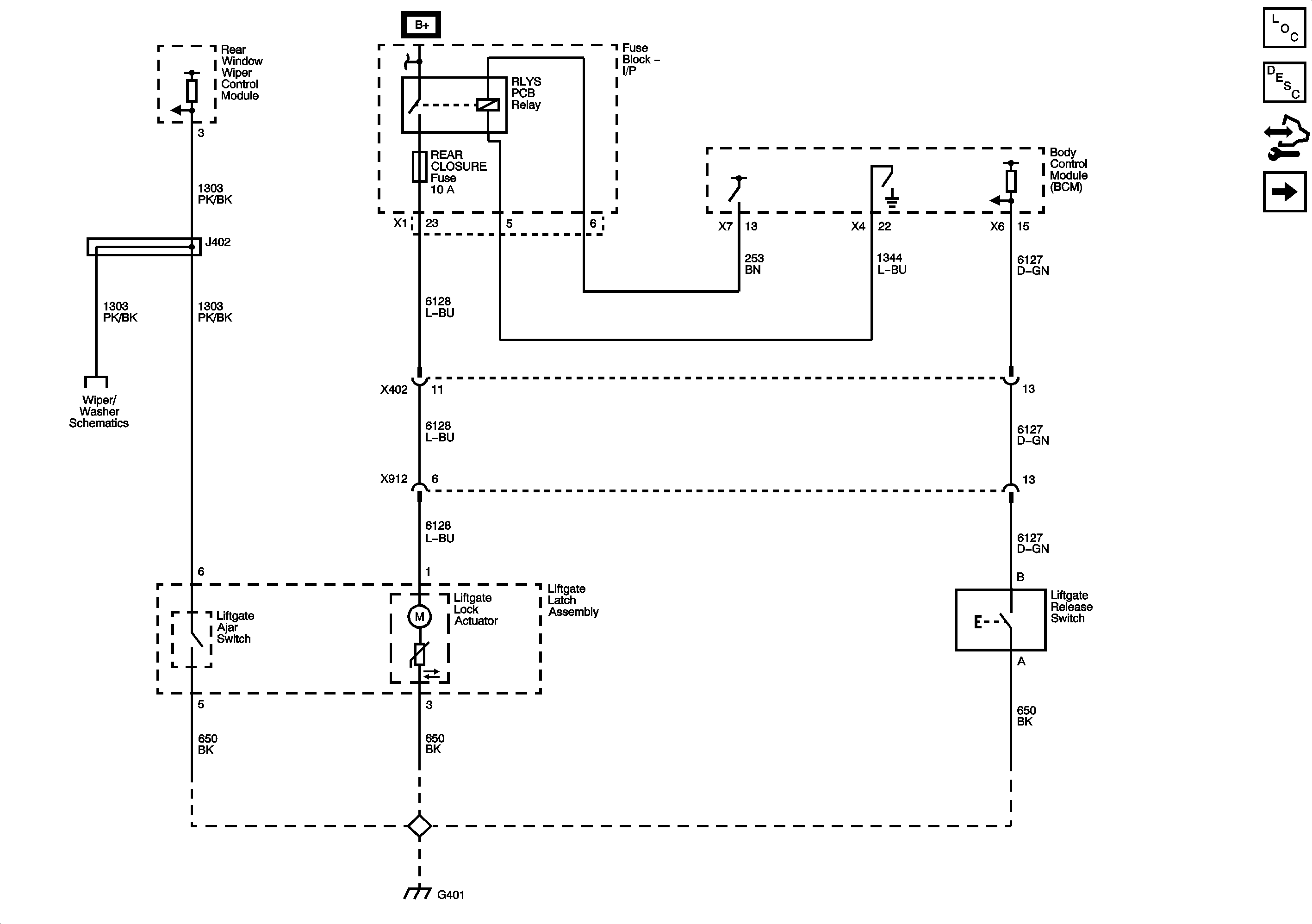
Figure
2:
Liftgate Release System
Master Electrical Component List
Rear Hatch/Gate Description and Operation
Control Module References
Liftgate Latch Actuator