GM Service Manual Online
For 1990-2009 cars only

Object Number: 1875465  Size: SF

Callout

Component Name

Preliminary Procedure

  1. Remove the front bumper fascia. Refer to Front Bumper Fascia Replacement.
  2. Remove the washer container filler neck. Refer to Windshield Washer Solvent Container Filler Tube Replacement
  3. Drain the windshield washer solvent into a suitable clean container.
  4. Disengage the washer pump hoses from the washer container.
  5. Remove the washer pump hoses from both washer pumps.
  6. Disconnect the level sensor electrical connector.
  7. Disconnect both front and rear washer pump electrical connectors.

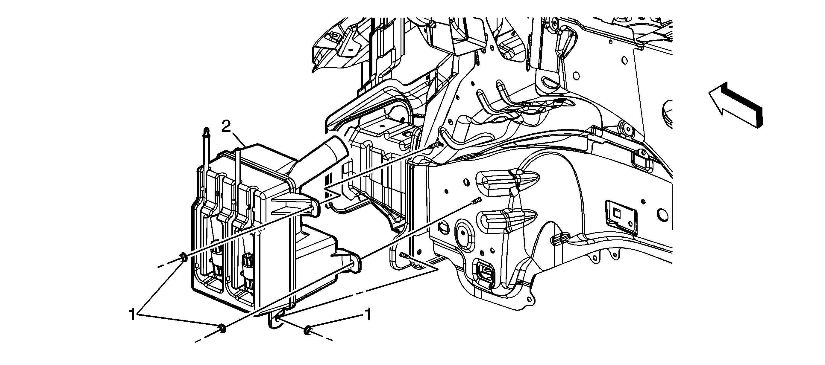
1

Windshield Washer Container Nut (Qty: 3)

Notice: Refer to Fastener Notice in the Preface section.

Tighten
10 N·m(89 lb in)

2

Windshield Washer Solvent Container

Procedure

  1. Remove the washer container from the supporting studs.
  2. Remove and transfer the windshield washer solvent container level sensor. Refer to Windshield Washer Solvent Level Switch Replacement.
  3. Remove the windshield washer pump. Refer to Windshield Washer Pump Replacement.
  4. Remove the rear window washer pump. Refer to Rear Window Washer Pump Replacement.