GM Service Manual Online
For 1990-2009 cars only
Makes
🢒
Saturn
🢒
2008
🢒
VUE - FWD
🢒
Body Systems
🢒
Wipers and Washers
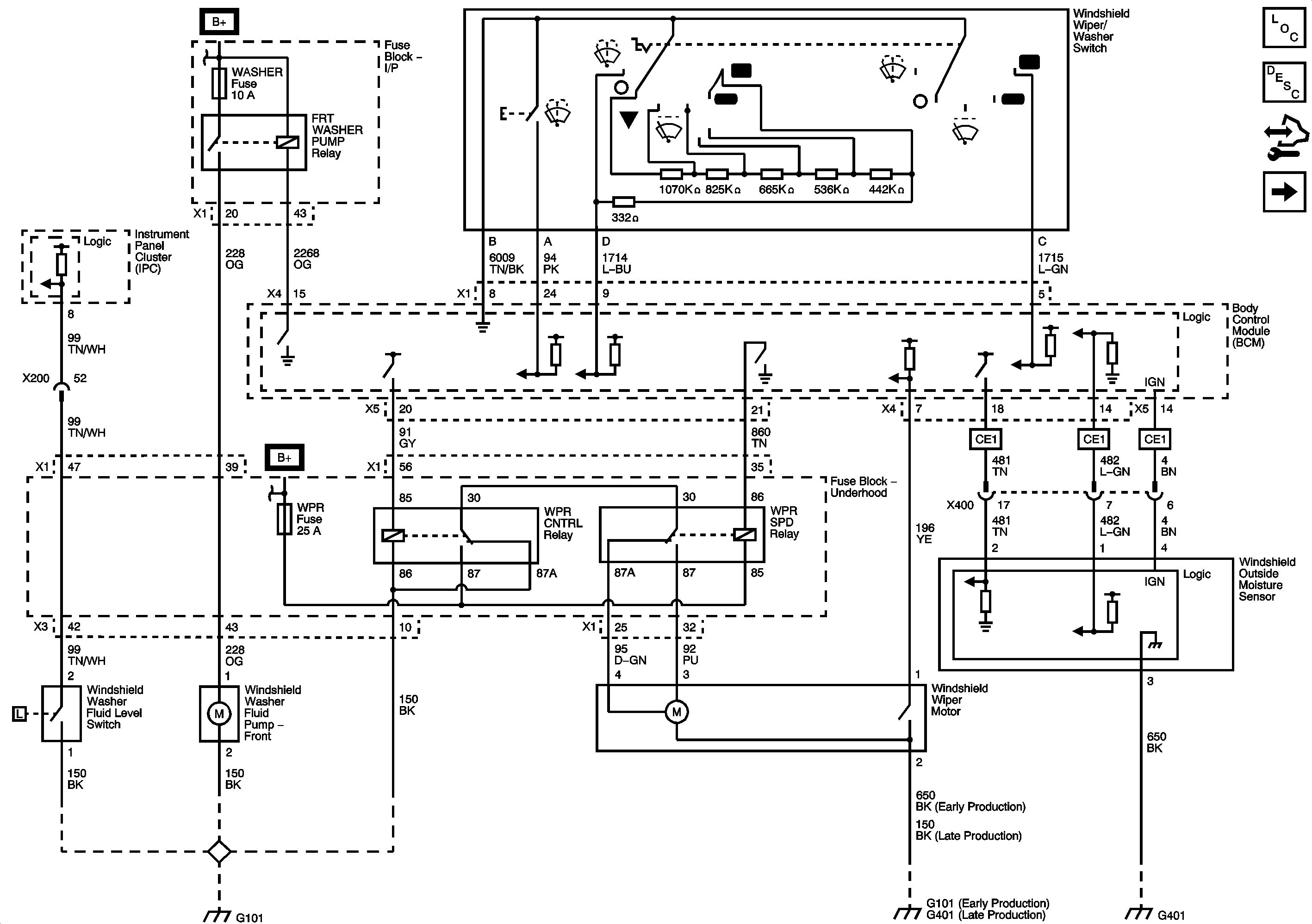
🢒 Wiper/Washer Schematics
Figure
1:
Front Wiper Washer
Master Electrical Component List
Wiper/Washer System Description and Operation
Control Module References
Heated Washer Nozzles
Figure
2:
Heated Washer Nozzle
Master Electrical Component List
Wiper/Washer System Description and Operation
Control Module References
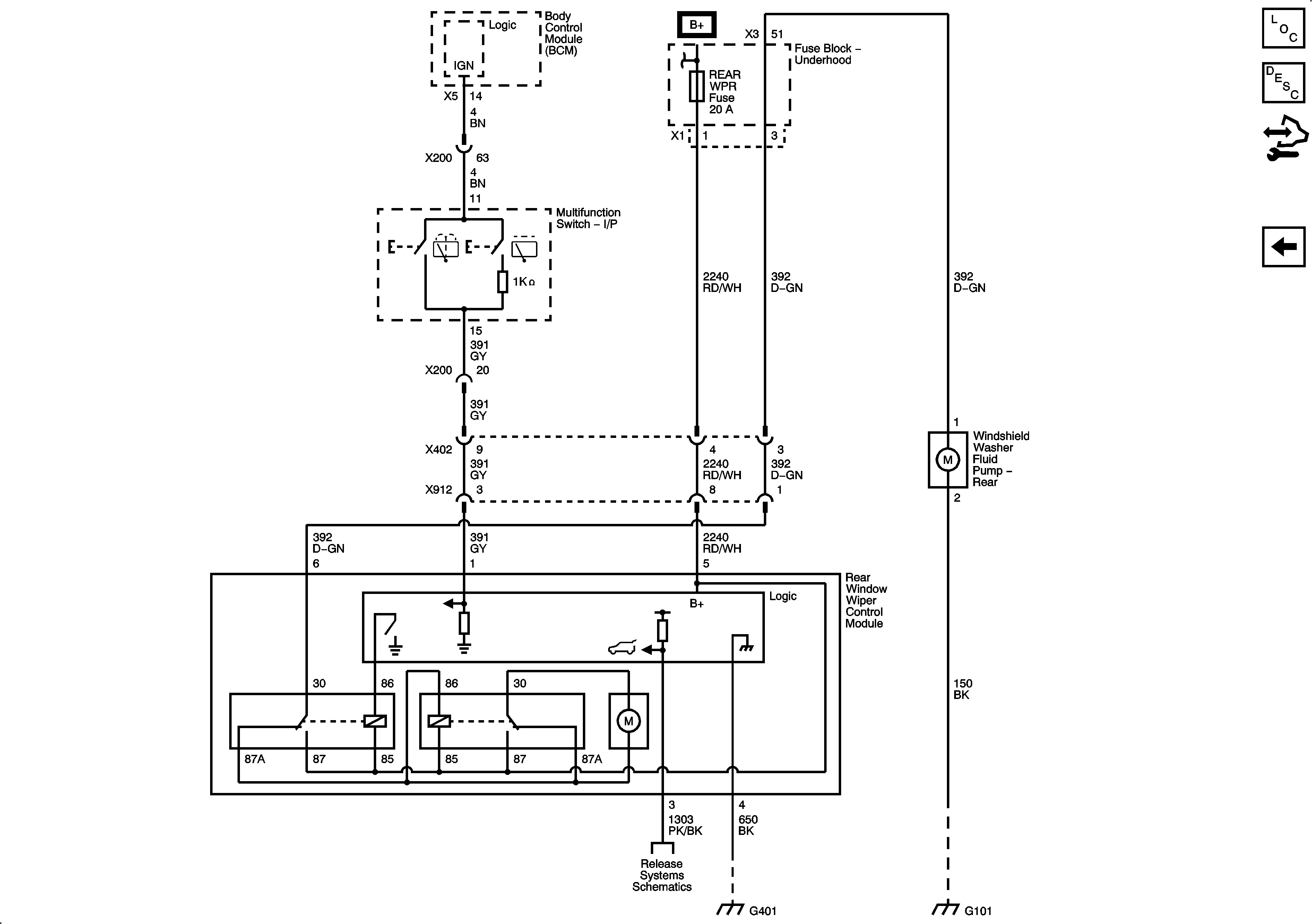
Rear Wiper/Washer Schematics
Front Wiper /Washer Schematics
Figure
3:
Rear Wiper Washer
Master Electrical Component List
Wiper/Washer System Description and Operation
Control Module References
Heated Washer Nozzles