GM Service Manual Online
For 1990-2009 cars only
Makes
🢒
Saturn
🢒
2008
🢒
VUE - FWD
🢒
Brakes
🢒
Antilock Brake System
🢒 Antilock Brake System Schematics
Figure
1:
ABS-Control Module, Instrument Panel Display and Serial Data
Master Electrical Component List
ABS Description and Operation
Control Module References
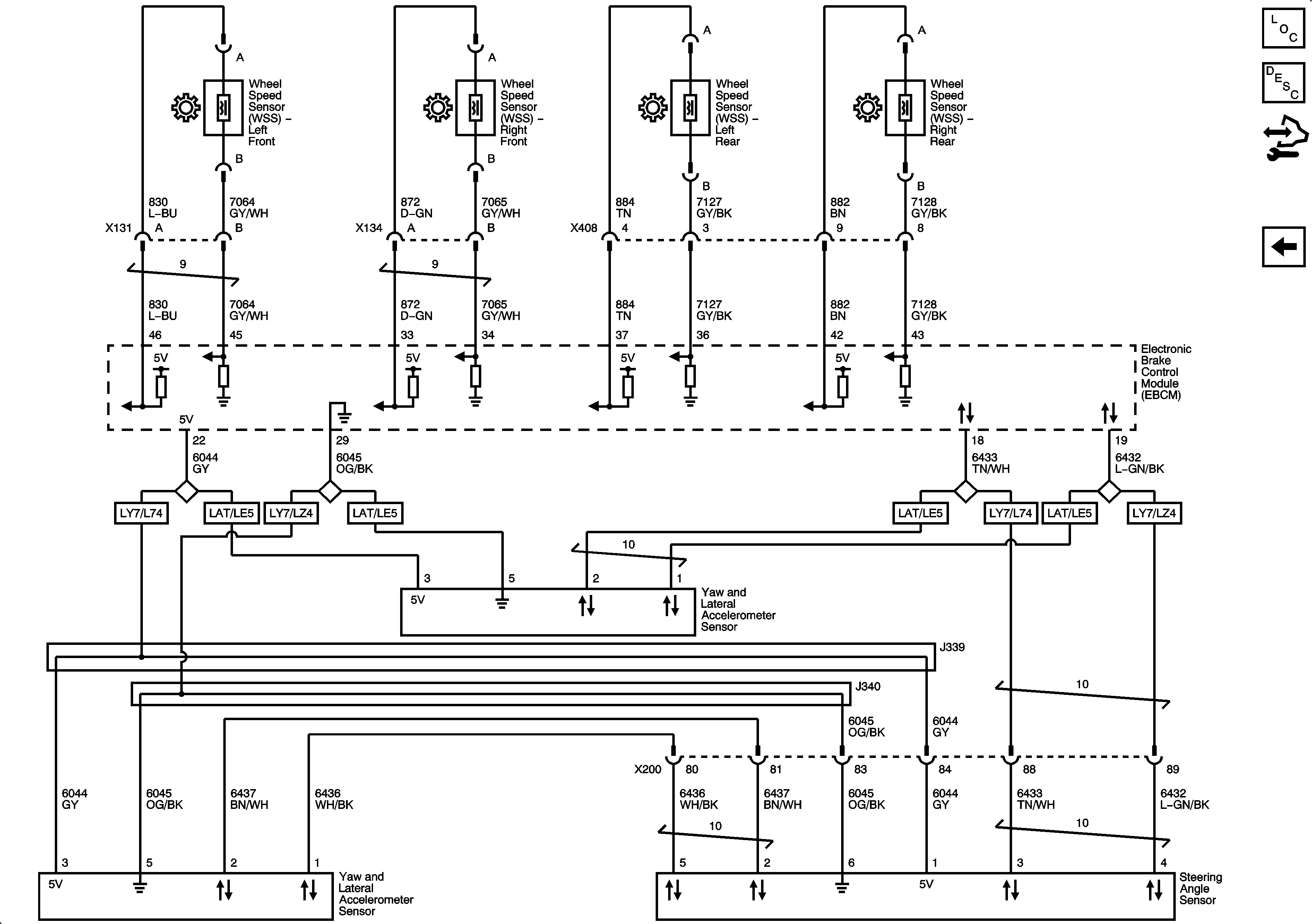
Wheel Speed and YAW/Lateral Speed Sensors
Figure
2:
ABS-Wheel Speed and YAW/Lateral Speed Sensors
Master Electrical Component List
ABS Description and Operation
Control Module References
Control Module, Instrument Panel and Serial Data