GM Service Manual Online
For 1990-2009 cars only
Makes
🢒
Saturn
🢒
2008
🢒
VUE - FWD
🢒
Roof
🢒
Sunroof
🢒 Sunroof Schematics
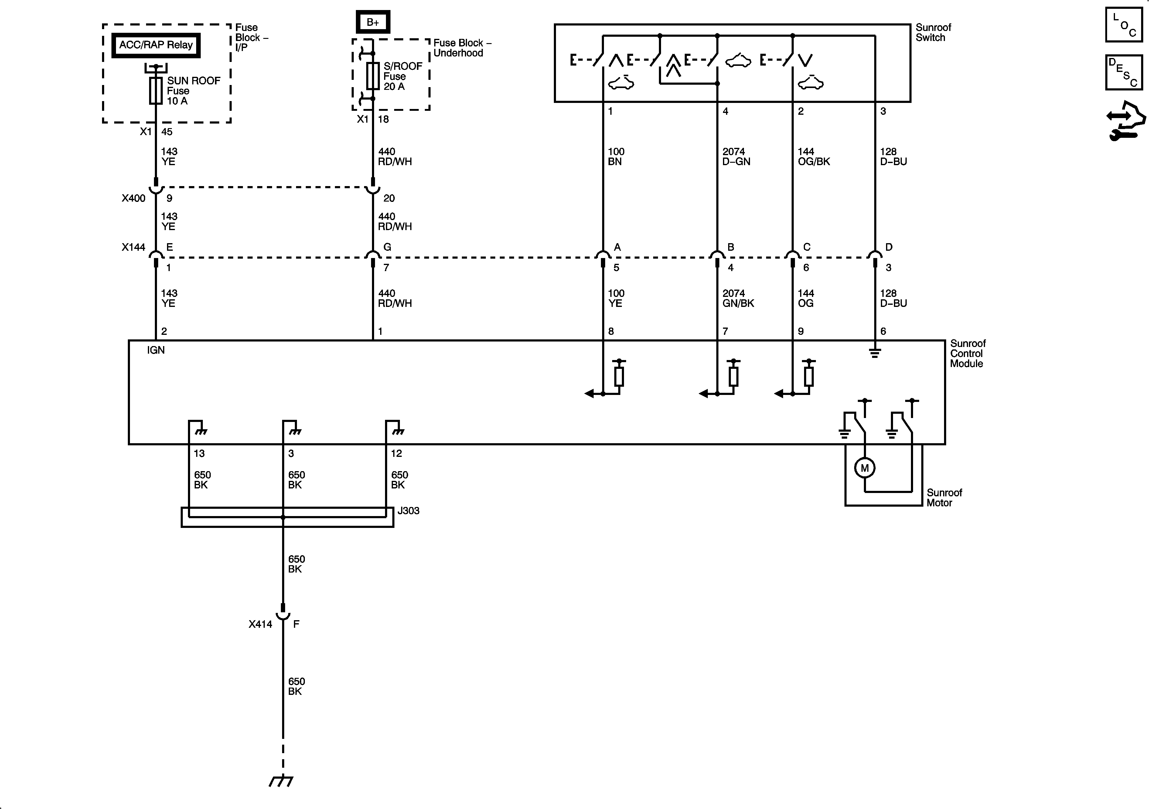
Sunroof Schematics
Master Electrical Component List
Sunroof Description and Operation
Control Module References