GM Service Manual Online
For 1990-2009 cars only
Makes
🢒
Saturn
🢒
2008
🢒
VUE - FWD
🢒
Seats
🢒
Seat Heating and Cooling
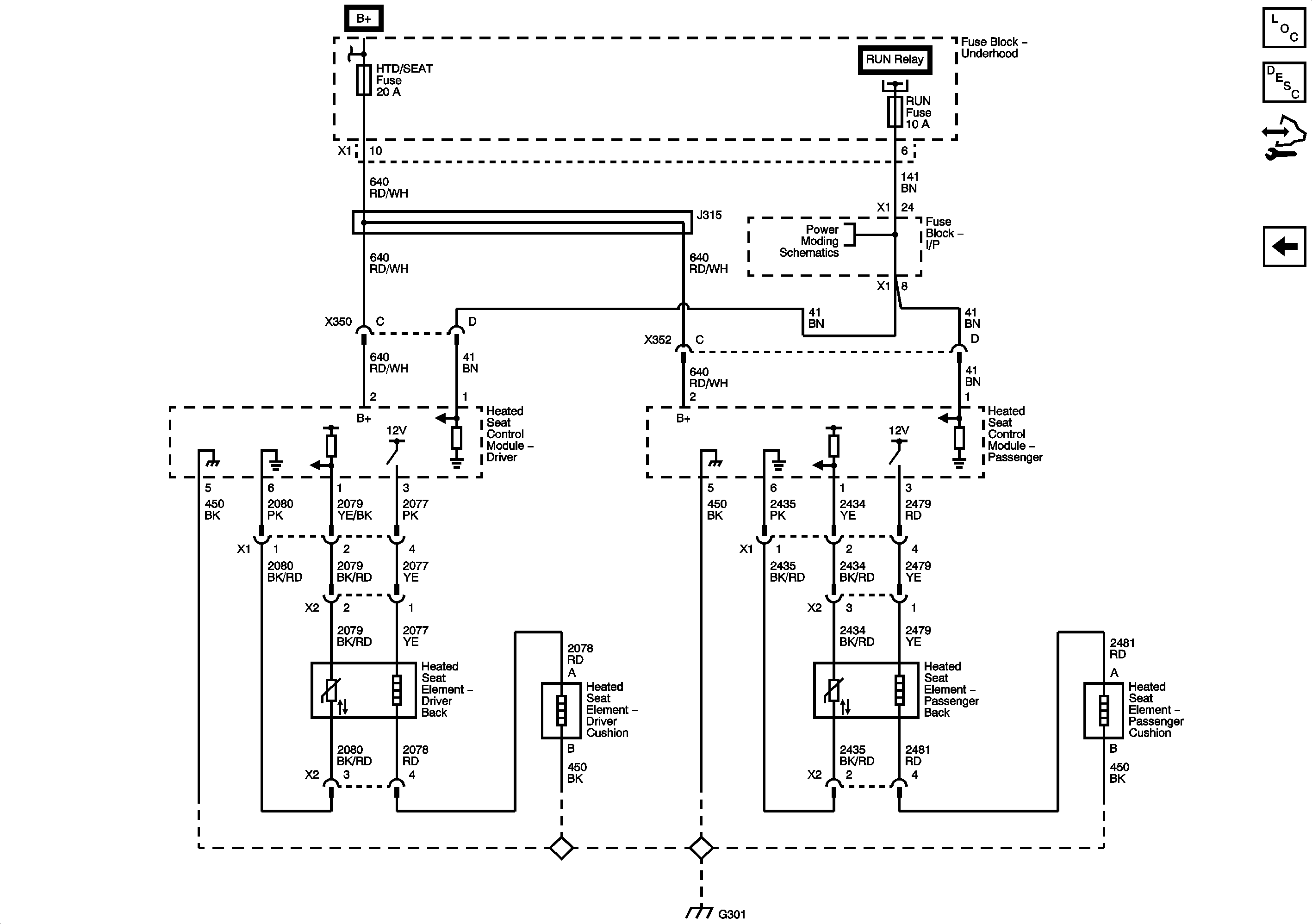
🢒 Heated/Cooled Seat Schematics
Figure
1:
Heated Seats
Master Electrical Component List
Heated Seats Description and Operation
Control Module References
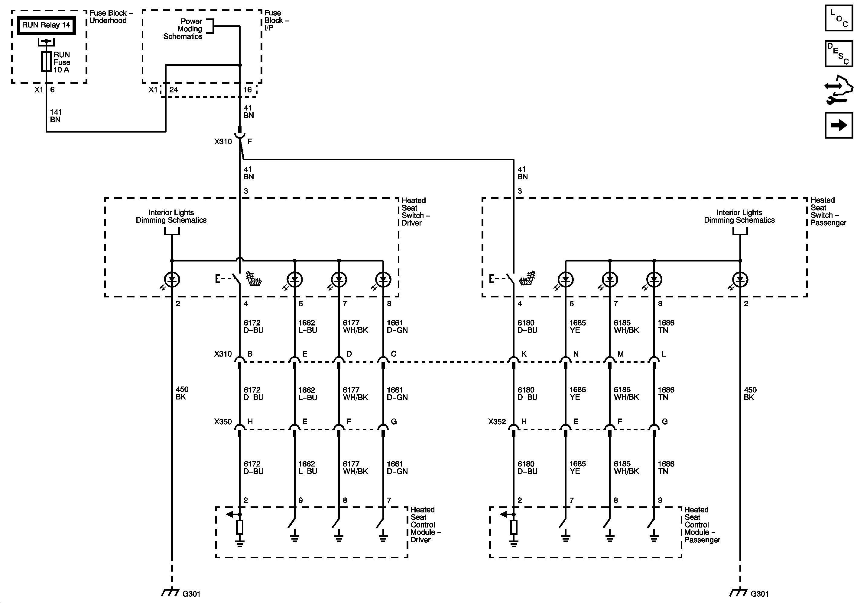
Heating Elements
Figure
2:
Heating Elements
Master Electrical Component List
Heated Seats Description and Operation
Control Module References
Heated Seat Controls