GM Service Manual Online
For 1990-2009 cars only
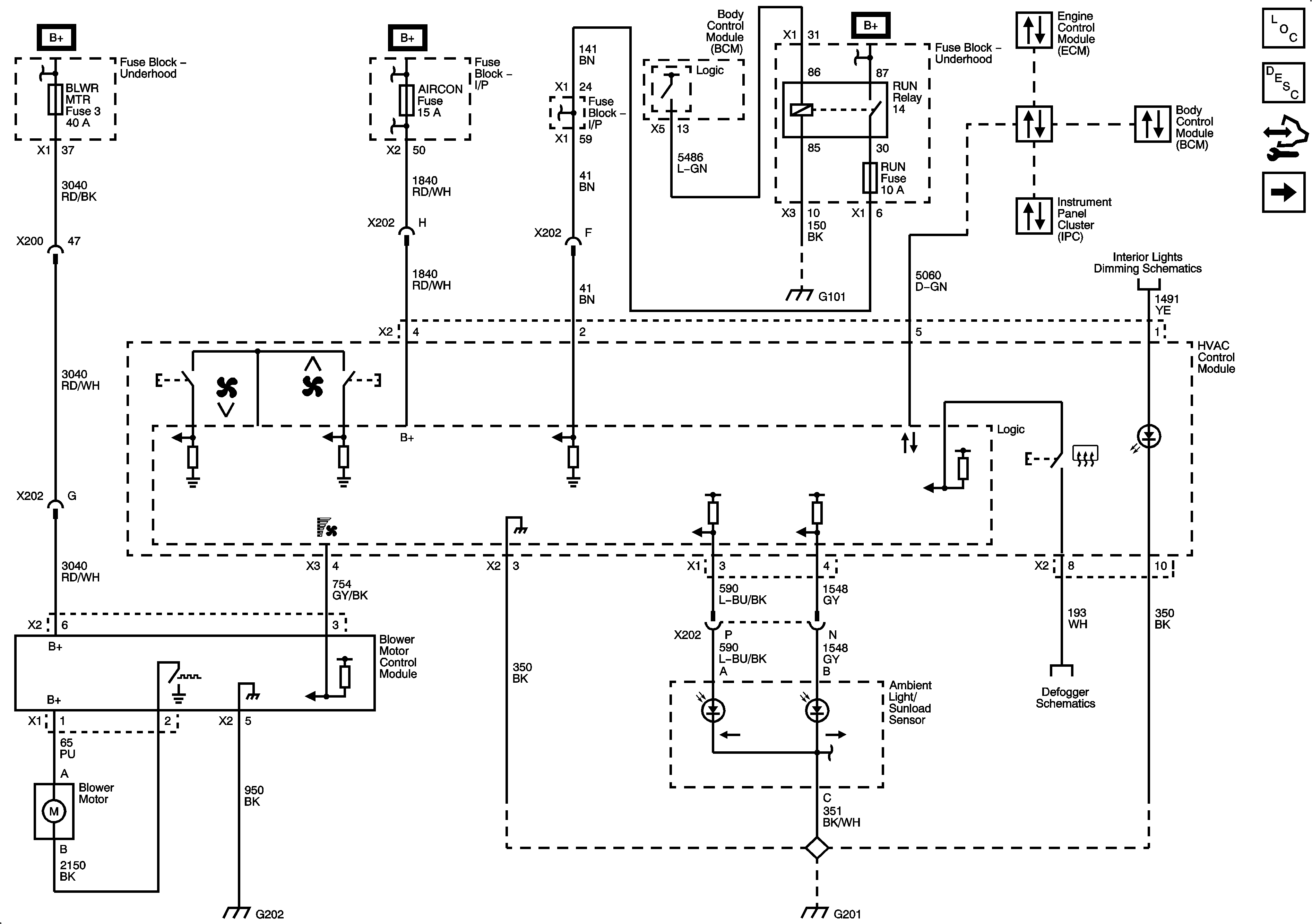
Figure 1:

Module Power, Grounds and Data Communications


Object Number: 1883324  Size: FS
Master Electrical Component List
Air Delivery Description and Operation
Control Module References
Mode Controls
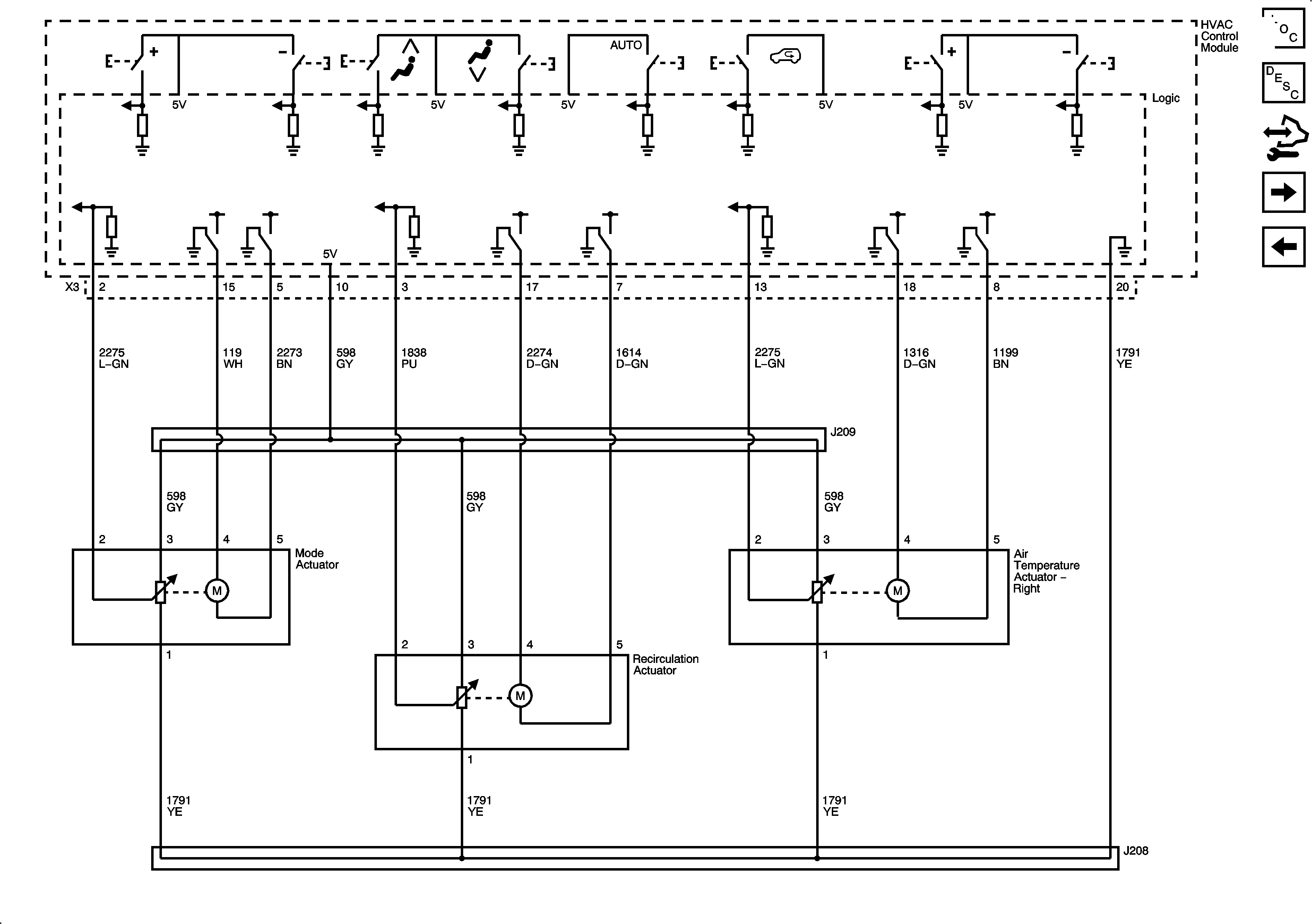
Figure 2:

Mode Controls


Object Number: 1883325  Size: FS
Master Electrical Component List
Air Delivery Description and Operation
Control Module References
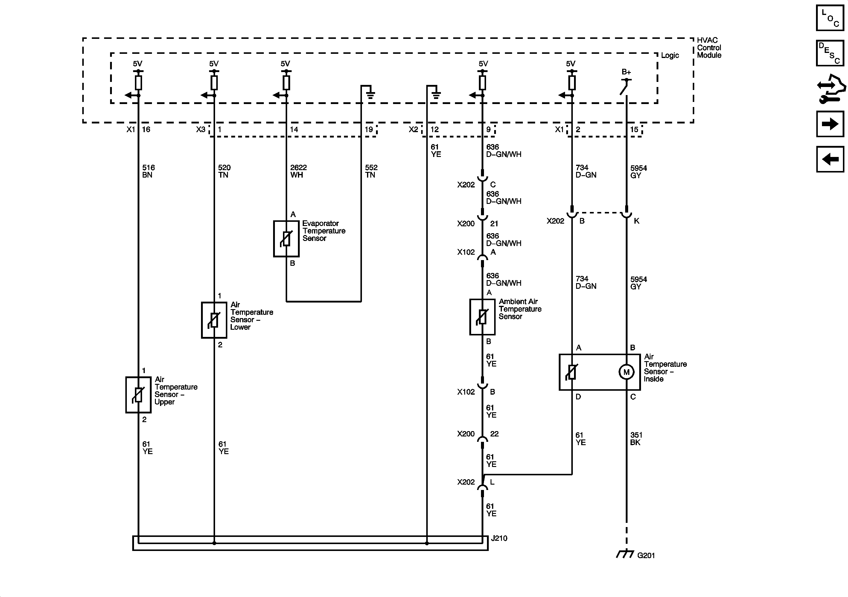
Data Sensors
Module Power , Grounds and Data Communications
Figure 3:

Data Sensors


Object Number: 1883326  Size: FS
Master Electrical Component List
Air Temperature Description and Operation
Control Module References
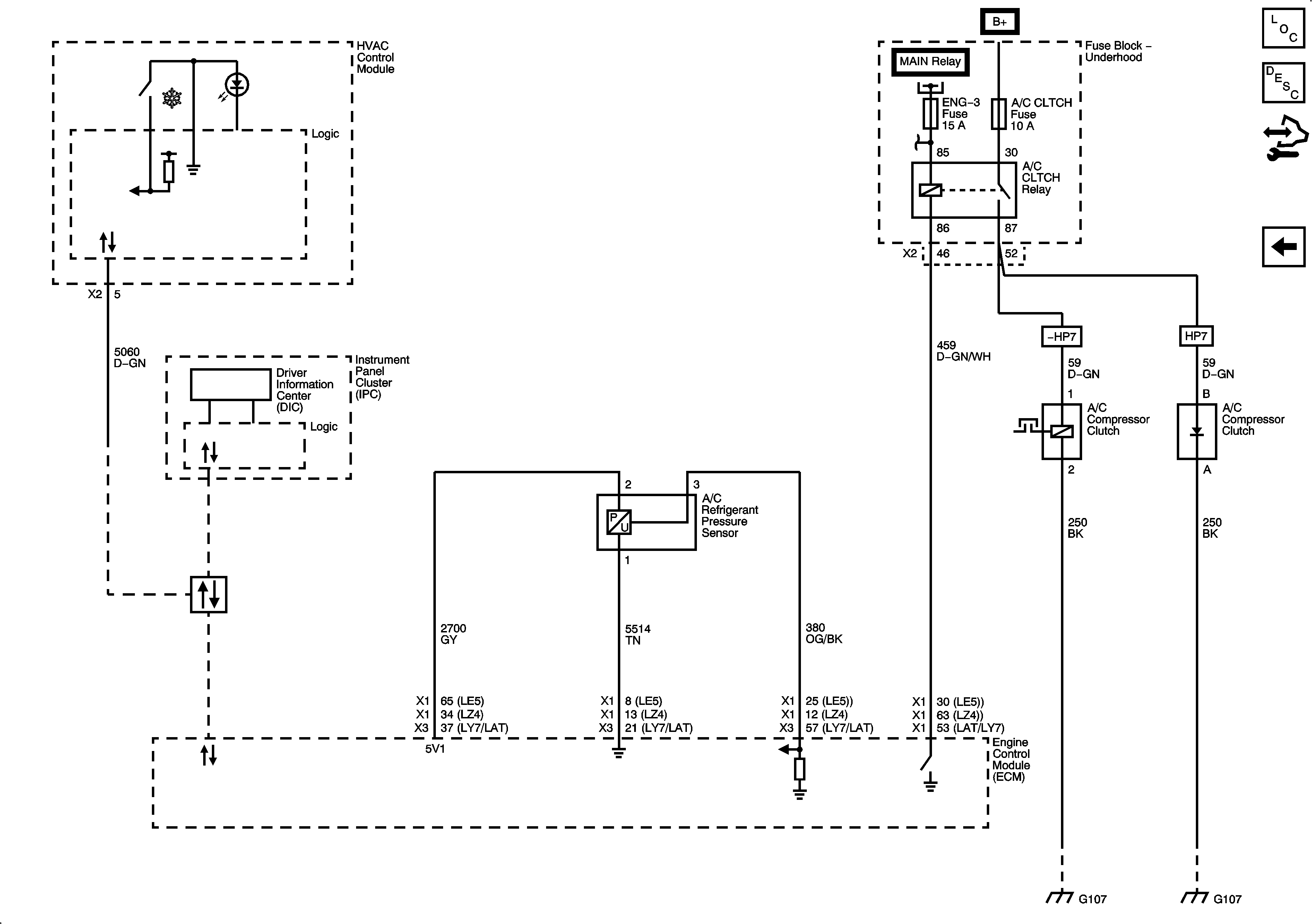
Compressor Controls
Mode Controls
Figure 4:

Compressor Controls


Object Number: 1883327  Size: FS
Master Electrical Component List
Air Temperature Description and Operation
Control Module References
Data Sensors