GM Service Manual Online
For 1990-2009 cars only
Makes
🢒
Saturn
🢒
2008
🢒
VUE - FWD
🢒
Safety and Security
🢒
Supplemental Inflatable Restraints
🢒 SIR Schematics
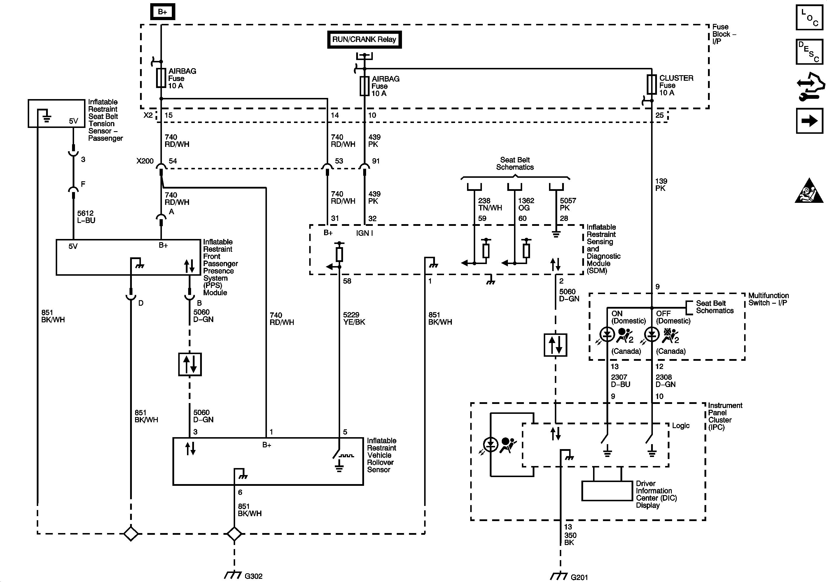
Figure
1:
Module Power , Grounds and Data Communications
Master Electrical Component List
SIR System Description and Operation
Control Module References
Front Sensors and Seat Belt Pretensioners
Figure
2:
Front Sensors, Seat Belt Pretensioners
Master Electrical Component List
SIR System Description and Operation
Control Module References
Roof Rail Modules and Side Impact Sensors
Module Power, Grounds and data Communications
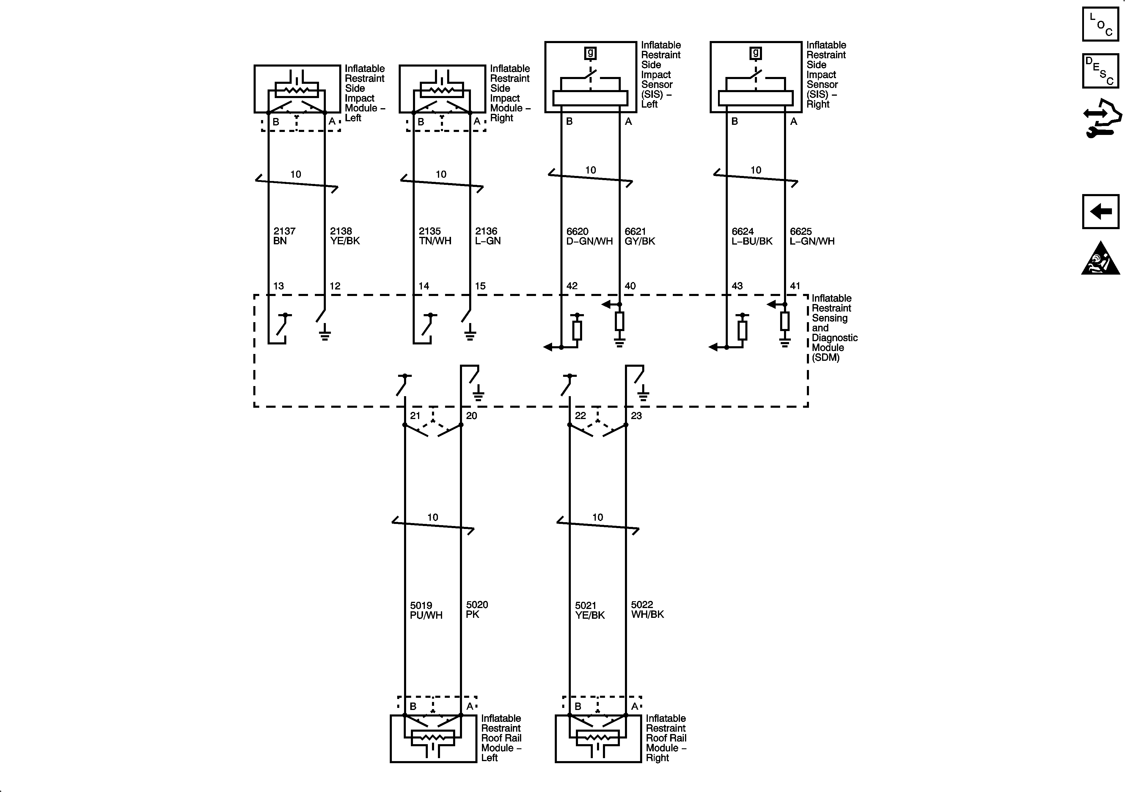
Figure
3:
Roof Rail Modules and Side Impact Sensors
Master Electrical Component List
SIR System Description and Operation
Control Module References
Front Sensors and Seat Belt Pretensioners