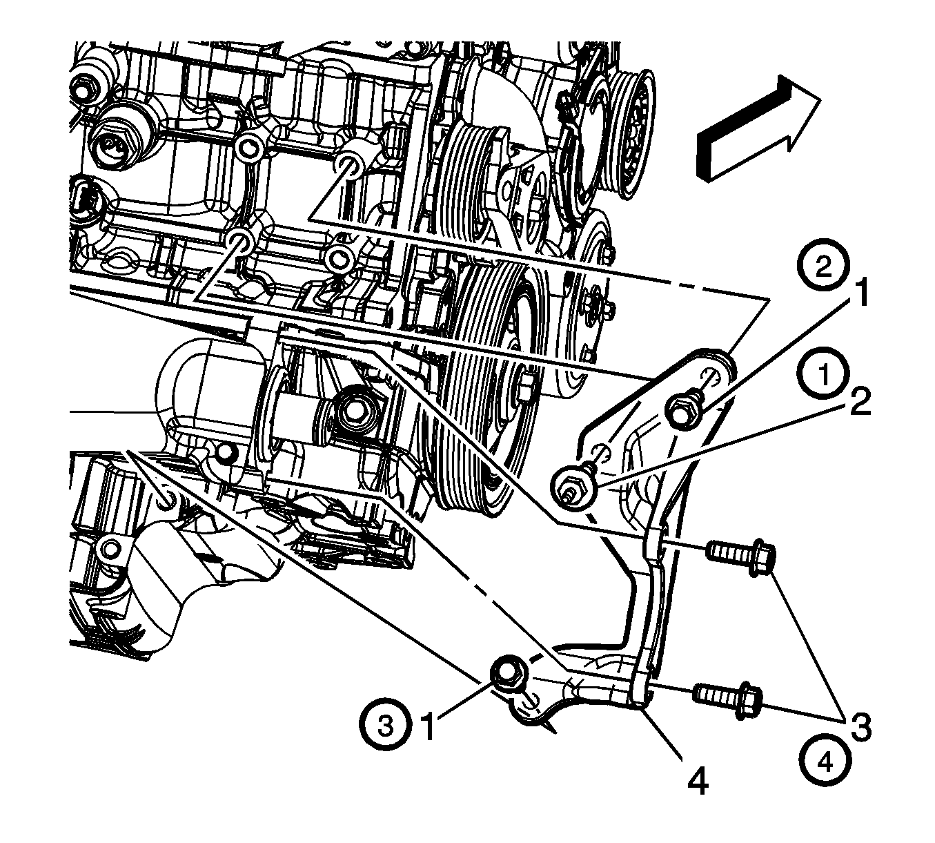
| • | Remove the transfer case heat shield bolts (1). |
| • | Remove the transfer case heat shield (2). |
| • | Install the transfer case heat shield (2). |
| • | Install the transfer case heat shield bolts (1). |
Notice: Refer to Fastener Notice in the Preface section.
Tighten
Tighten the bolts to 10 N·m (89 lb in).
Tighten
Tighten the bolts to 50 N·m (37 lb ft).
Important: Tighten bolts in specified sequential order.
Tighten
Tighten the bolts and stud in specified sequential order to 50 N·m (37 lb ft).
Tighten
Tighten the bolts in specified sequential order to 23 N·m (17 lb ft).
Tighten
Tighten the bolts to 50 N·m (37 lb ft).
| • | Remove the transfer case heat shield bolts (1). |
| • | Remove the transfer case heat shield (2). |
| • | Install the transfer case heat shield (2). |
| • | Install the transfer case heat shield bolts (1). |
Notice: Refer to Fastener Notice in the Preface section.
Tighten
Tighten the bolts to 10 N·m (89 lb in).
Tighten
Tighten the bolts to 50 N·m (37 lb ft).
Important: Tighten bolts in specified sequential order.
Tighten
Tighten the bolts to 23 N·m (17 lb ft).
Tighten
Tighten the bolts to 50 N·m (37 lb ft).
Tighten
Tighten the bolts to 50 N·m (37 lb ft).