GM Service Manual Online
For 1990-2009 cars only
Figure 1:

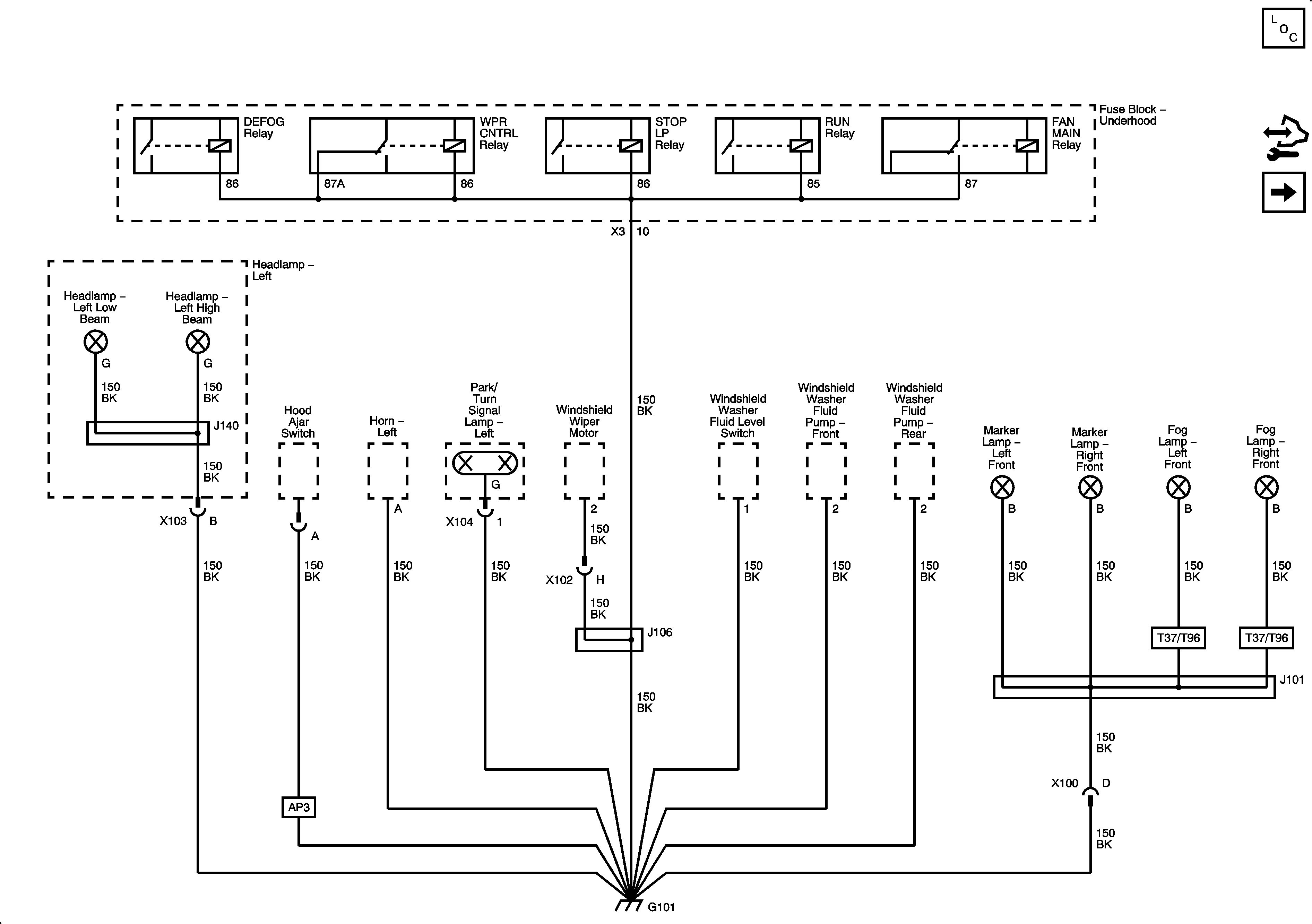
G101


Object Number: 2080184  Size: FS
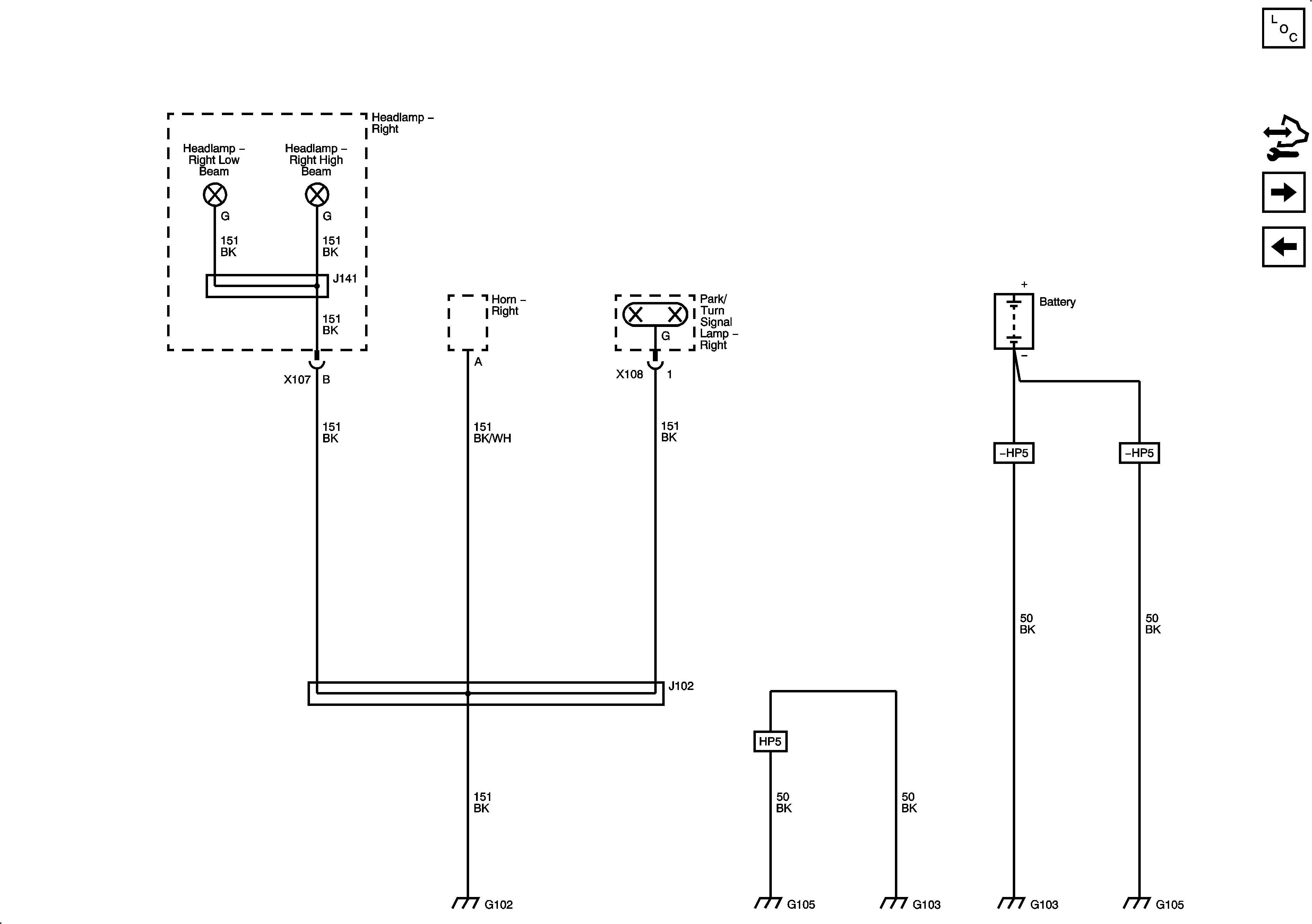
Figure 2:

G102, G103 and G105


Object Number: 2080187  Size: FS
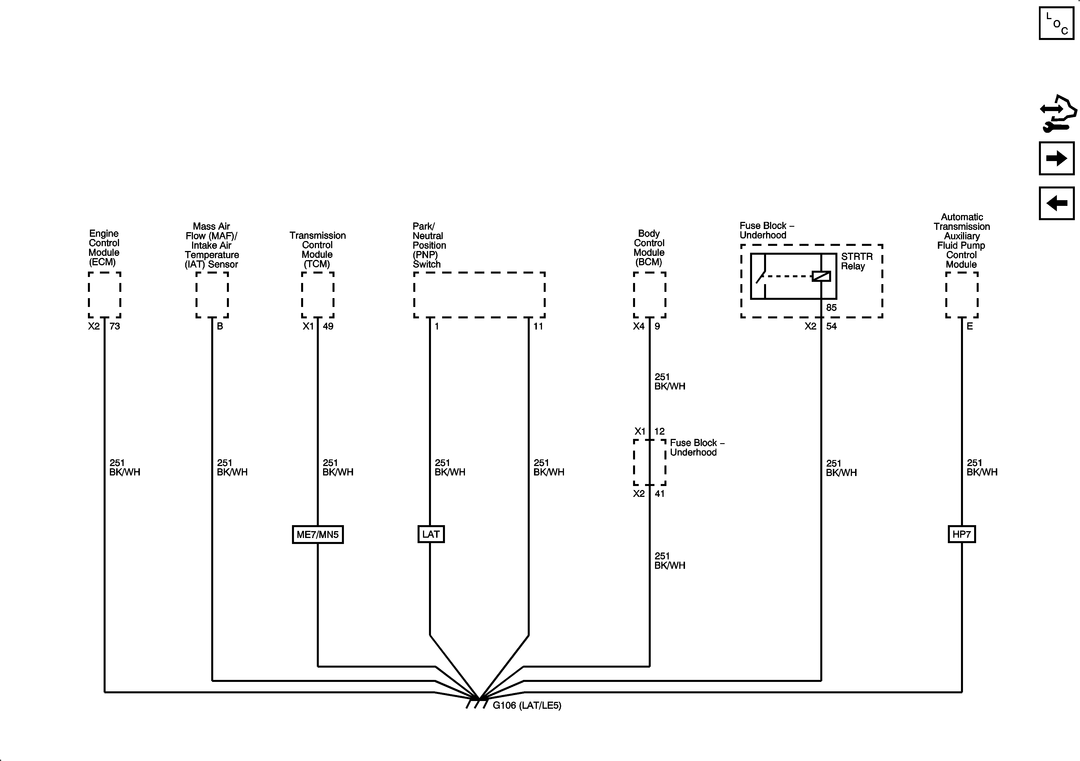
Figure 3:

G106 (LAT and LE5)


Object Number: 2080193  Size: FS
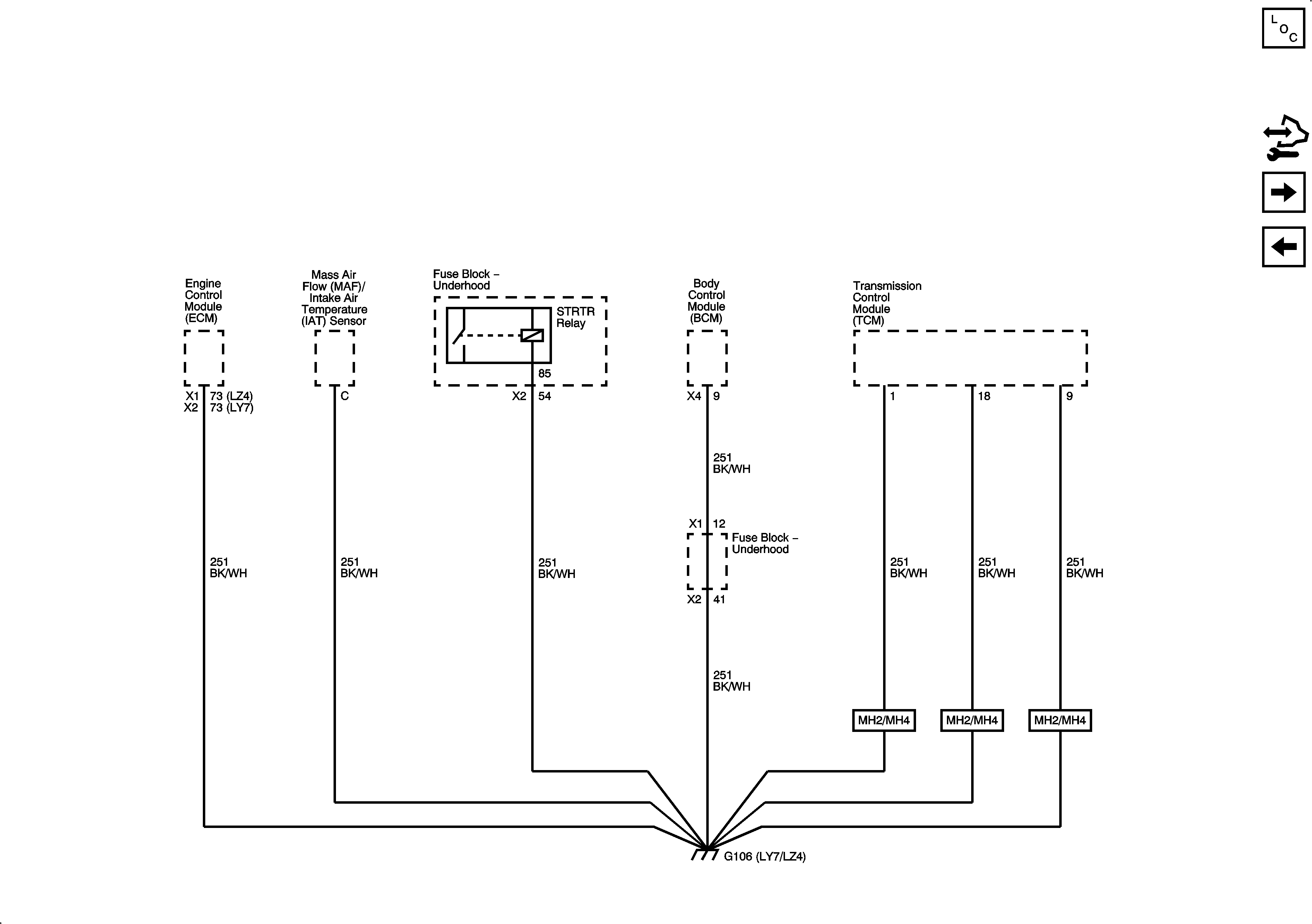
Figure 4:

G106 (LY7 and LZ4)


Object Number: 2080199  Size: FS
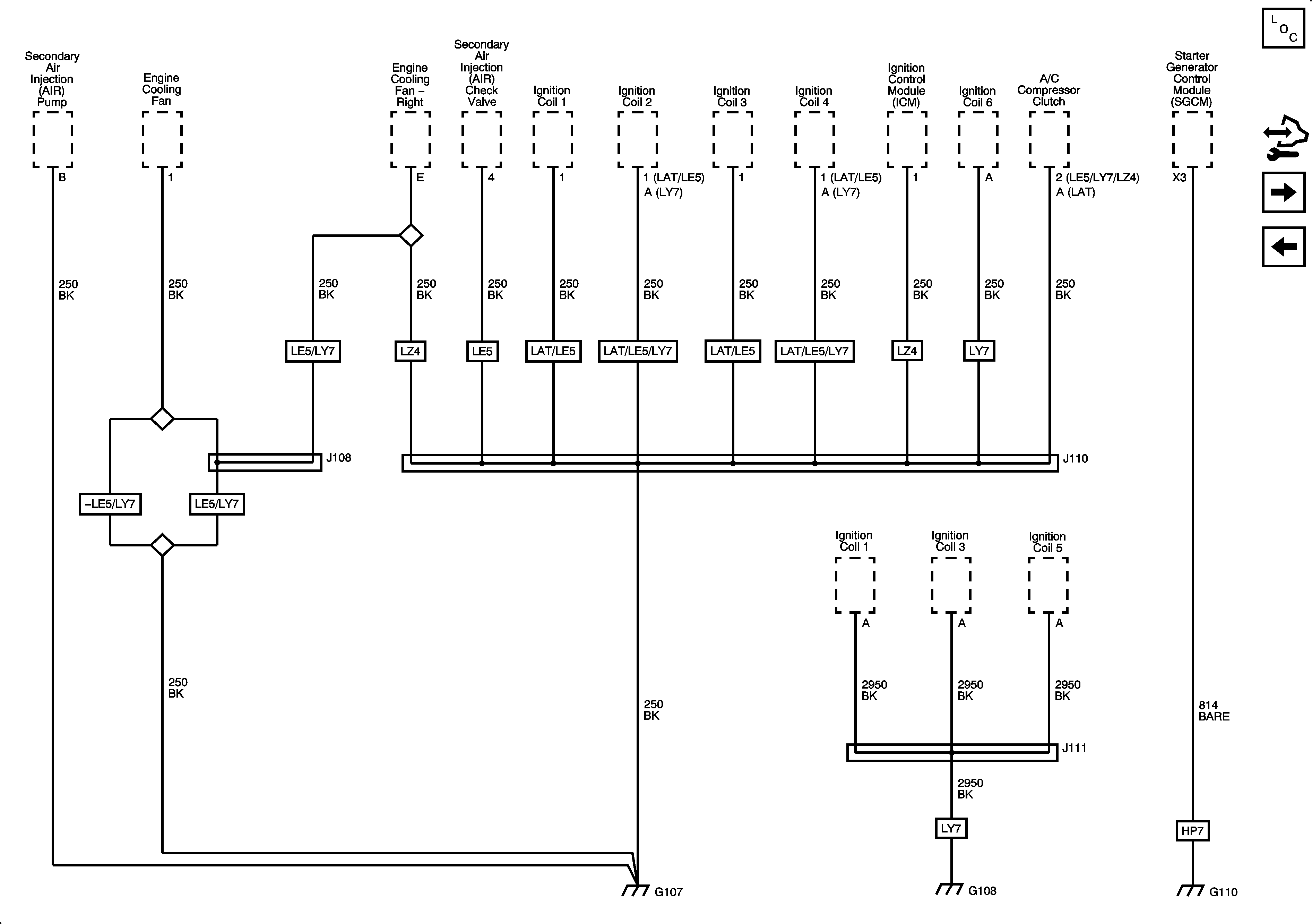
Figure 5:

G107 and G108


Object Number: 2080205  Size: FS
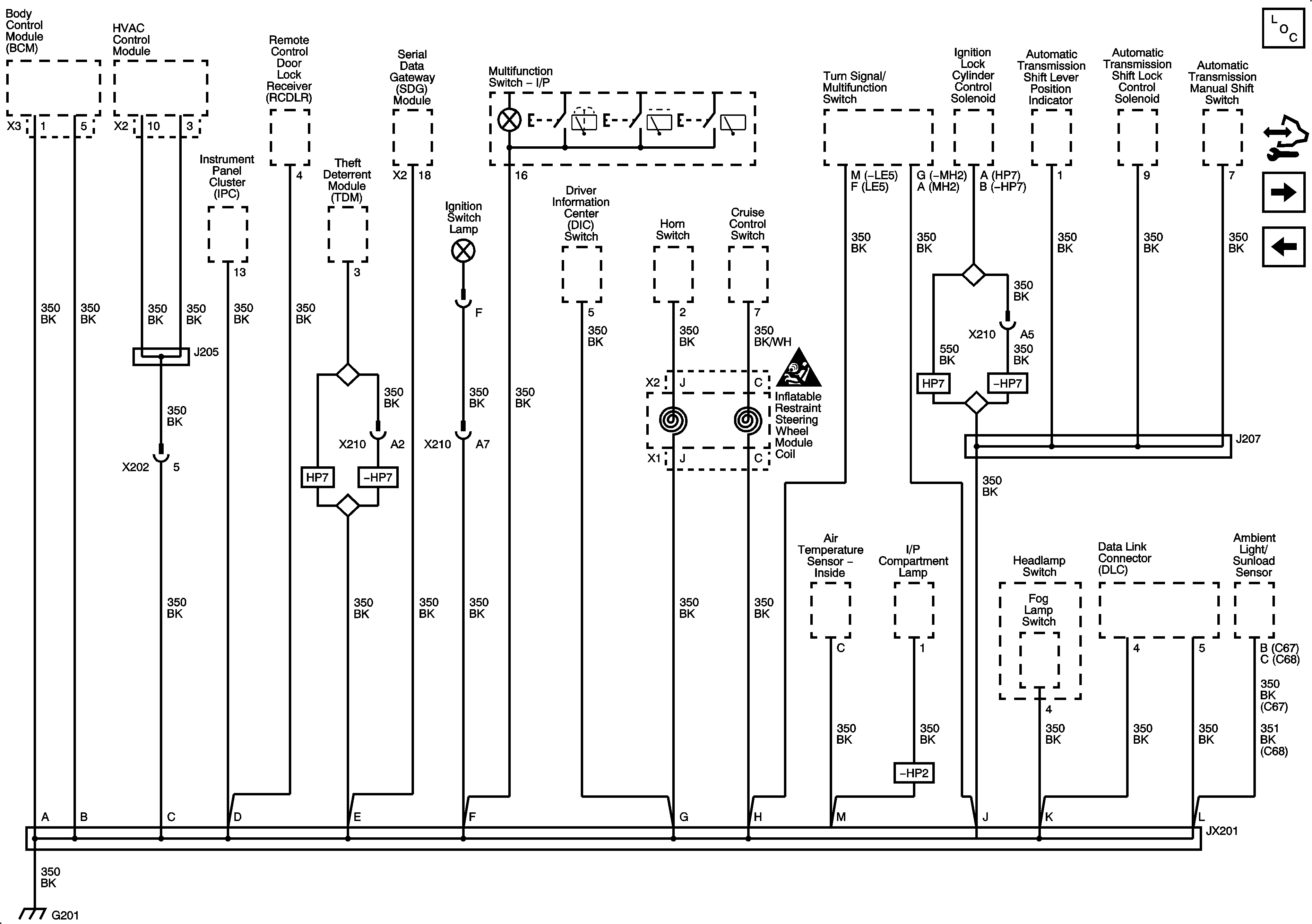
Figure 6:

G201


Object Number: 2080211  Size: FS
Figure 7:

G202 and G203


Object Number: 2080215  Size: FS
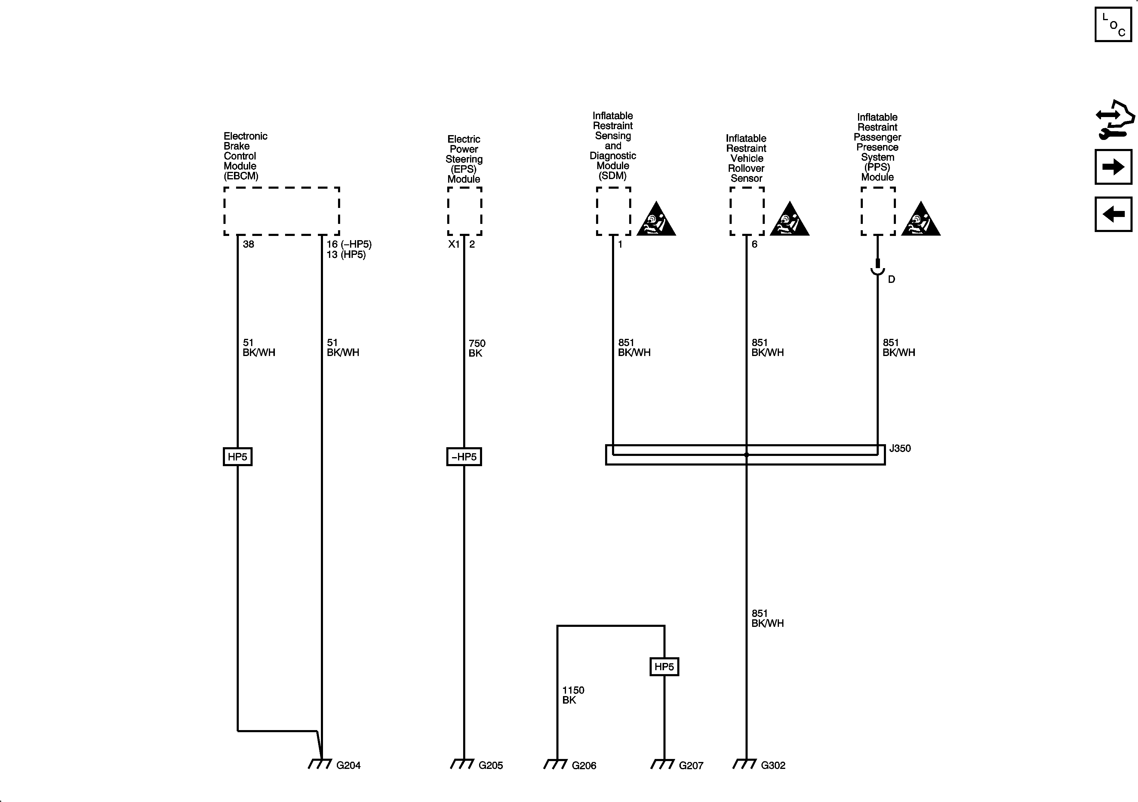
Figure 8:

G204, G205 and G302


Object Number: 2080222  Size: FS
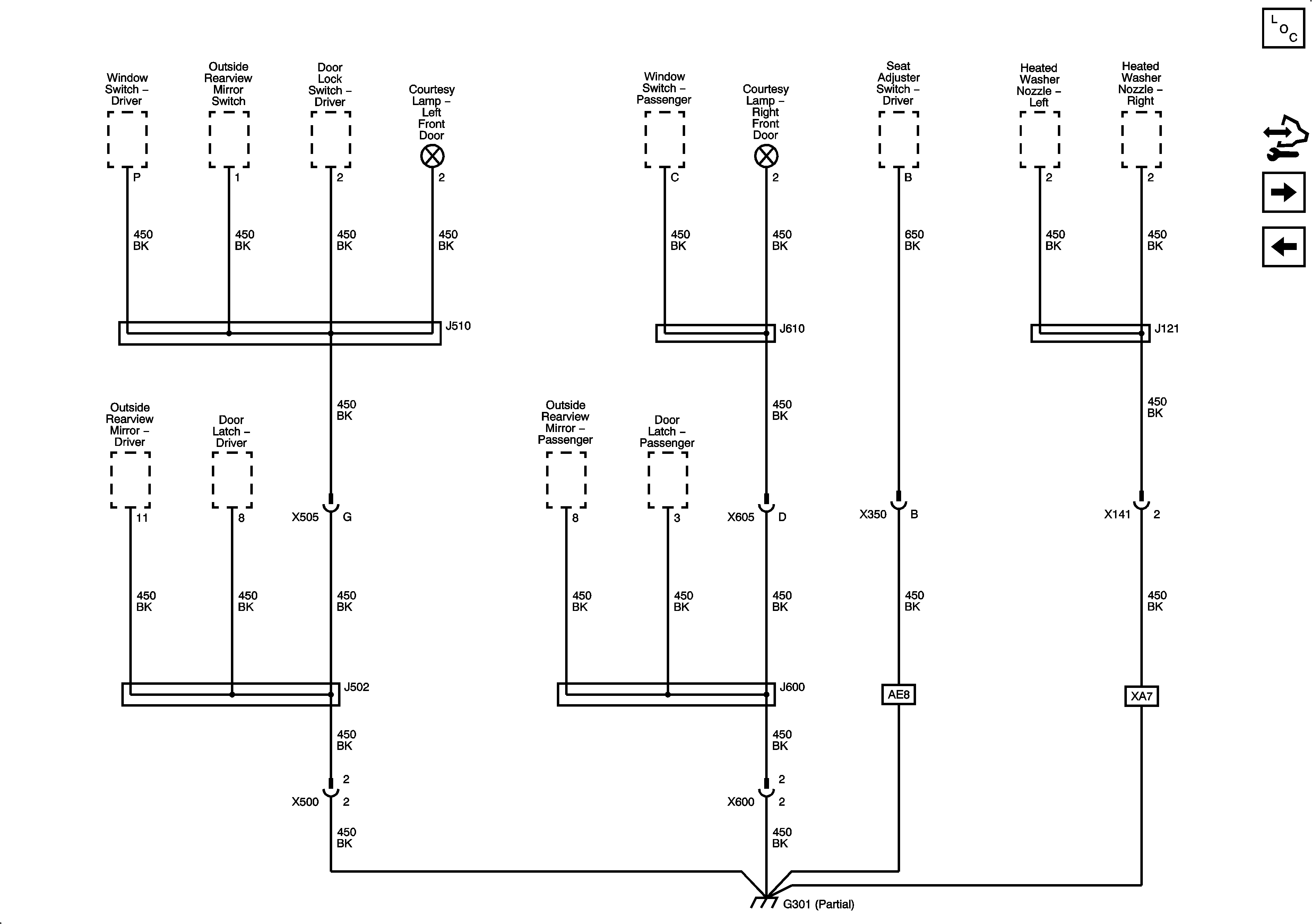
Figure 9:

G301 - 1 of 2


Object Number: 2080227  Size: FS
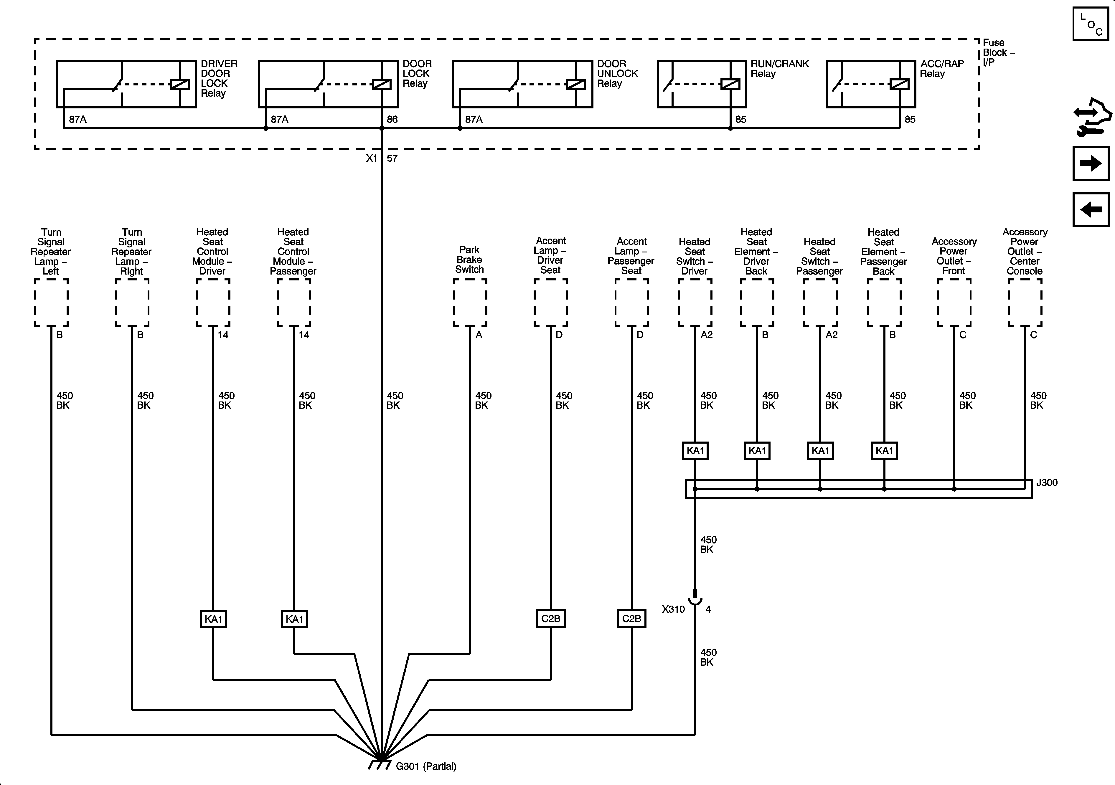
Figure 10:

G301 - 2 of 2


Object Number: 2080232  Size: FS
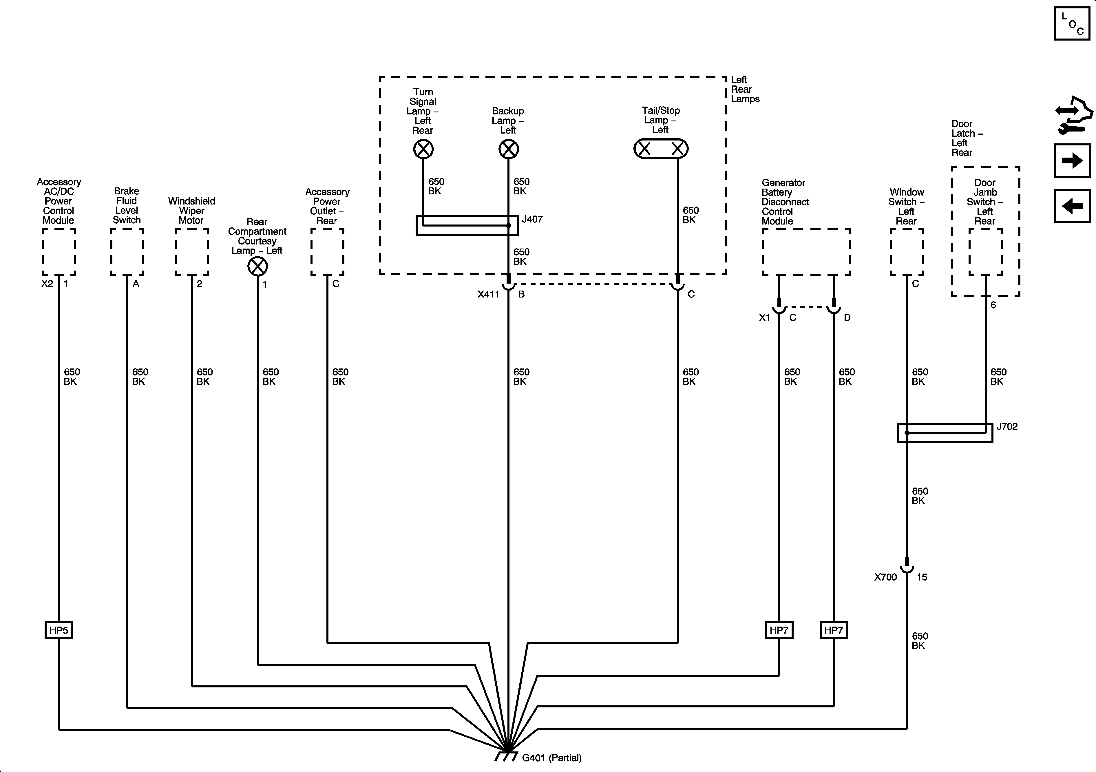
Figure 11:

G401 - 1 of 2


Object Number: 2080239  Size: FS
Figure 12:

G401 - 2 of 2


Object Number: 2080245  Size: FS
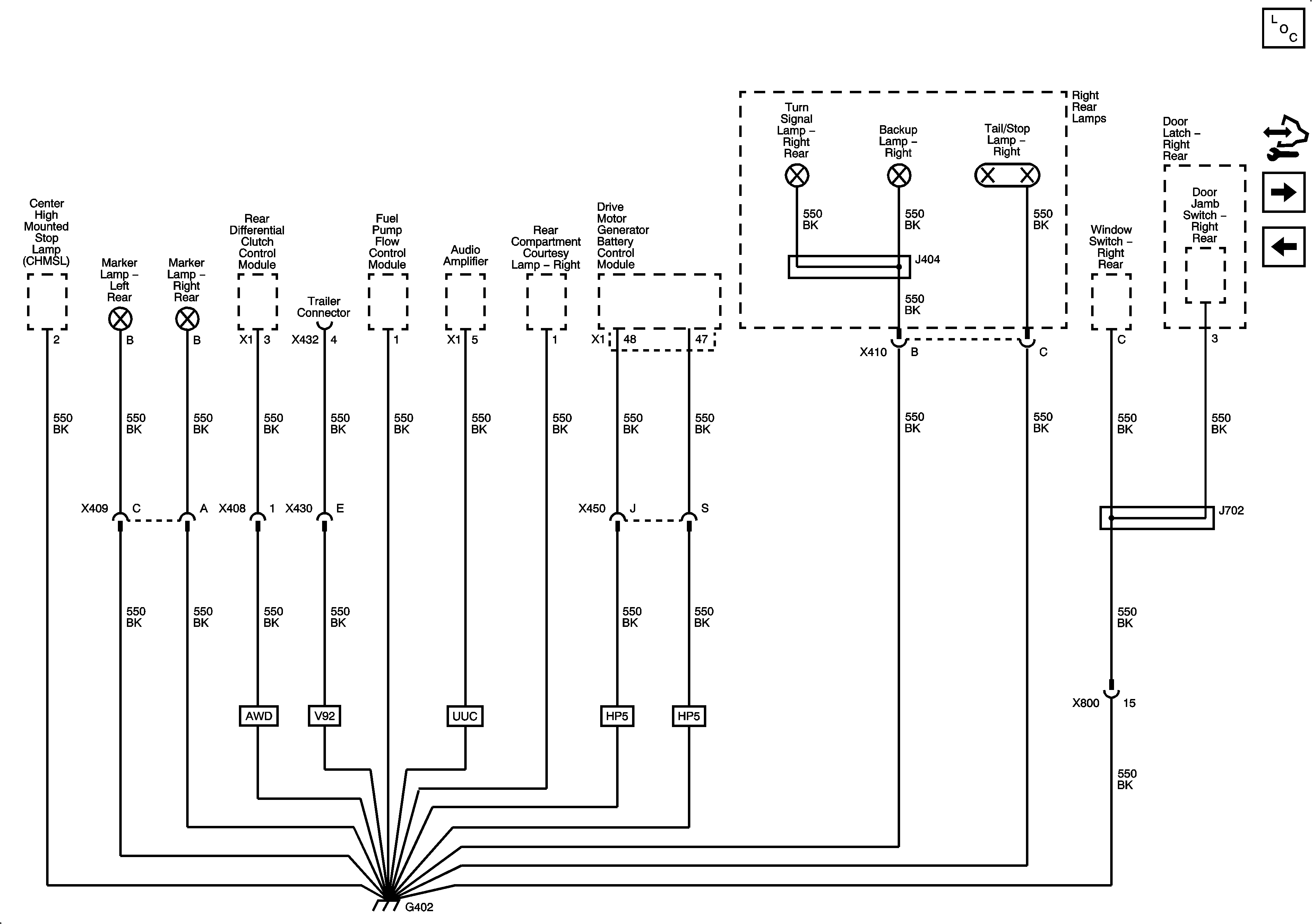
Figure 13:

G402


Object Number: 2080249  Size: FS