GM Service Manual Online
For 1990-2009 cars only
Makes
🢒
Saturn
🢒
2009
🢒
VUE - FWD
🢒
Engine
🢒
Engine Electrical - Hybrid (HP5)
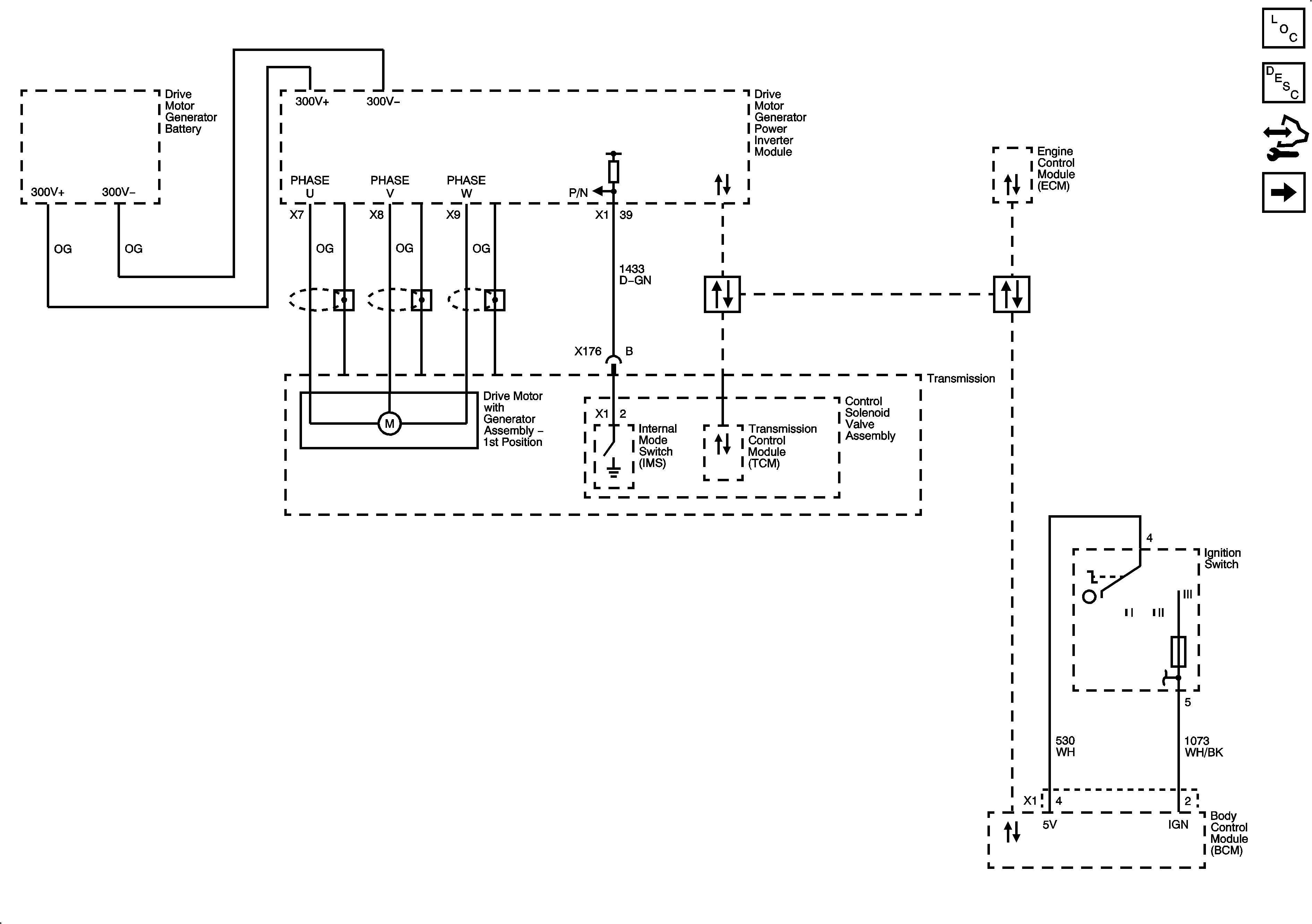
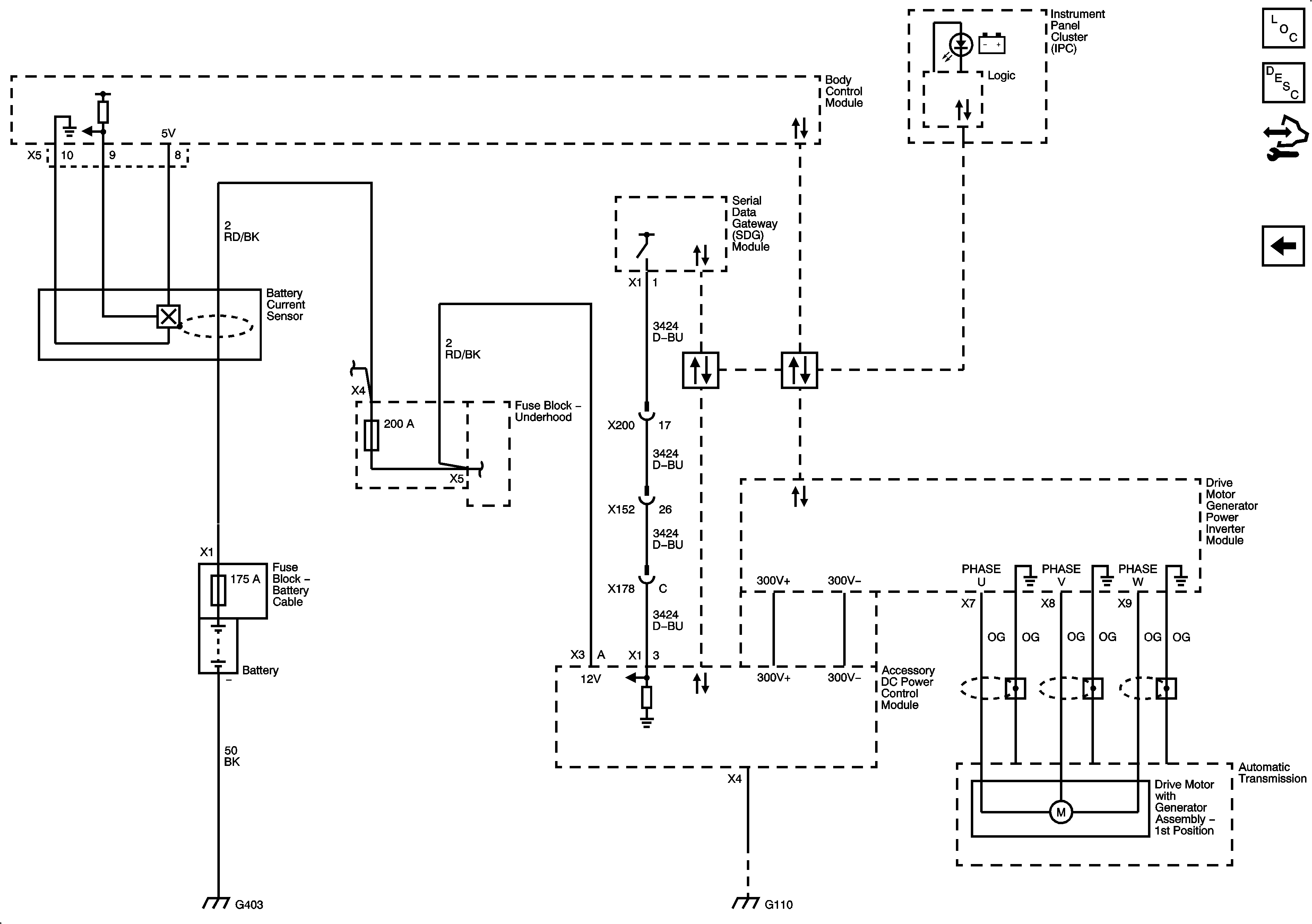
🢒 Starting and Charging Schematics
Figure
1:
Charging (HP5) (12 Volt)
Figure
2:
Starting Hybrid (HP5)