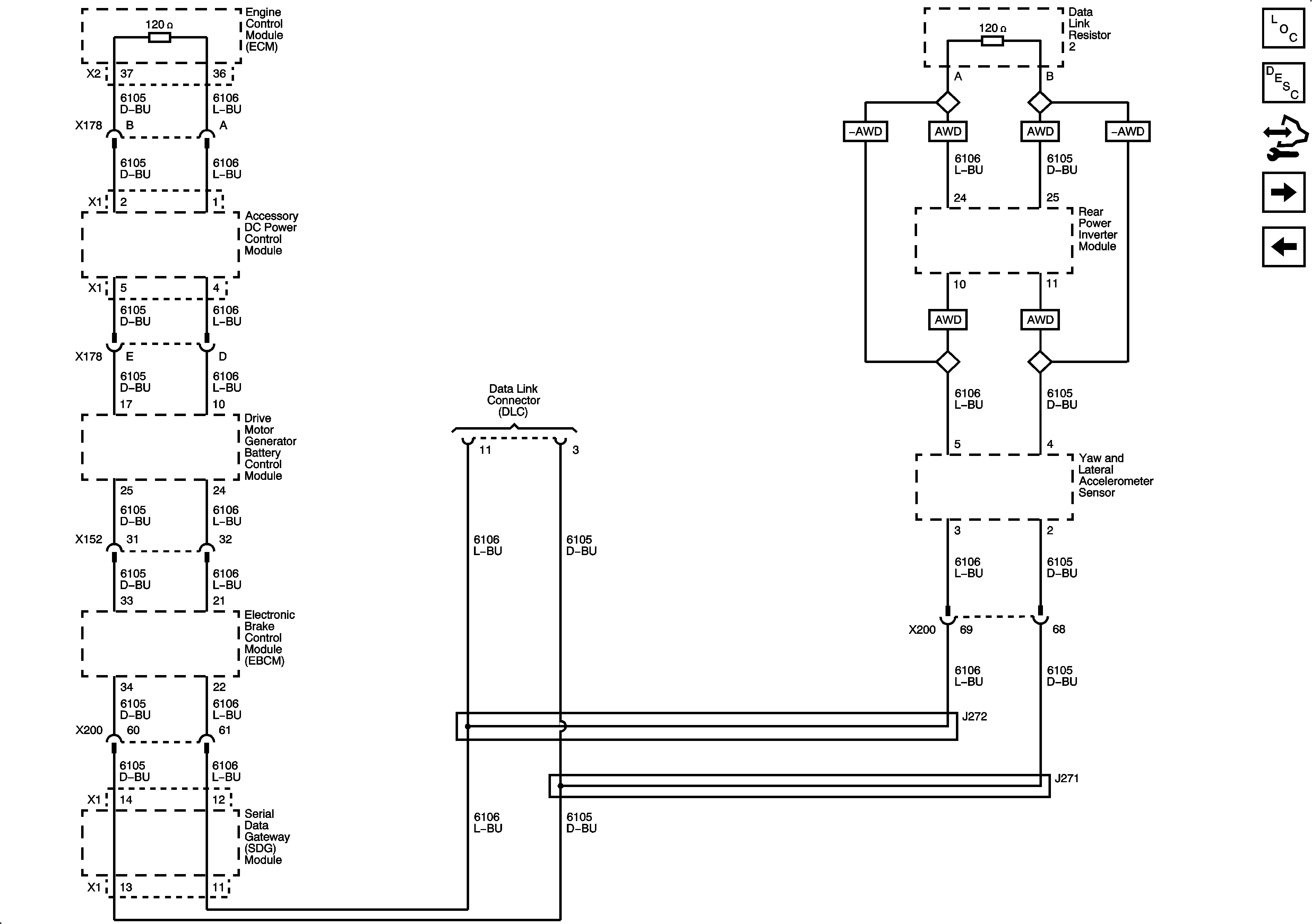
| Figure 1: |
High Speed GMLAN (without HP5)
|
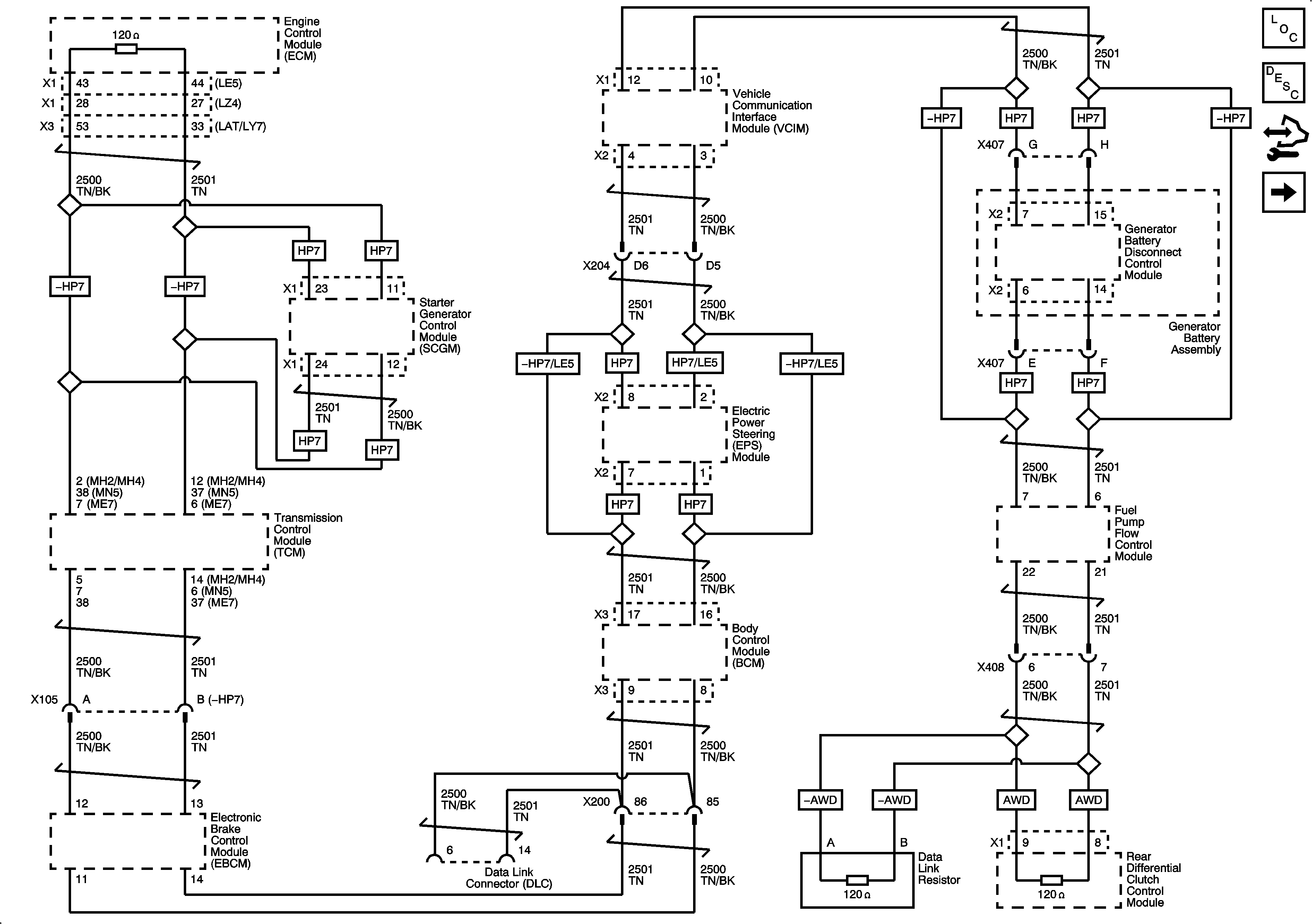
| Figure 2: |
GM Lan High Speed Bus (HP5)
|
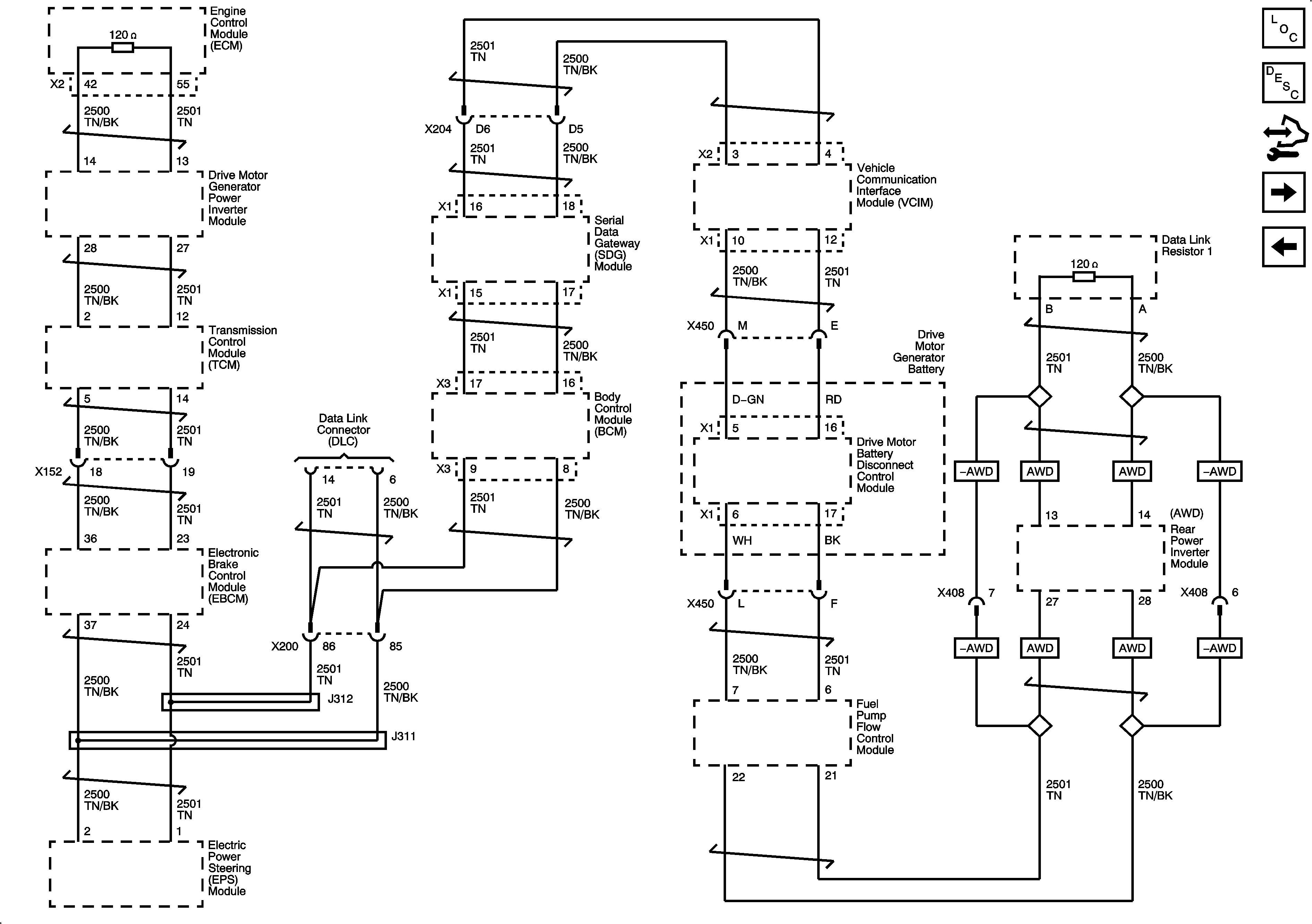
| Figure 3: |
PT LAN High Speed 2 Expansion Bus (HP5)
|
| Figure 4: |
Low Speed GMLAN
|
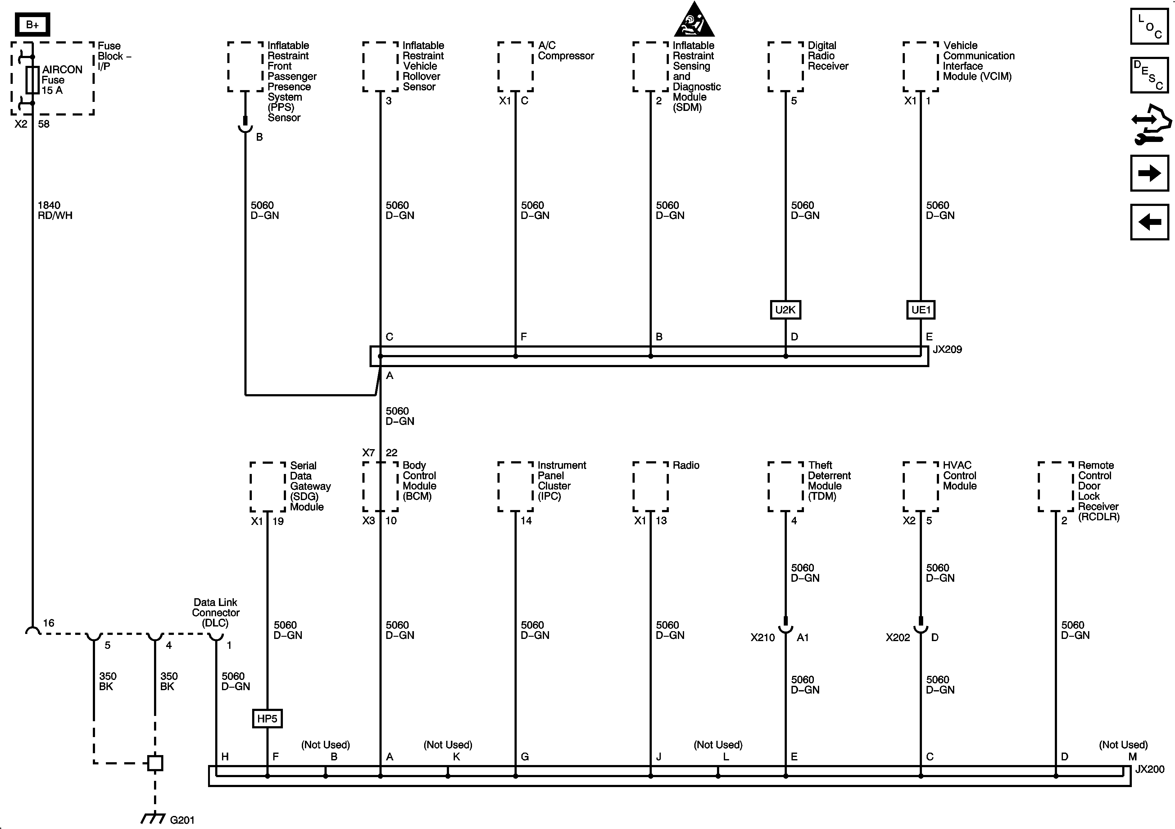
| Figure 5: |
Serial Data Gateway (HP5)
|
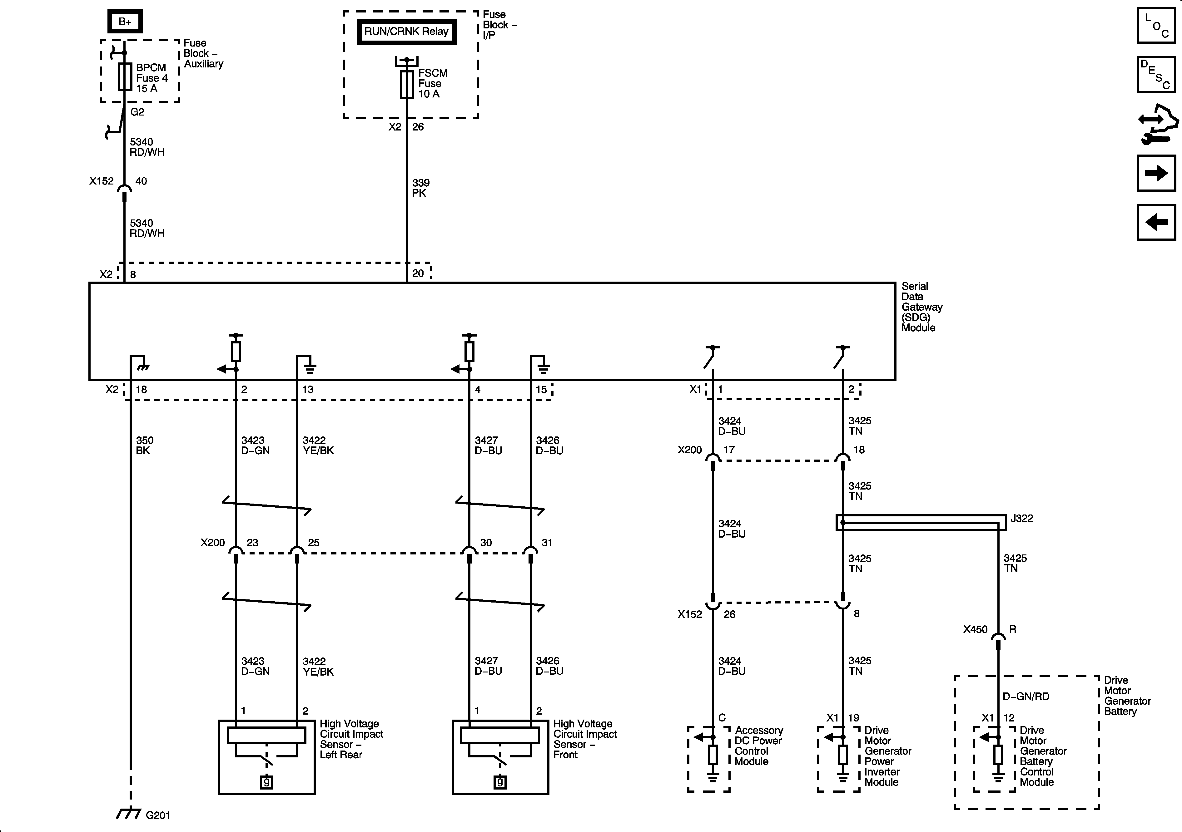
| Figure 6: |
Serial Data Communications Enable, Accessory Wake Up
|