GM Service Manual Online
For 1990-2009 cars only
Figure 1:

Driver Door Locks


Object Number: 2079484  Size: FS
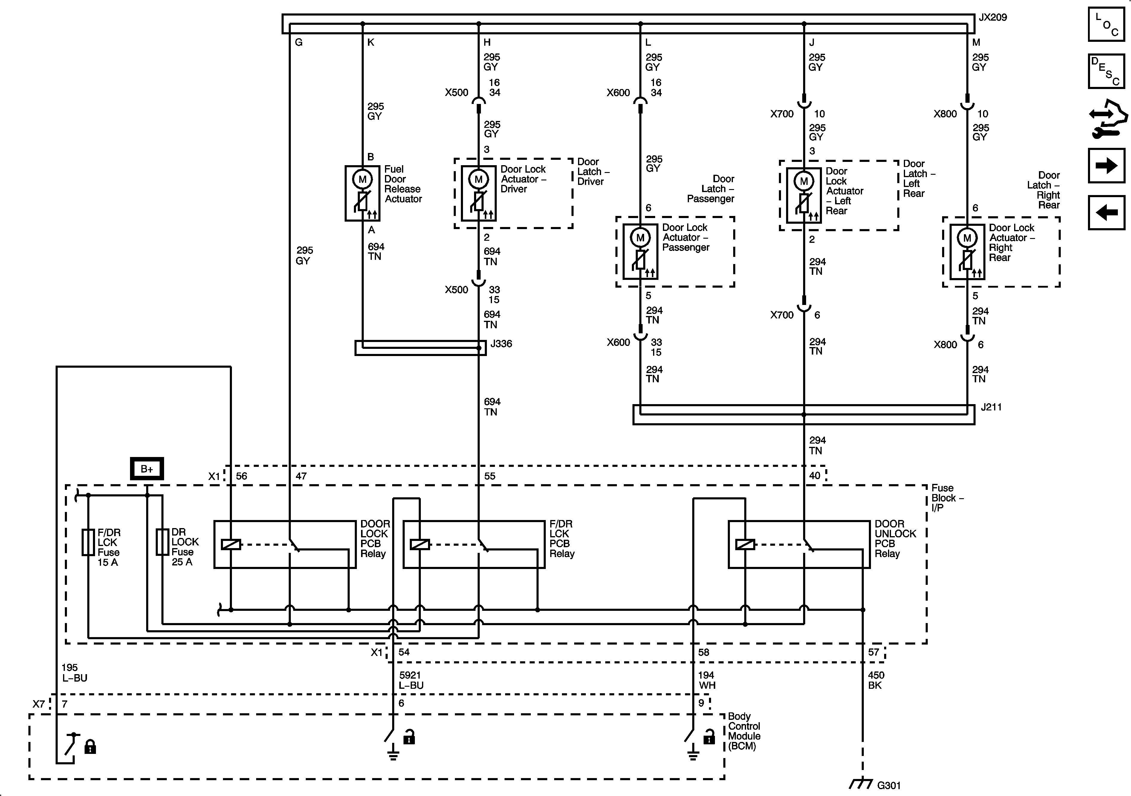
Figure 2:

Door Lock Actuators


Object Number: 2079488  Size: FS
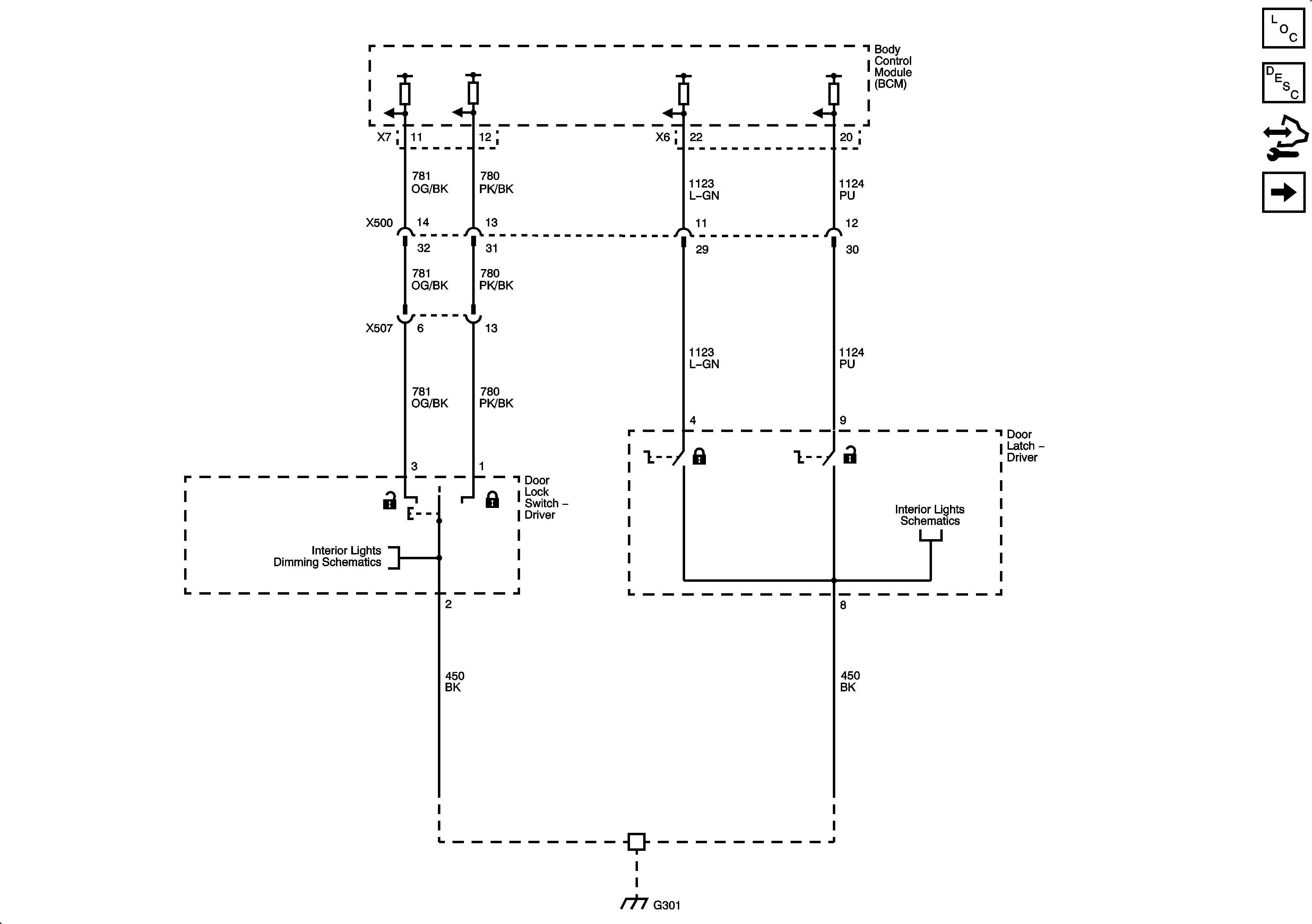
Figure 3:

Door Lock Indicators


Object Number: 2079493  Size: FS