GM Service Manual Online
For 1990-2009 cars only
Makes
🢒
Saturn
🢒
2009
🢒
VUE - FWD
🢒
Brakes
🢒
Antilock Brake System
🢒 Antilock Brake System Schematics
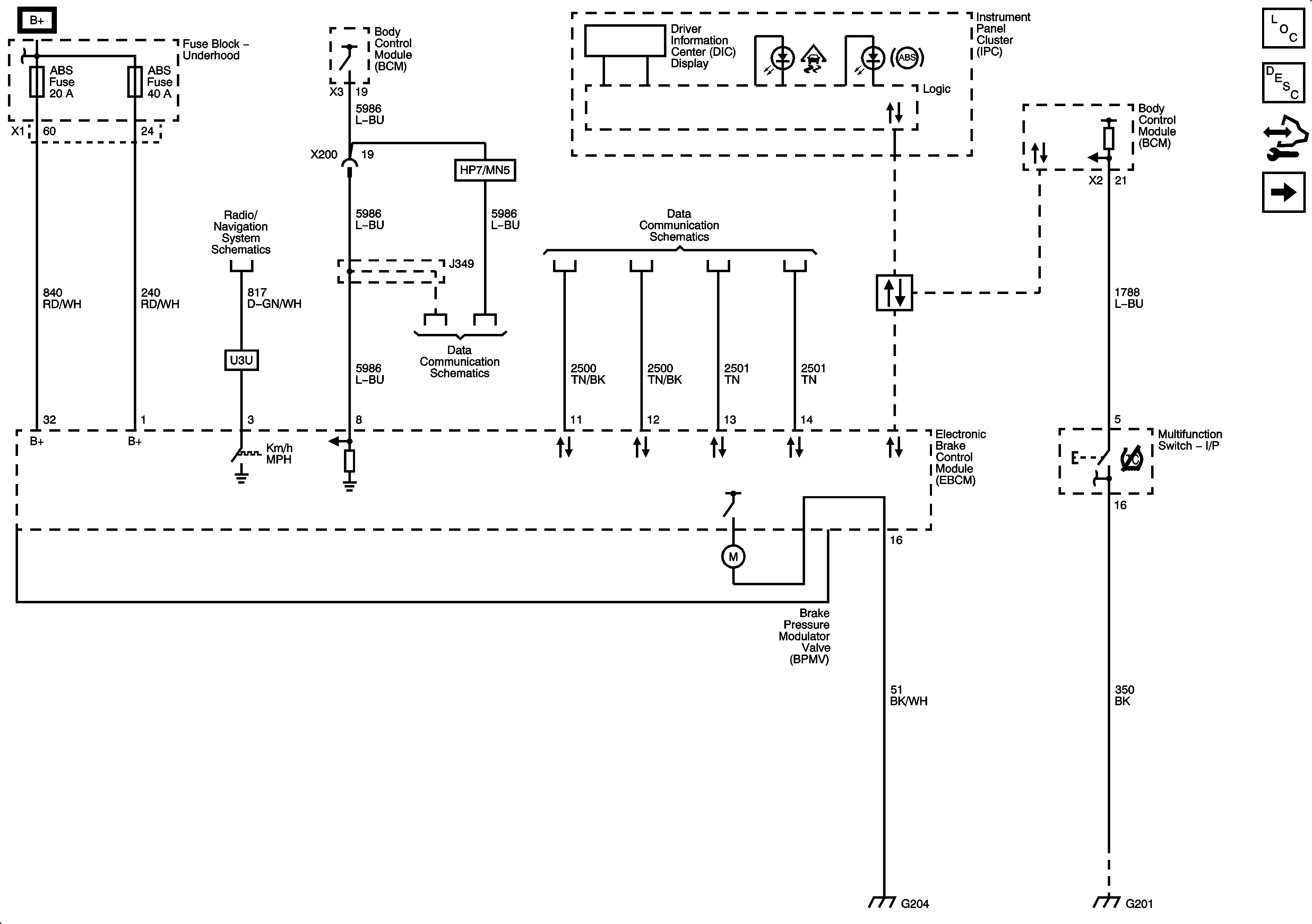
Antilock Brake System Schematics Non 2 Mode Hybrid
Figure
1:
Control Module, Instrument Panel Display and Serial Data
Figure
2:
Wheel Speed and YAW/Lateral Speed Sensors
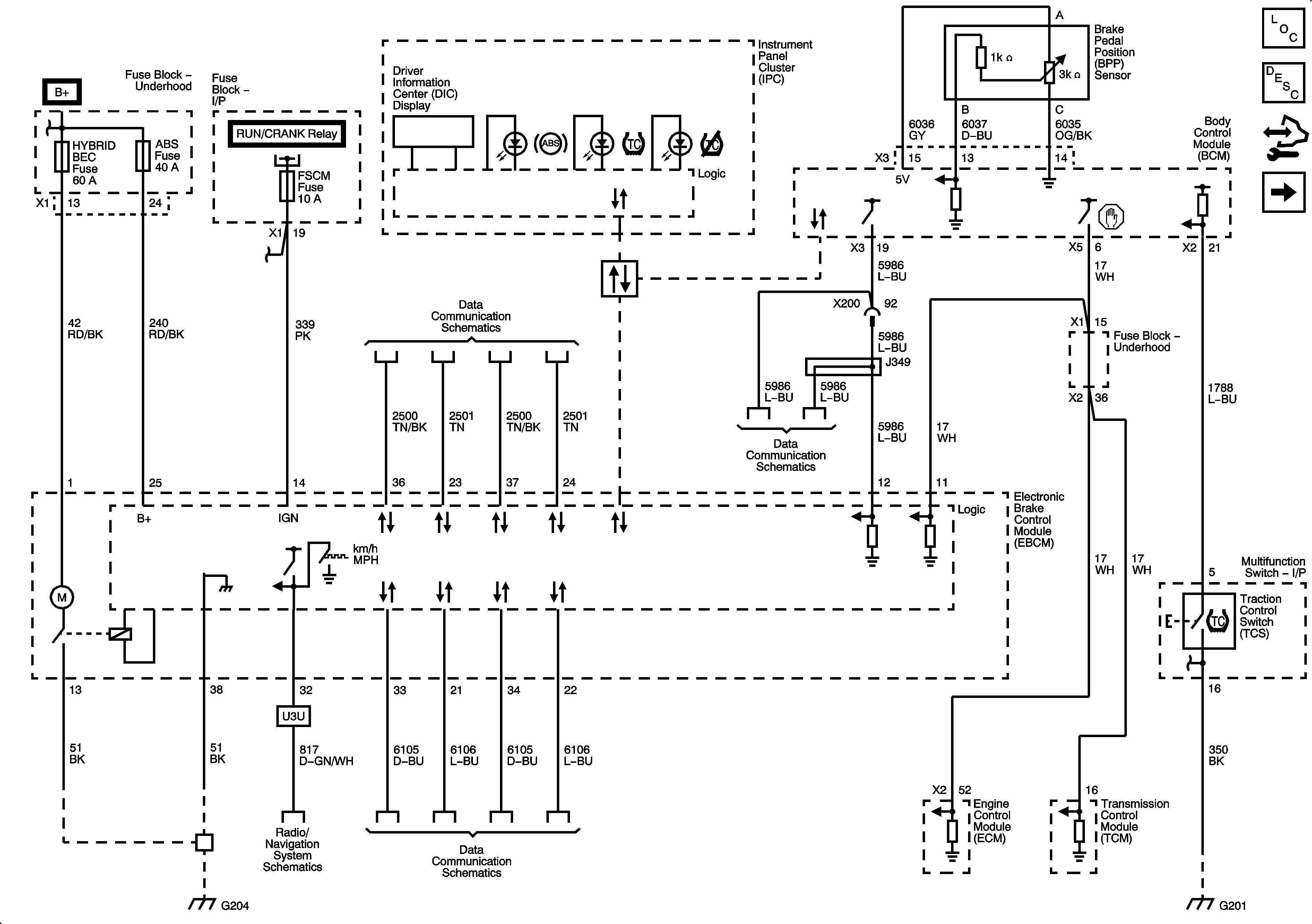
Antilock Brake System Schematics 2 Mode Hybrid
Figure
1:
Power, Ground, Instrument Panel Indicators, Data Communications, Brake Applied Signal and Traction Control switch
Master Electrical Component List
ABS Description and Operation
Control Module References
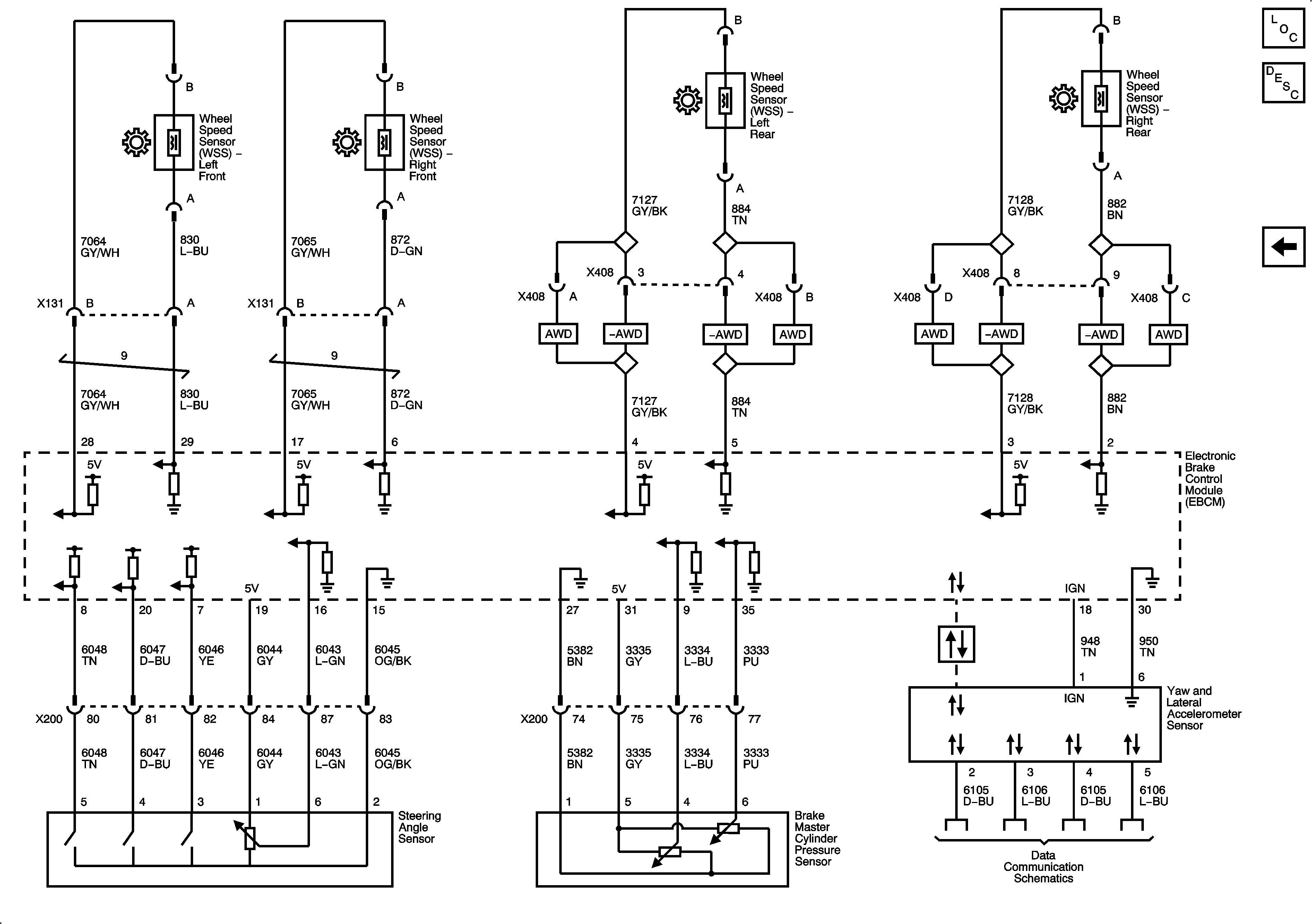
Brake Pressure Sensor, Steering Angle Sensor, Wheel Speed Sensors and Yaw and Lateral Accelerometer
Figure
2:
Brake Pressure Sensor, Steering Angle Sensor Wheel Speed Sensors and Yaw and Lateral Accelerometer Sensor
Master Electrical Component List
ABS Description and Operation
Control Module References
Power, Ground, Instrument Panel Indicators, Data Communications, Brake Applied Signal and Traction Control Switch