GM Service Manual Online
For 1990-2009 cars only

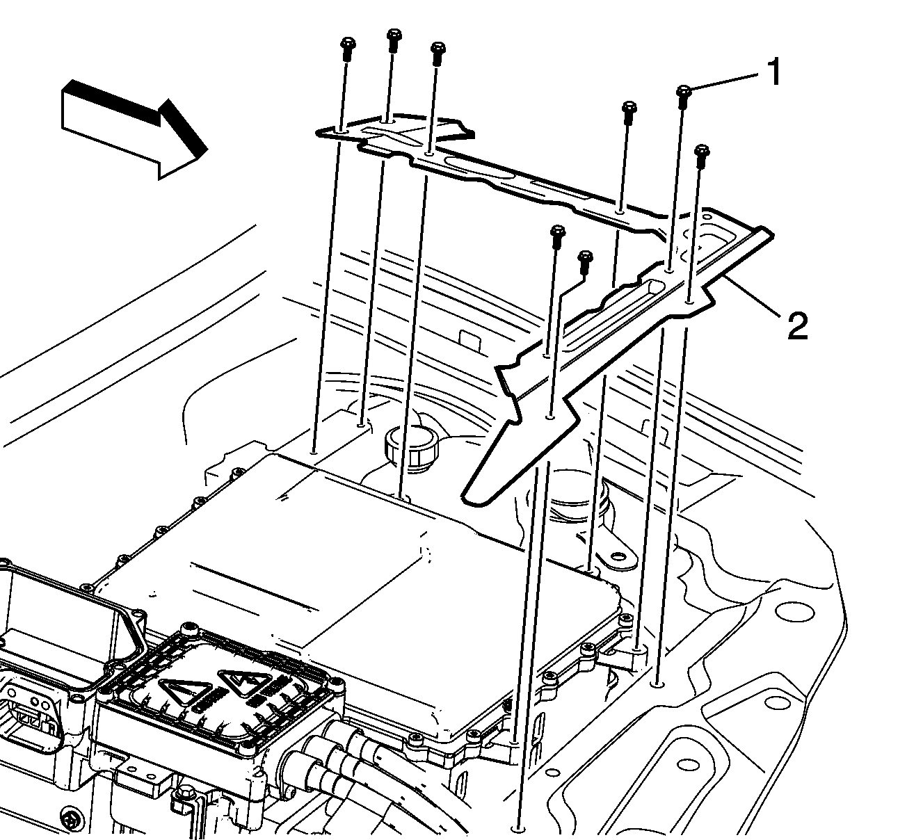
Removal


    Object Number: 2175884  Size: SH
  1. Remove the drive motor generator control module assembly support retaining bolts (1).
  2. Remove the drive motor generator control module assembly support (2).

Installation


    Object Number: 2175884  Size: SH
  1. Install the drive motor generator control module assembly support (2).
  2. Caution: Refer to Fastener Caution in the Preface section.

  3. Install the drive motor generator control module assembly support retaining bolts (1). Tighten the bolts to xx N·m (xx lb ft).