GM Service Manual Online
For 1990-2009 cars only

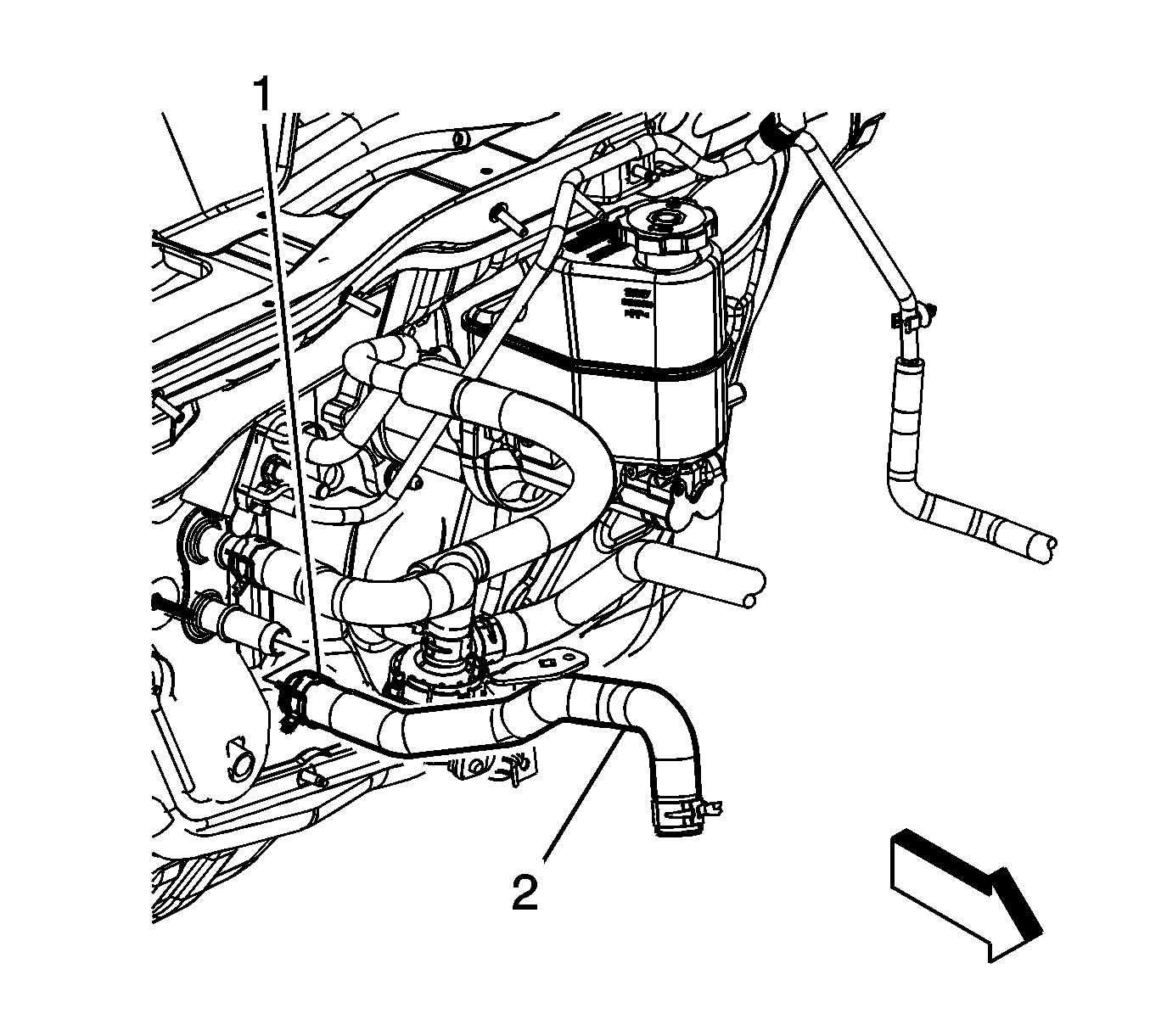
Heater Inlet Hose Replacement LY7


Object Number: 1872314  Size: MF

Callout

Component Name

Preliminary Procedures

  1. Remove the fuel injector sight shield. Refer to Fuel Injector Sight Shield Replacement.
  2. Partially drain the cooling system. Refer to Cooling System Draining and Filling.

1

Heater Inlet Hose Clamp (Qty: 2)

2

Heater Inlet Hose

Heater Inlet Hose Replacement LAT


Object Number: 1872692  Size: MF

Callout

Component Name

Preliminary Procedures

Partially drain the cooling system. Refer to Cooling System Draining and Filling.

1

Heater inlet hose clamps (Qty 2).

2

Heater inlet hose.

Heater Inlet Hose Replacement LE5


Object Number: 1872695  Size: MF

Callout

Component Name

Preliminary Procedures

Partially drain the cooling system. Refer to Cooling System Draining and Filling.

1

Heater inlet hose clamps (Qty 2).

2

Heater inlet hose.

Heater Inlet Hose Replacement LZ4


Object Number: 1888235  Size: MF

Callout

Component Name

Preliminary Procedures

Partially drain the cooling system. Refer to Cooling System Draining and Filling.

1

Heater Inlet Hose Clamps (Qty: 2)

2

Heater Inlet Hose

Heater Inlet Hose Replacement HP5

Special Tools

J 38185 Hose Clamp Pliers

Removal Procedure

  1. Drain the coolant. Refer to Cooling System Draining and Filling
  2. Remove the drive motor generator control module assembly. Refer to Drive Motor Generator Control Module Assembly Replacement

  3. Object Number: 2159924  Size: SH
  4. Using J 38185 Hose Clamp Pliers disengage the tension on the hose clamp (1) and remove the heater inlet hose (2) from the thermostat housing.

  5. Object Number: 2159915  Size: SH
  6. Using J 38185 Hose Clamp Pliers disengage the tension on the hose clamp (1) and remove the heater inlet hose (2) from the heater core.
  7. Remove the heater inlet hose from the vehicle.

Installation Procedure

  1. Install the heater inlet hose to the vehicle.

  2. Object Number: 2159915  Size: SH
  3. Using J 38185 Hose Clamp Pliers disengage the tension on the hose clamp (1) and install the heater inlet hose (2) to the heater core.

  4. Object Number: 2159924  Size: SH
  5. Using J 38185 Hose Clamp Pliers disengage the tension on the hose clamp (1) and install the heater inlet hose (2) to the thermostat housing.
  6. Install the drive motor generator control module assembly. Refer to Drive Motor Generator Control Module Assembly Replacement
  7. Fill the coolant. Refer to Cooling System Draining and Filling