GM Service Manual Online
For 1990-2009 cars only
Makes
🢒
Saturn
🢒
2009
🢒
VUE - FWD
🢒
Safety and Security
🢒
Immobilizer
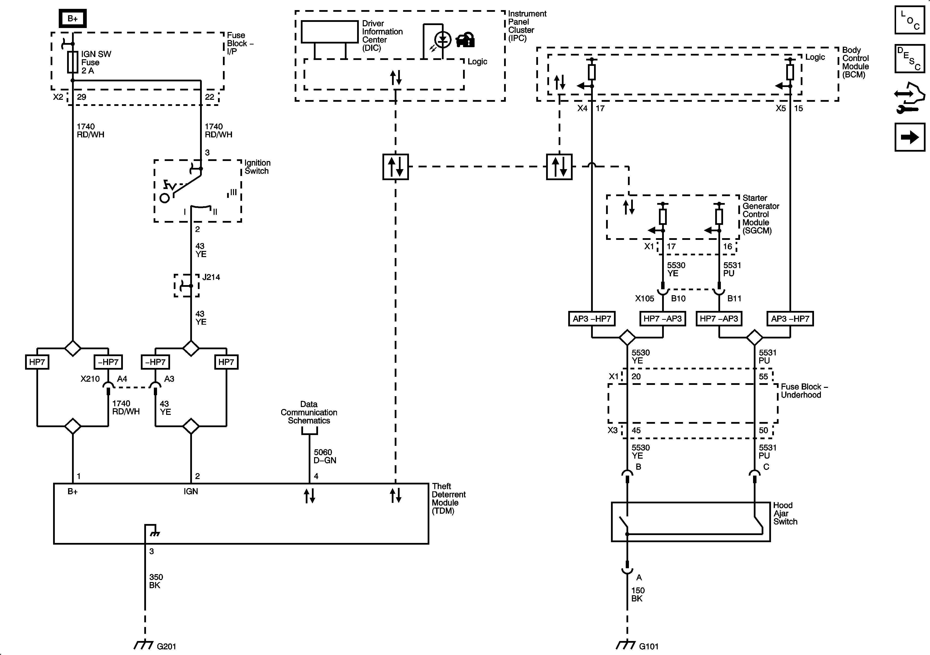
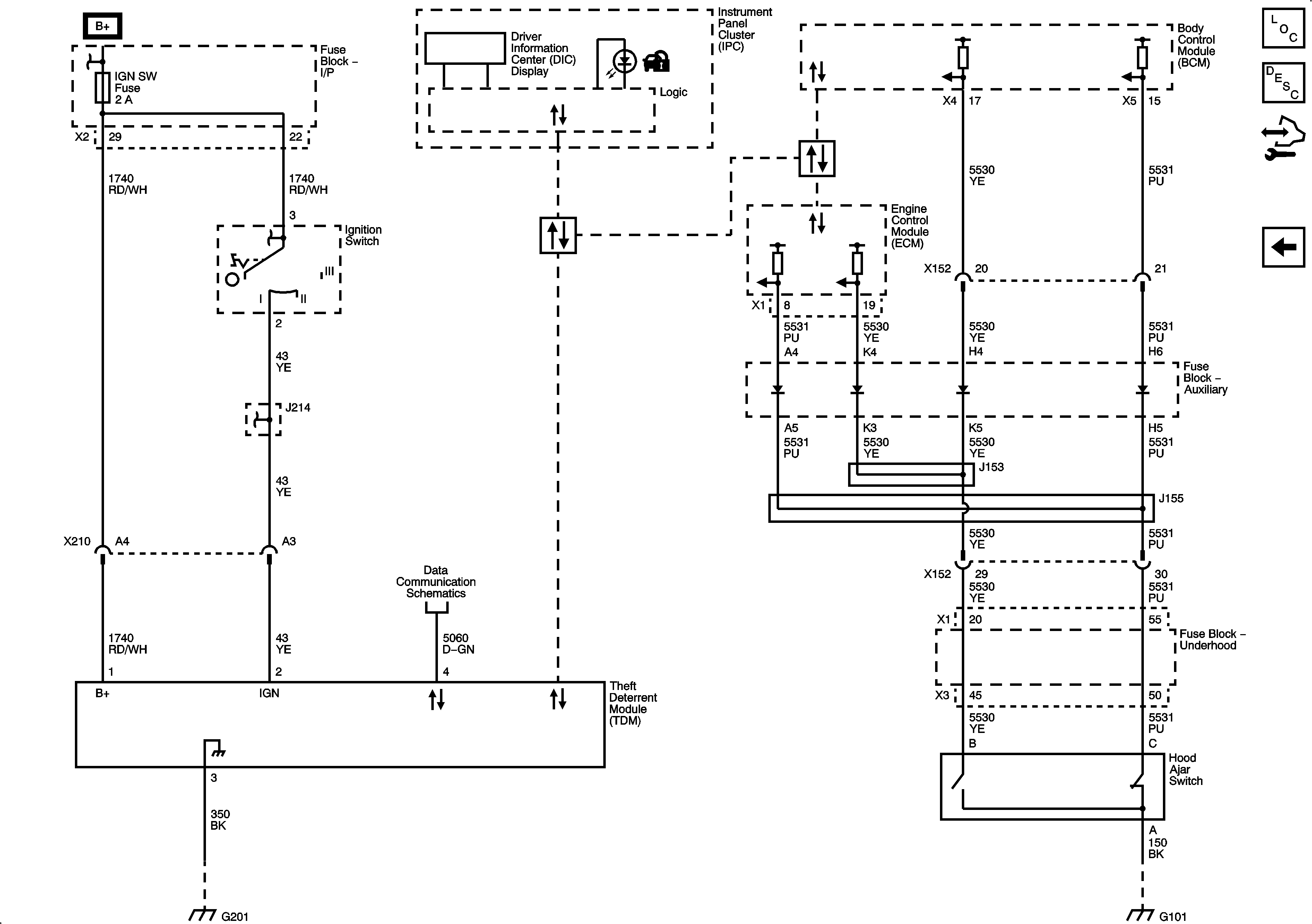
🢒 Immobilizer Schematics
Figure
1:
Figure
2:
Immobilizer (HP5)