GM Service Manual Online
For 1990-2009 cars only
Makes
🢒
Saturn
🢒
2009
🢒
VUE - FWD
🢒
Safety and Security
🢒
Supplemental Inflatable Restraints
🢒 SIR Schematics
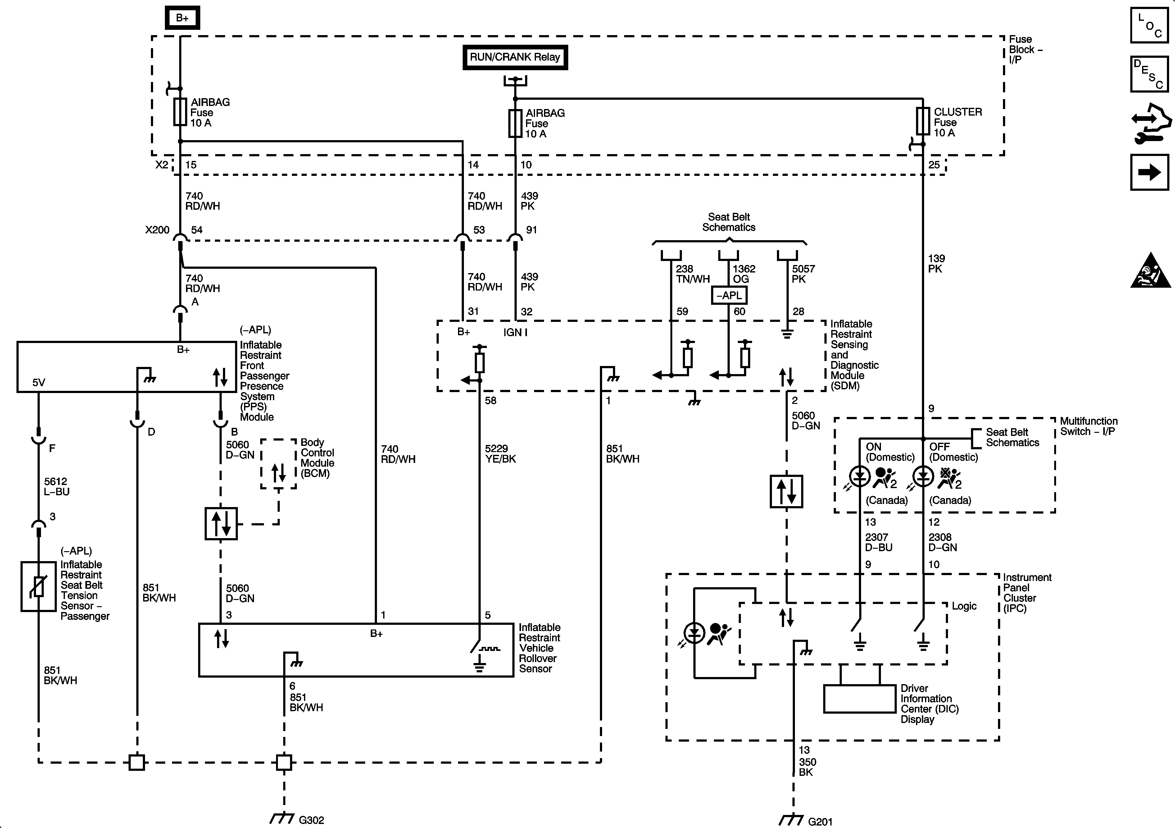
Figure
1:
Module Power, Ground and Data Communications
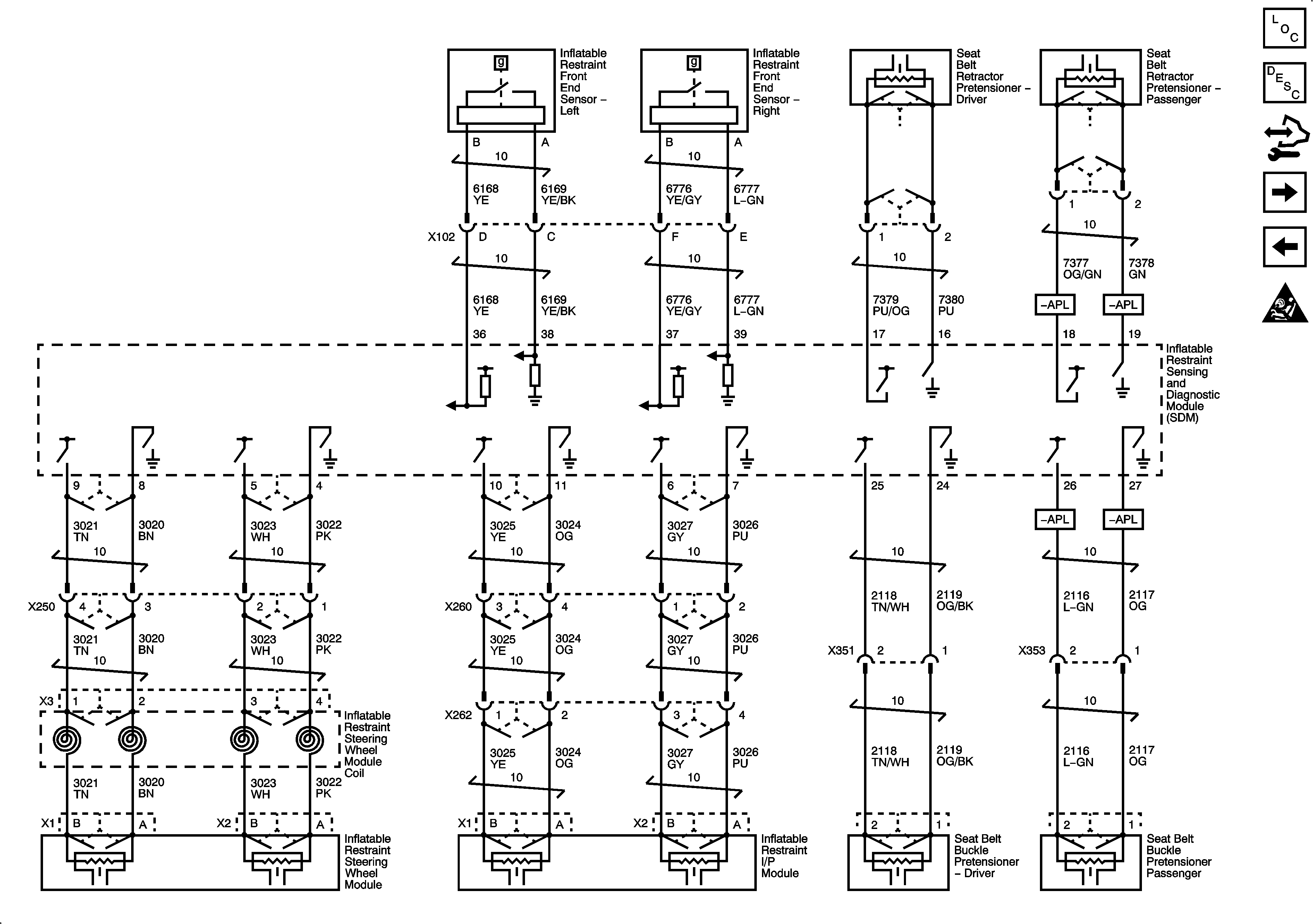
Figure
2:
Front Sensors, Seat Belt Pretensioners
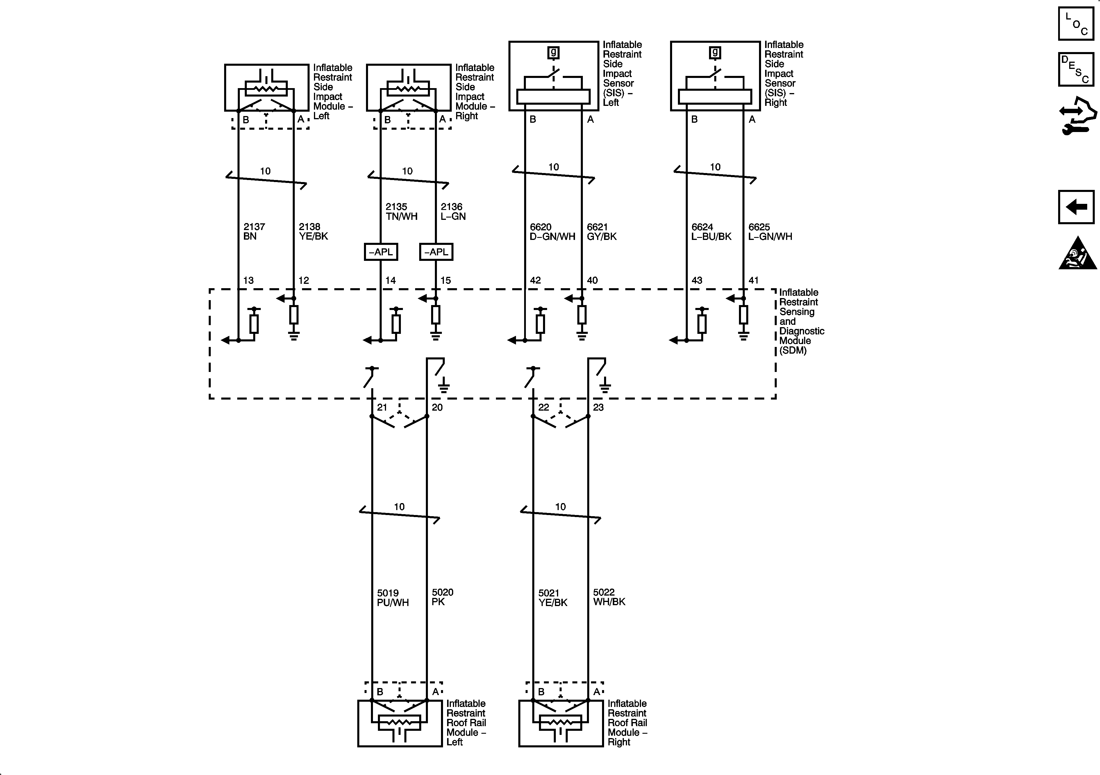
Figure
3:
Roof Rail Modules and Side Impact Sensors