GM Service Manual Online
For 1990-2009 cars only
Makes
🢒
Suzuki
🢒
2007
🢒
XL-7 AWD
🢒
Body Systems
🢒
Lighting
🢒 Exterior Lights Schematics
Figure
1:
Left Park Lamps
Master Electrical Component List
Exterior Lighting Systems Description and Operation
Control Module References
Licence Lamps and Right Park Lamps Schematics
B+ BUS 2 of 2
B+ BUS 2 of 2
G201
G101
G401
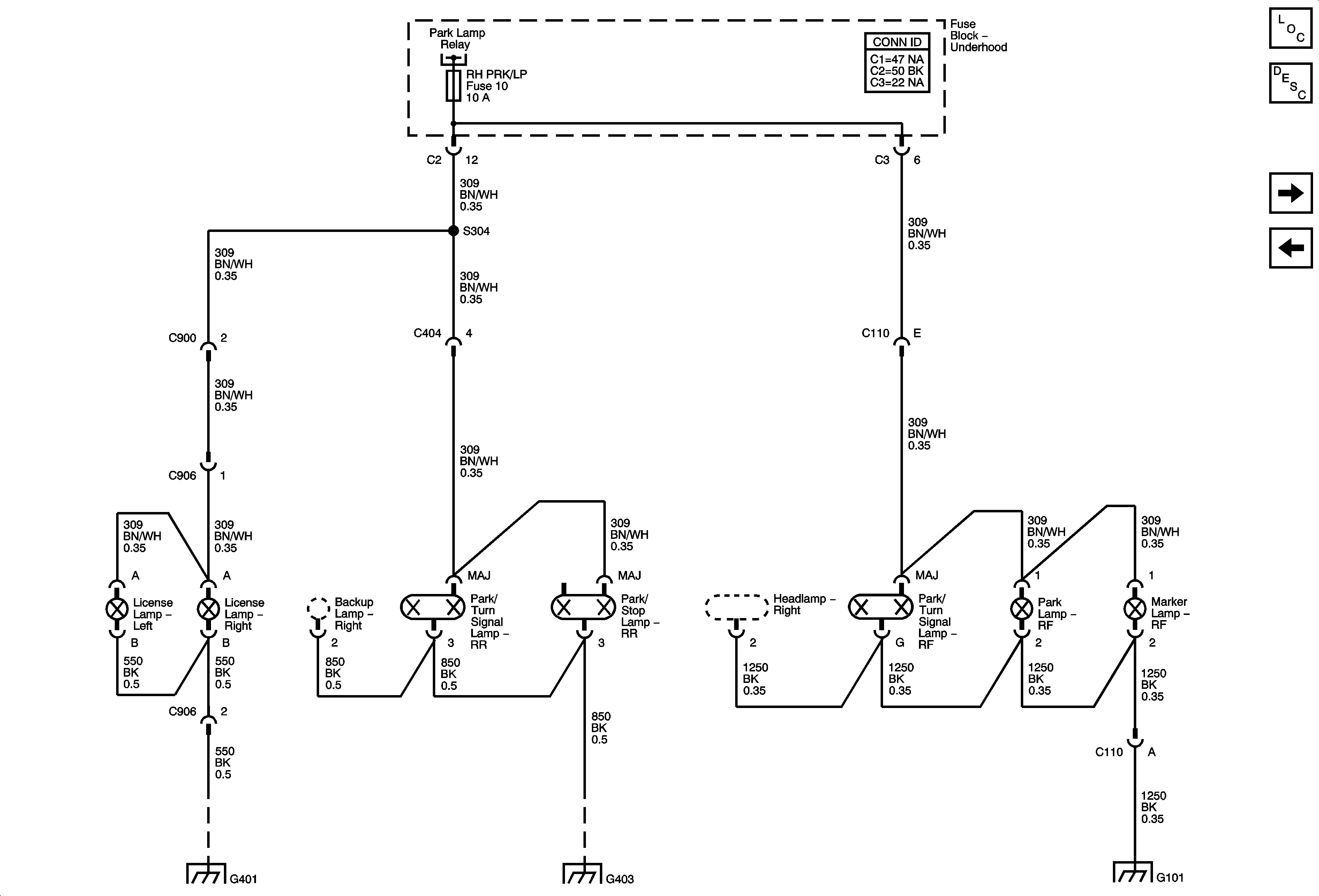
Figure
2:
License Lamps, Right Park Lamps
Master Electrical Component List
Exterior Lighting Systems Description and Operation
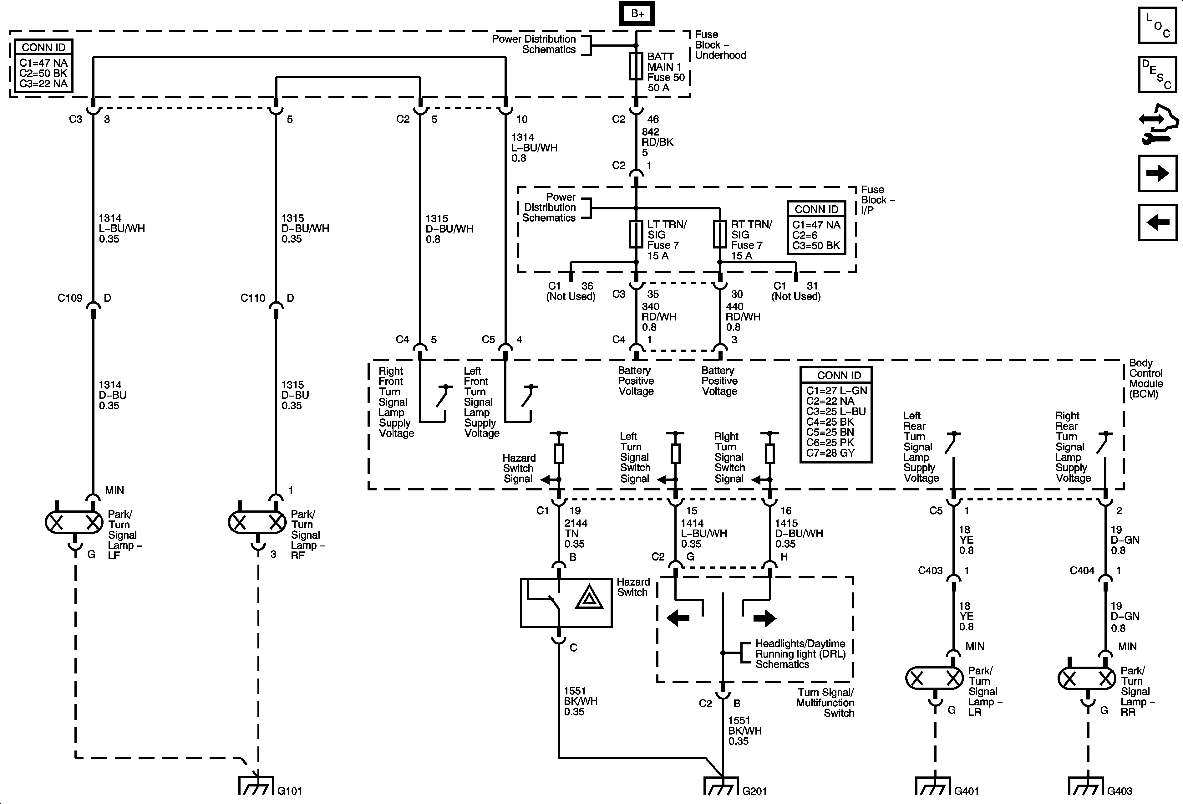
Turn Signal Lamps Schematics
Left Park Lamps Schematics
G401
G403
G101
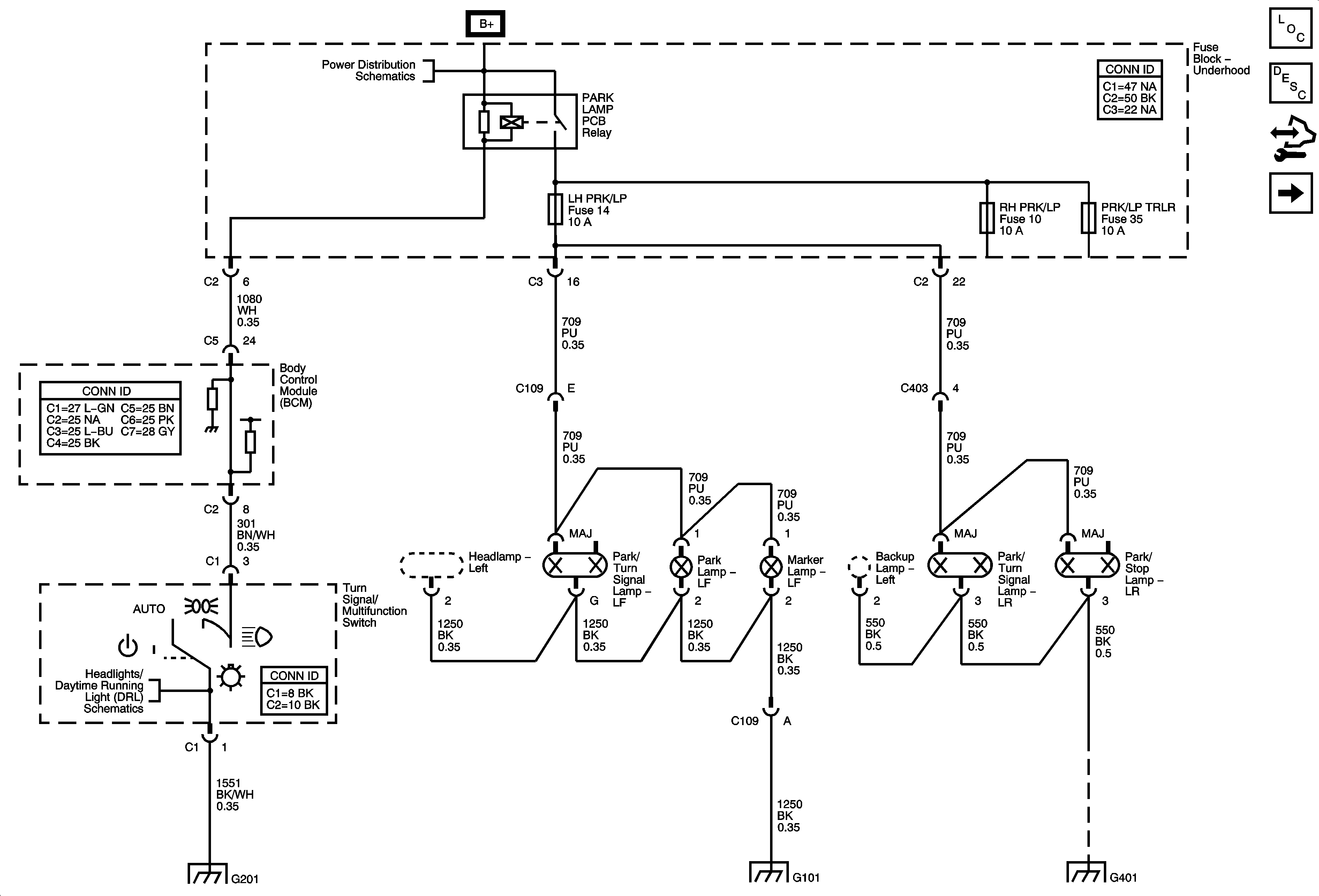
Figure
3:
Turn Signal Lamps
Master Electrical Component List
Exterior Lighting Systems Description and Operation
Control Module References
Stop Lamps Schematics
Licence Lamps and Right Park Lamps Schematics
B+ BUS 1 of 2
G101
G201
G401
G403
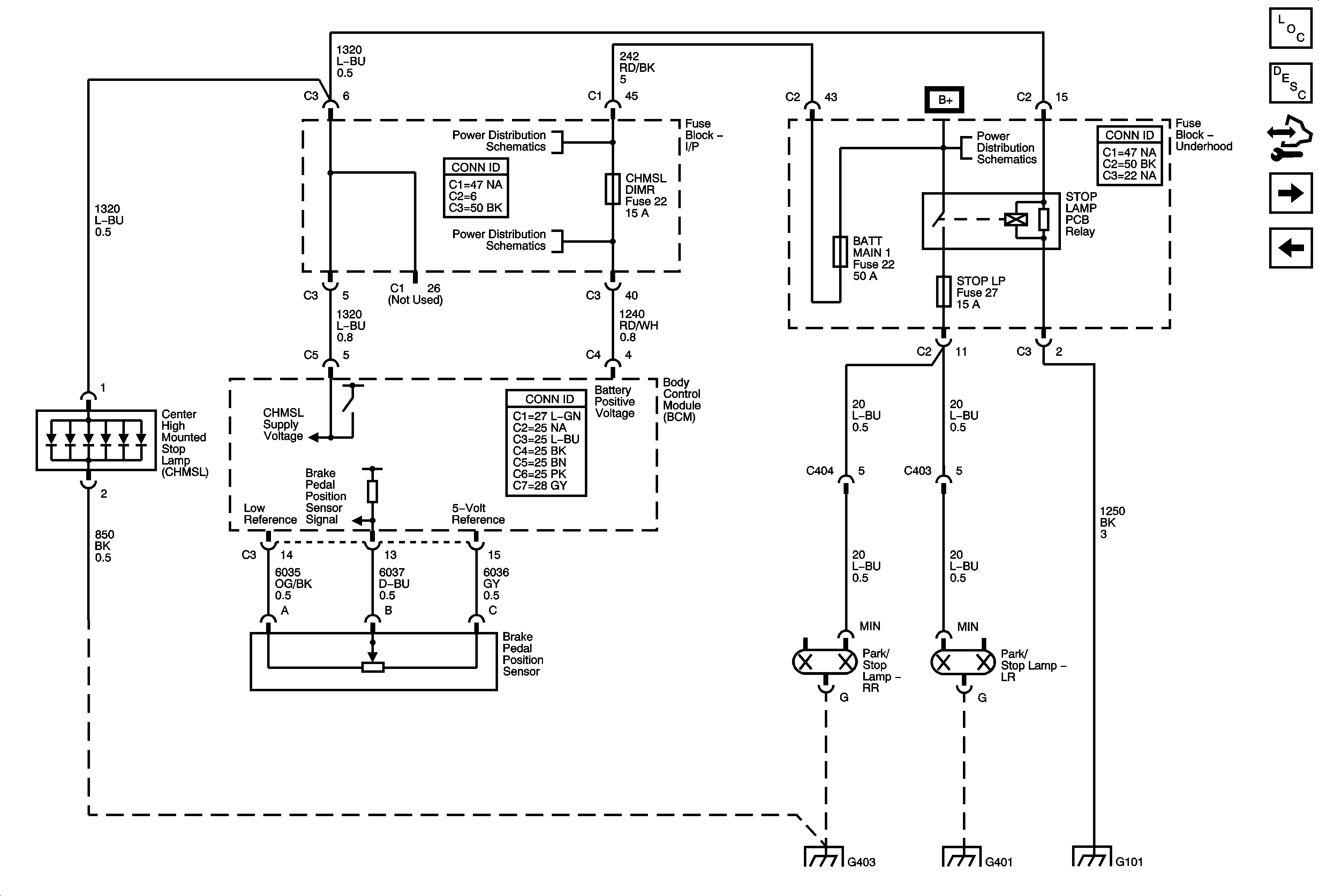
Figure
4:
Stop Lamps
Master Electrical Component List
Exterior Lighting Systems Description and Operation
Control Module References
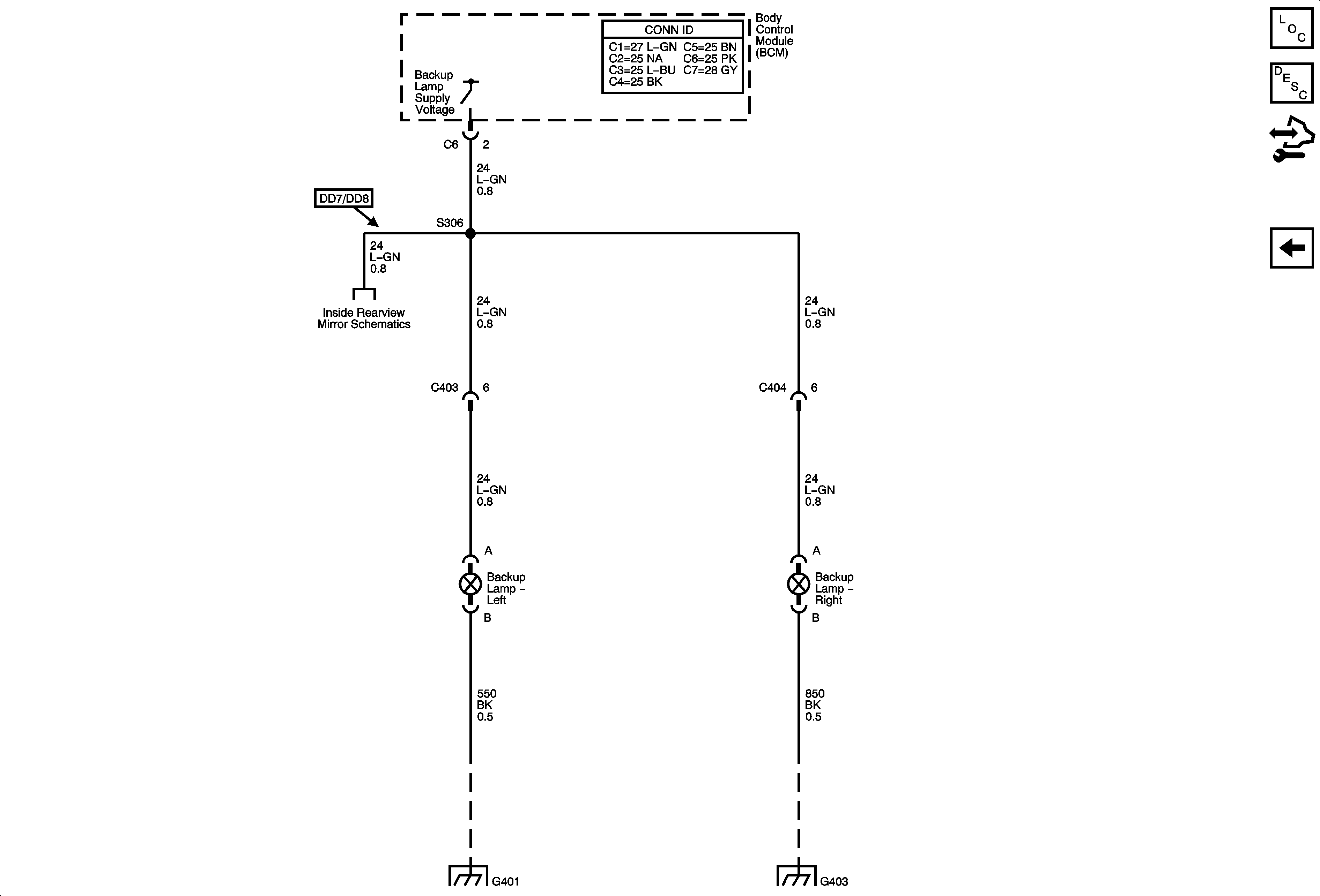
Backup Lamps Schematics
Turn Signal Lamps Schematics
BATT MAIN 1, CAN VENT, CLSTR, HVAC BLOWER, INFO, INT LTS, ONSTAR, REAR DEFOG, AND RVC Fuses
BATT MAIN 1, CAN VENT, CLSTR, HVAC BLOWER, INFO, INT LTS, ONSTAR, REAR DEFOG, AND RVC Fuses
B+ BUS 2 of 2
G403
G401
G101
Figure
5:
Backup Lamps
Master Electrical Component List
Exterior Lighting Systems Description and Operation
Control Module References
Stop Lamps Schematics
Inside Rearview Mirror
G401
G403
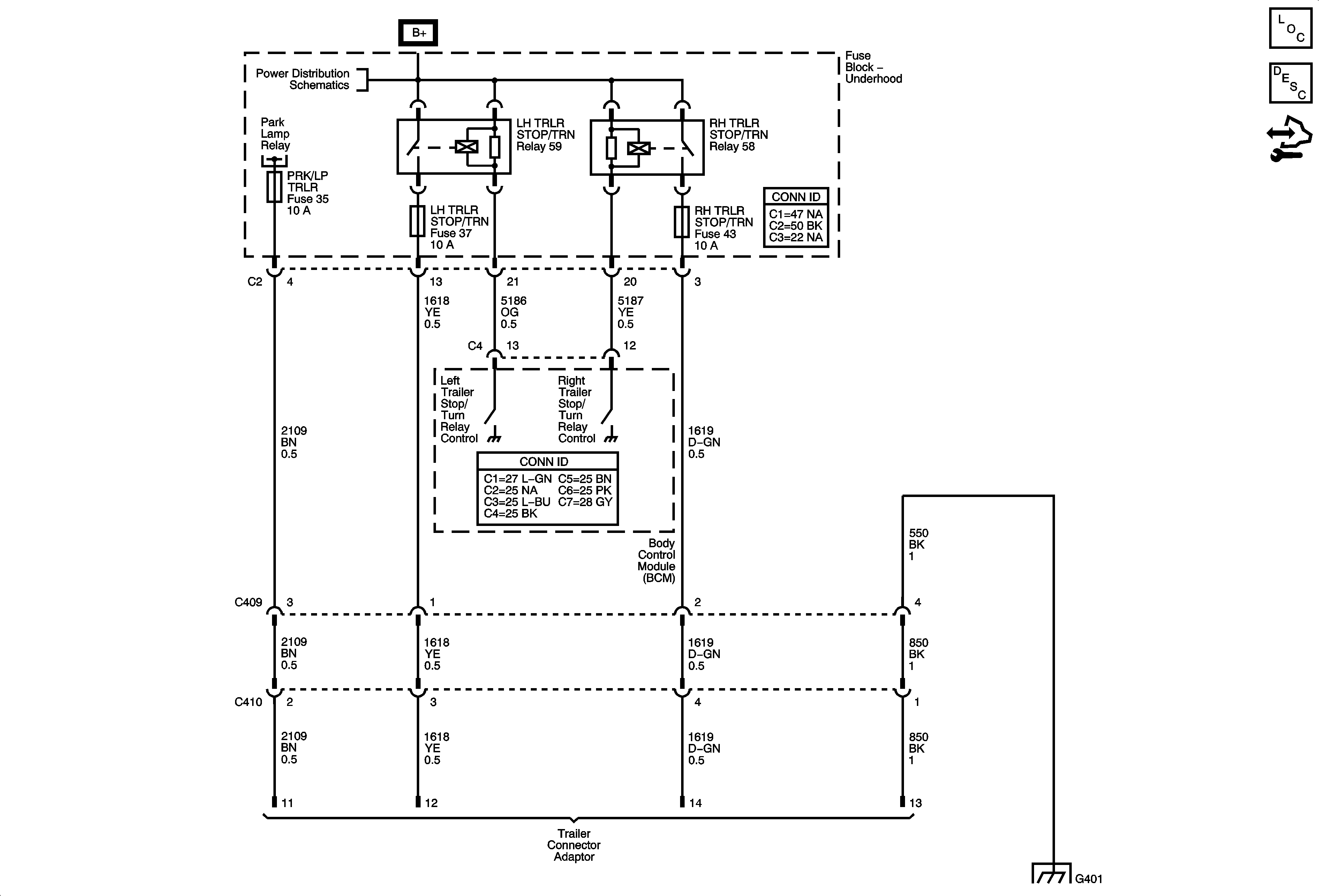
Figure
6:
Trailer Tow Connector
Master Electrical Component List
Exterior Lighting Systems Description and Operation
Control Module References
B+ BUS 1 of 2
G401