GM Service Manual Online
For 1990-2009 cars only

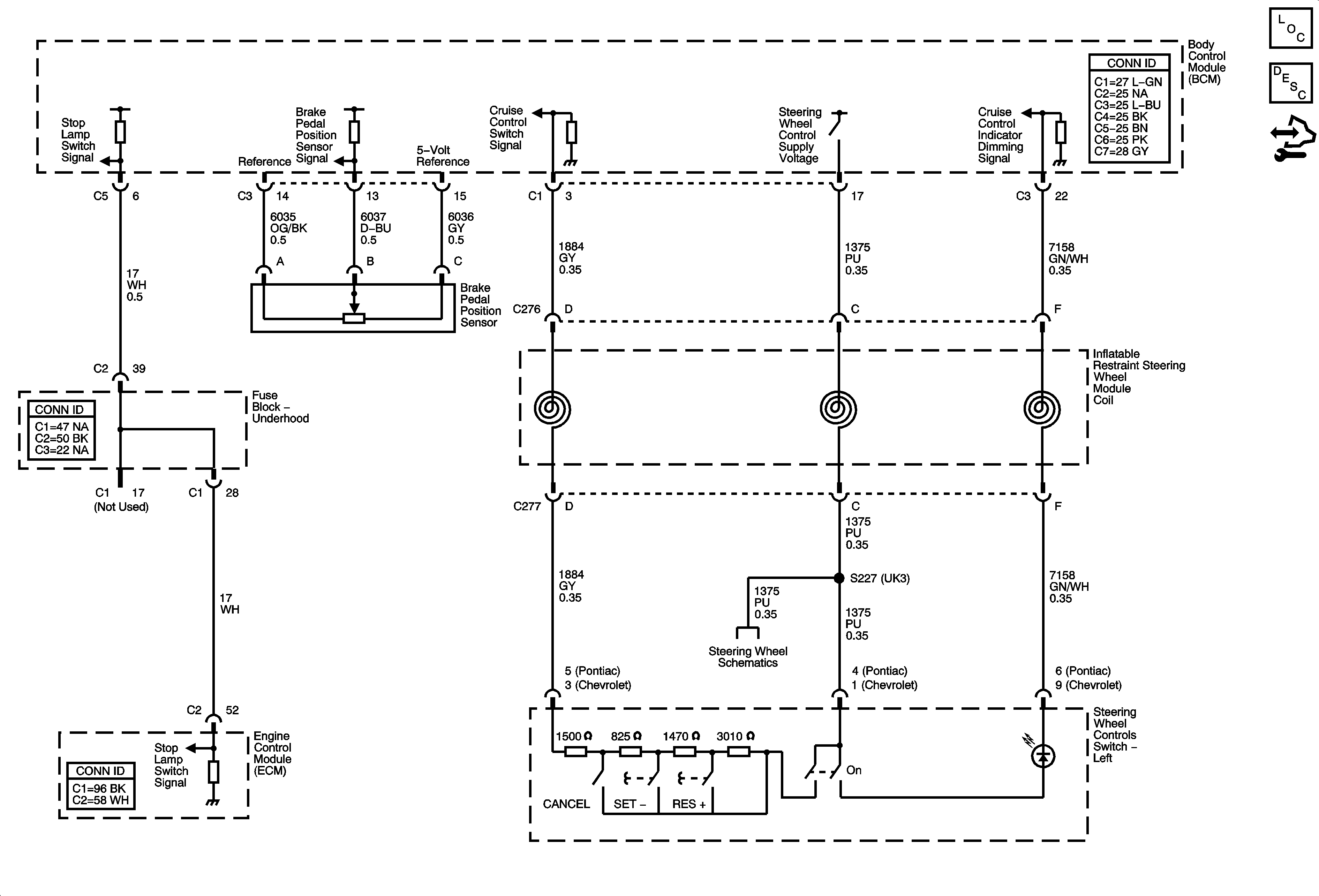
Remote Radio Steering Wheel Controls (UK3)


Object Number: 1861294  Size: FS
Master Electrical Component List
Steering Wheel Controls Description and Operation
Control Module References