GM Service Manual Online
For 1990-2009 cars only
Figure 1:

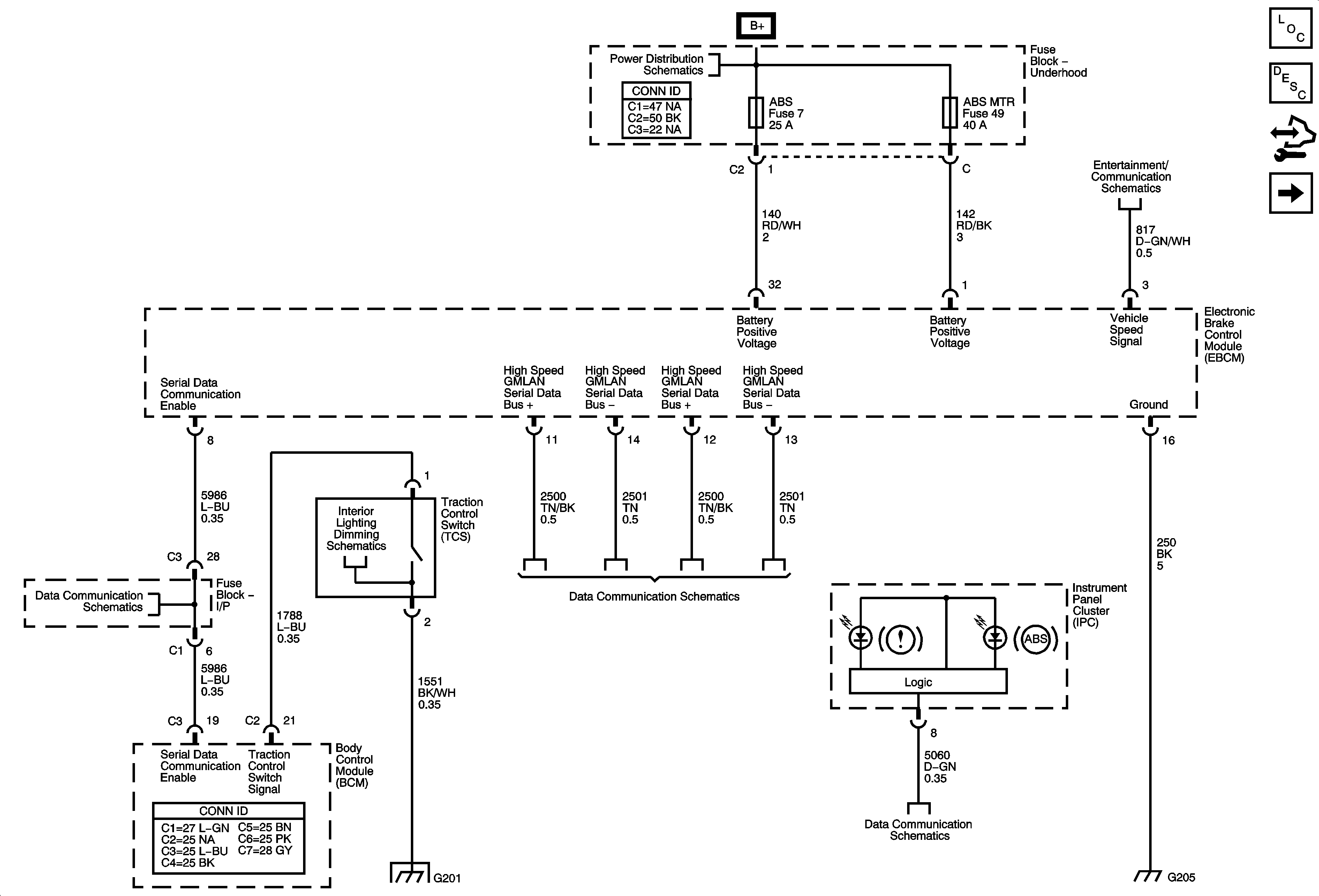
Serial Data, Traction Switch, and Instrument Panel


Object Number: 1860519  Size: FS
Master Electrical Component List
ABS Description and Operation
Control Module References
Wheel Speed Sensor
Power Distribution Schematics
Data Communication Schematics
G201
Data Communication Schematics
G203 and G205
Figure 2:

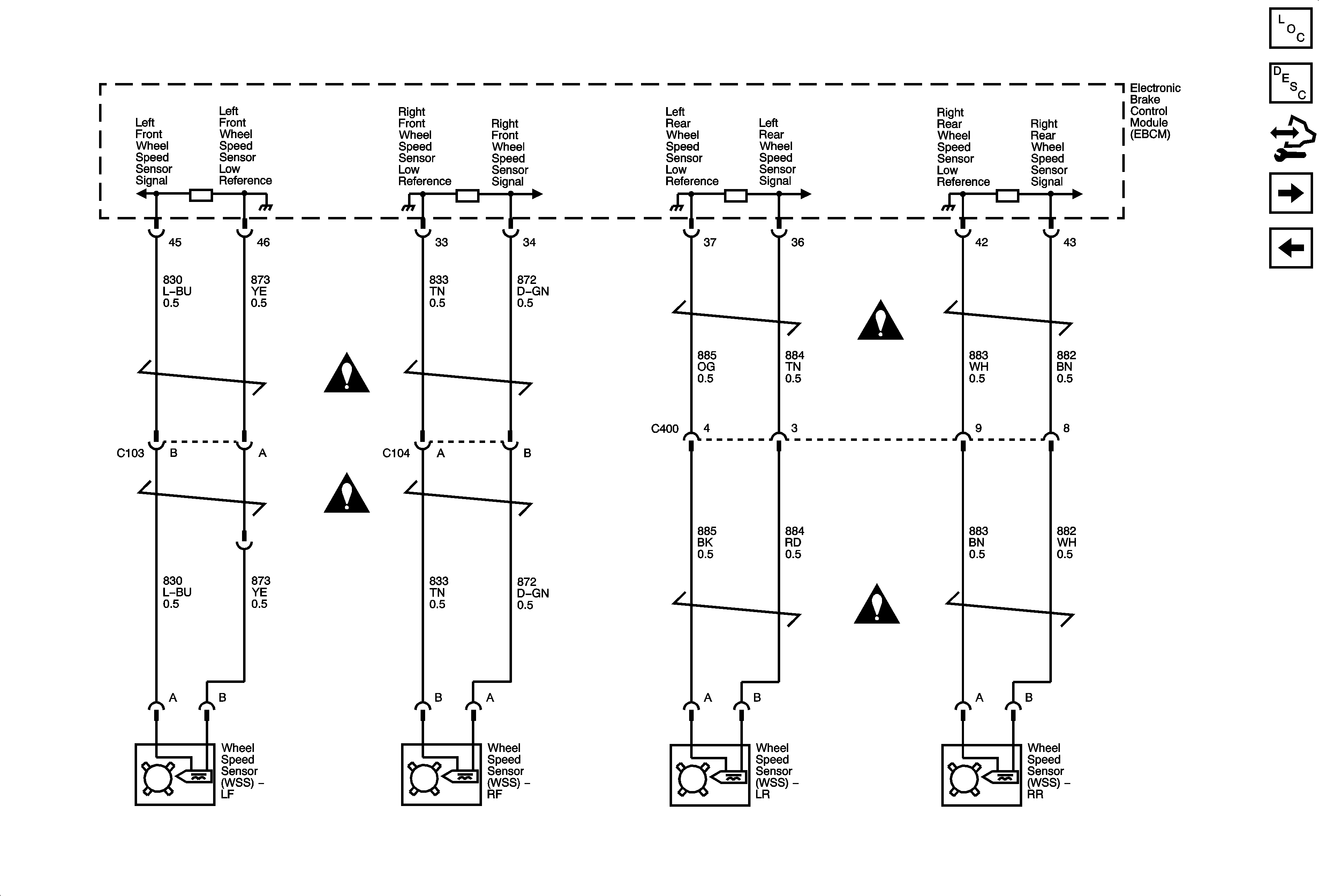
Wheel Speed Sensor


Object Number: 1860520  Size: FS
Master Electrical Component List
ABS Description and Operation
Control Module References
Yaw Rate and Lateral Accelerator Sensor, and Steering Angle Sensor
Serial Data, Traction Switch, and Instrument Panel
Figure 3:

Yaw Rate and Lateral Accelerator Sensor, and Steering Angle Sensor


Object Number: 1860521  Size: FS
Master Electrical Component List
ABS Description and Operation
Control Module References
Wheel Speed Sensor