GM Service Manual Online
For 1990-2009 cars only
Makes
🢒
Suzuki
🢒
2007
🢒
XL-7 AWD
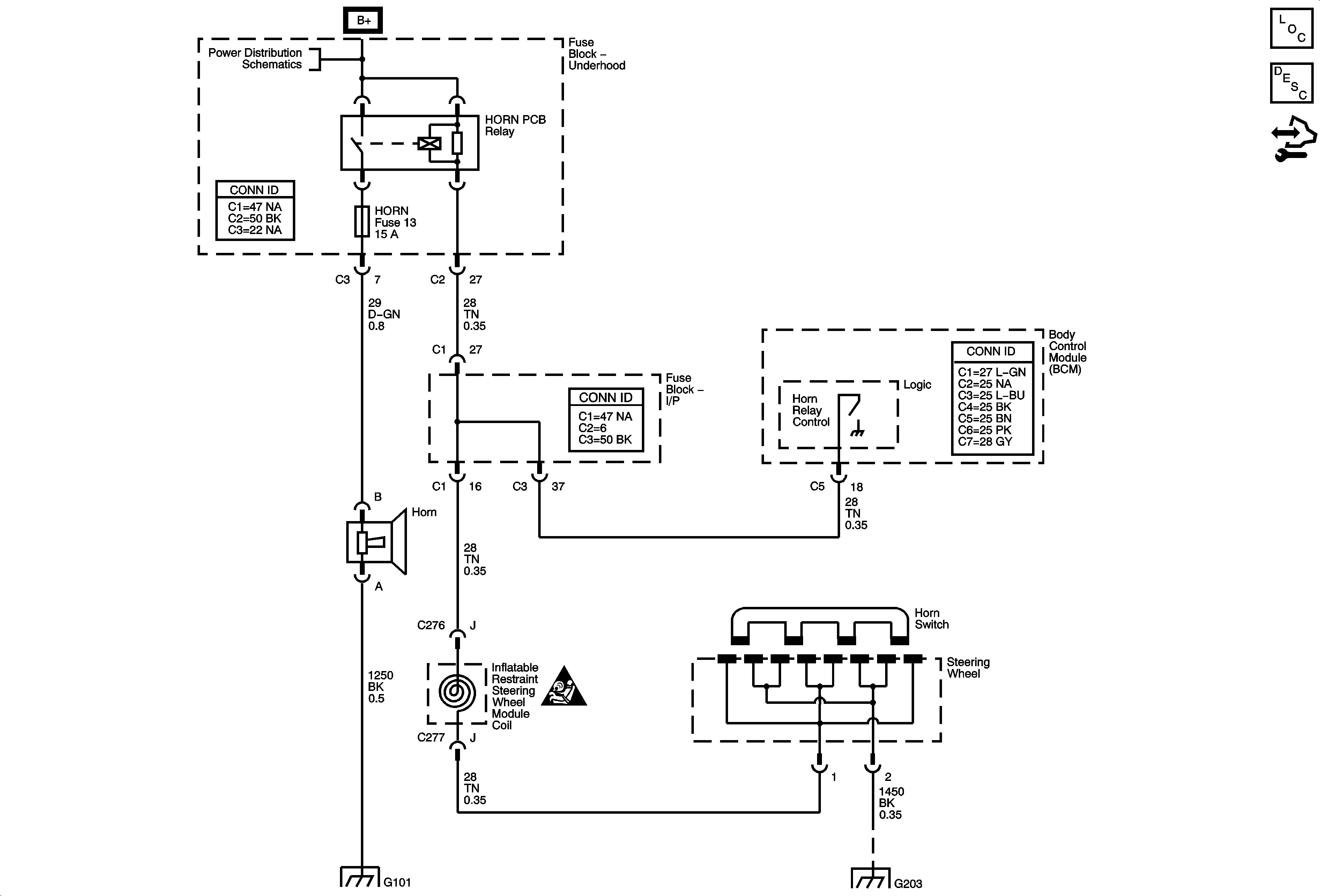
🢒 Horn
Horn
Master Electrical Component List
Horns System Description and Operation
Control Module References
B+ BUS 1 of 2
G101
G203 and G205