GM Service Manual Online
For 1990-2009 cars only

Removal Procedure

Important: 

   • Always use replacement cables that are of the same type, diameter and length of the cables that you are replacing.
   • Always route the replacement cable the same way as the original cable.


    Object Number: 1822394  Size: SH
  1. Remove the battery box. Refer to Battery Box Replacement .
  2. Disconnect the positive and negative battery cable clip (3) from the battery tray support bracket.
  3. Disconnect the positive and negative battery cable clip on the side of the battery tray support bracket.

  4. Object Number: 1822518  Size: SH
  5. Disconnect the negative battery cable electrical connector (7) from the body wiring harness electrical connector (2).
  6. Disconnect the body wiring harness electrical connector (4) from the battery current sensor (5).

  7. Object Number: 1822523  Size: SH
  8. Remove the negative battery cable ground terminal nut from the wheelhouse stud.
  9. Remove the negative battery cable ground terminal from the wheelhouse stud.

  10. Object Number: 1822524  Size: SH
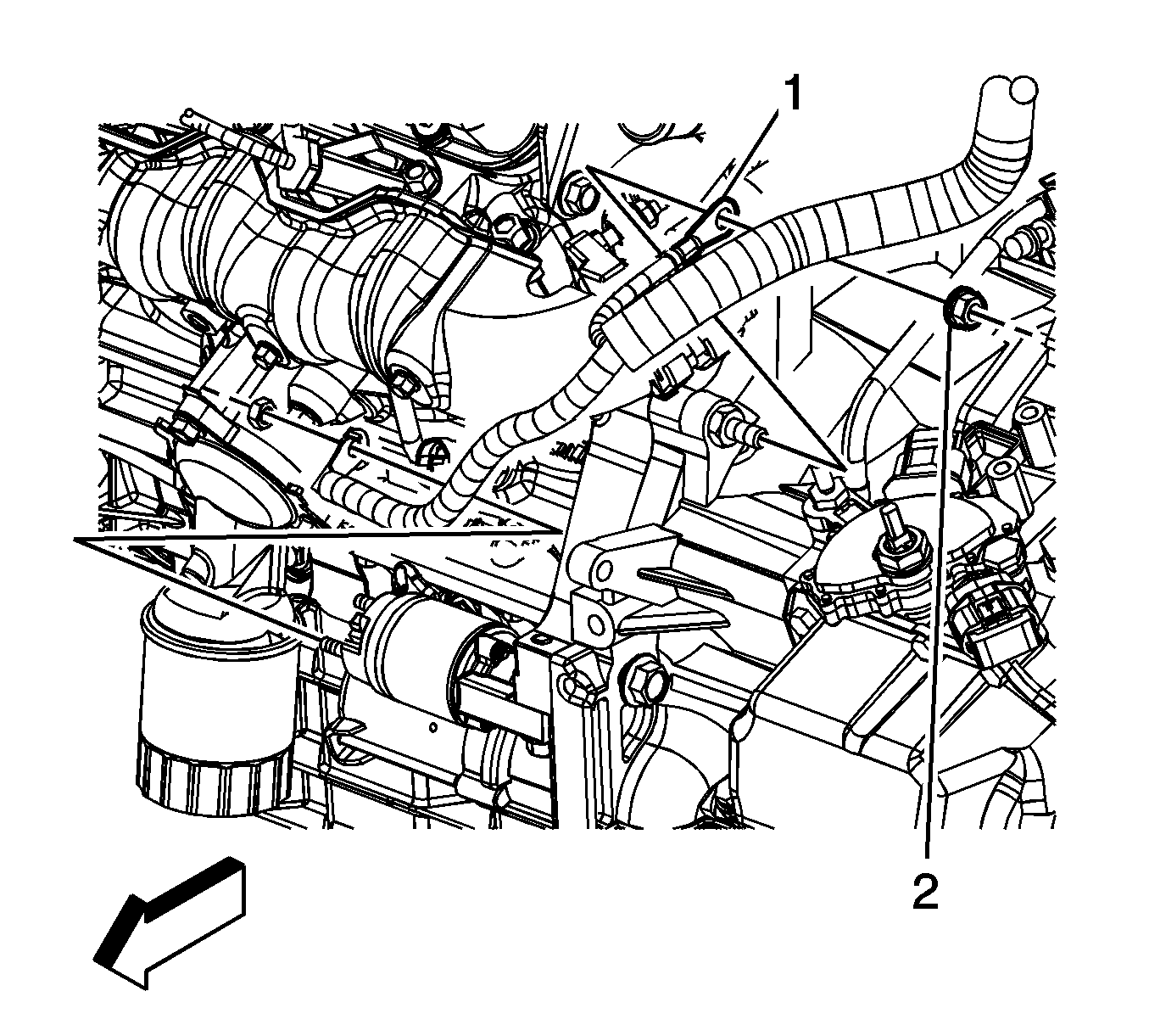
  11. Remove the negative battery cable ground terminal nut (2) from the transaxle stud.
  12. Remove the negative battery cable ground terminal (1) from the transaxle stud.
  13. Cut the tape and remove the negative battery cable from the wiring loom.

Installation Procedure


    Object Number: 1822524  Size: SH
  1. Install the negative battery cable to the wiring loom and re-tape the loom.
  2. Install the negative battery cable ground terminal (1) to the transaxle stud.
  3. Notice: Refer to Fastener Notice in the Preface section.

  4. Install the negative battery cable ground terminal nut (2) to the transaxle stud.
  5. Tighten
    Tighten the nut to 45 N·m (33 lb ft).


    Object Number: 1822523  Size: SH
  6. Install the negative battery cable ground terminal to the wheelhouse stud.
  7. Install the negative battery cable ground terminal nut to the wheelhouse stud.
  8. Tighten
    Tighten the nut to 12 N·m (106 lb in).


    Object Number: 1822518  Size: SH
  9. Connect the body wiring harness electrical connector (4) to the battery current sensor (5).
  10. Connect the negative battery cable electrical connector (7) to the body wiring harness electrical connector (2).

  11. Object Number: 1822394  Size: SH
  12. Connect the positive and negative battery cable clip (3) to the battery tray support bracket.
  13. Connect the positive and negative battery cable clip to the side of the battery tray support bracket.
  14. Install the battery box. Refer to Battery Box Replacement .