GM Service Manual Online
For 1990-2009 cars only
Makes
🢒
Suzuki
🢒
2008
🢒
XL-7 AWD
🢒
Diagnostic Navigation
🢒
Vehicle Diagnostic Information
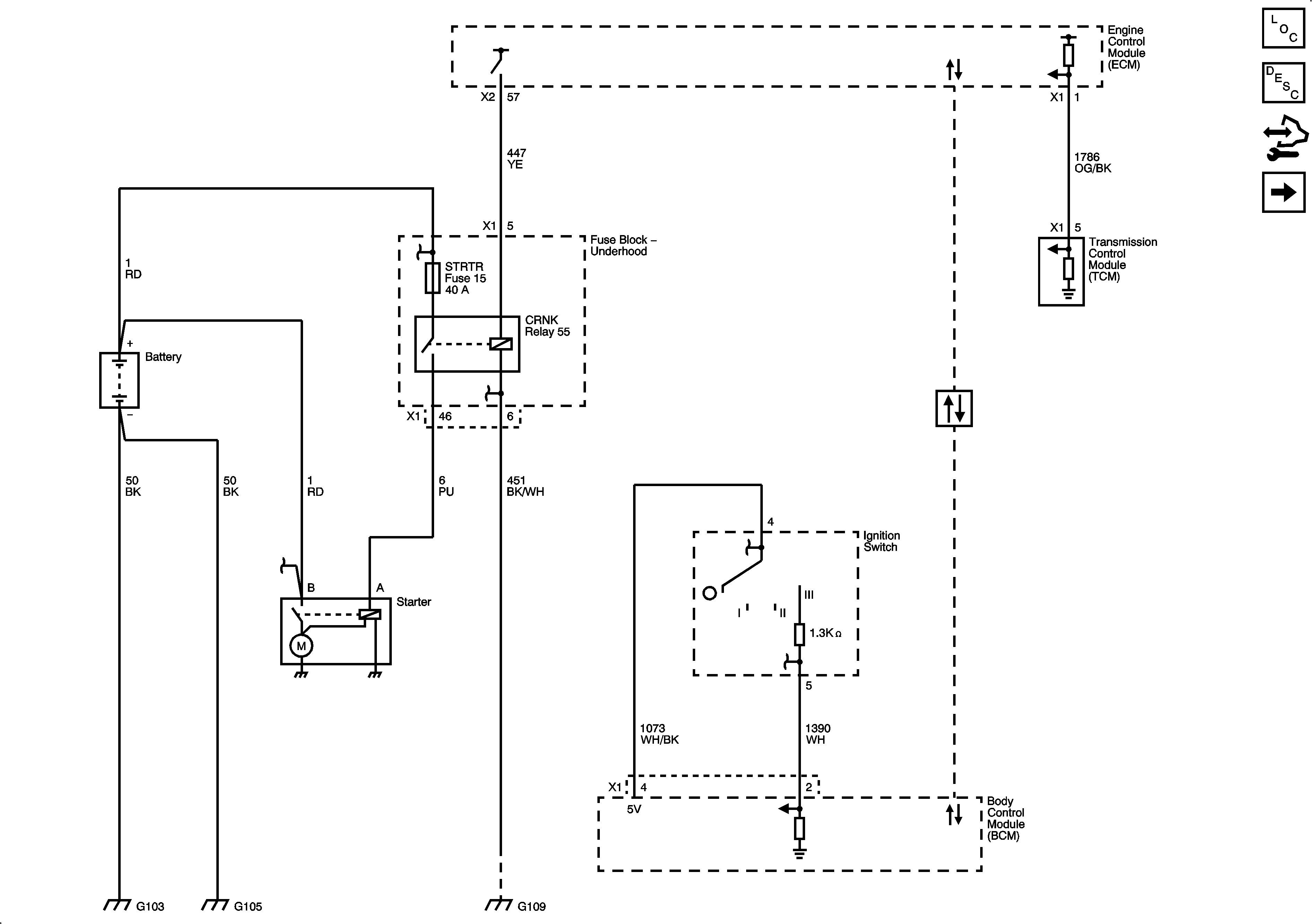
🢒 Starting and Charging Schematics
Figure
1:
Starting
Master Electrical Component List
Starting System Description and Operation
Control Module References
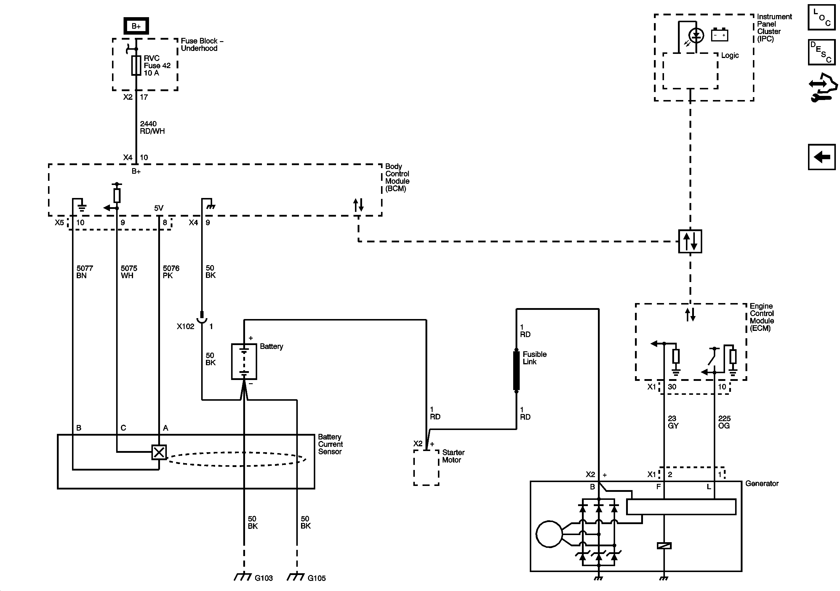
Charging
Figure
2:
Charging
Master Electrical Component List
Charging System Description and Operation
Control Module References
Starting