GM Service Manual Online
For 1990-2009 cars only
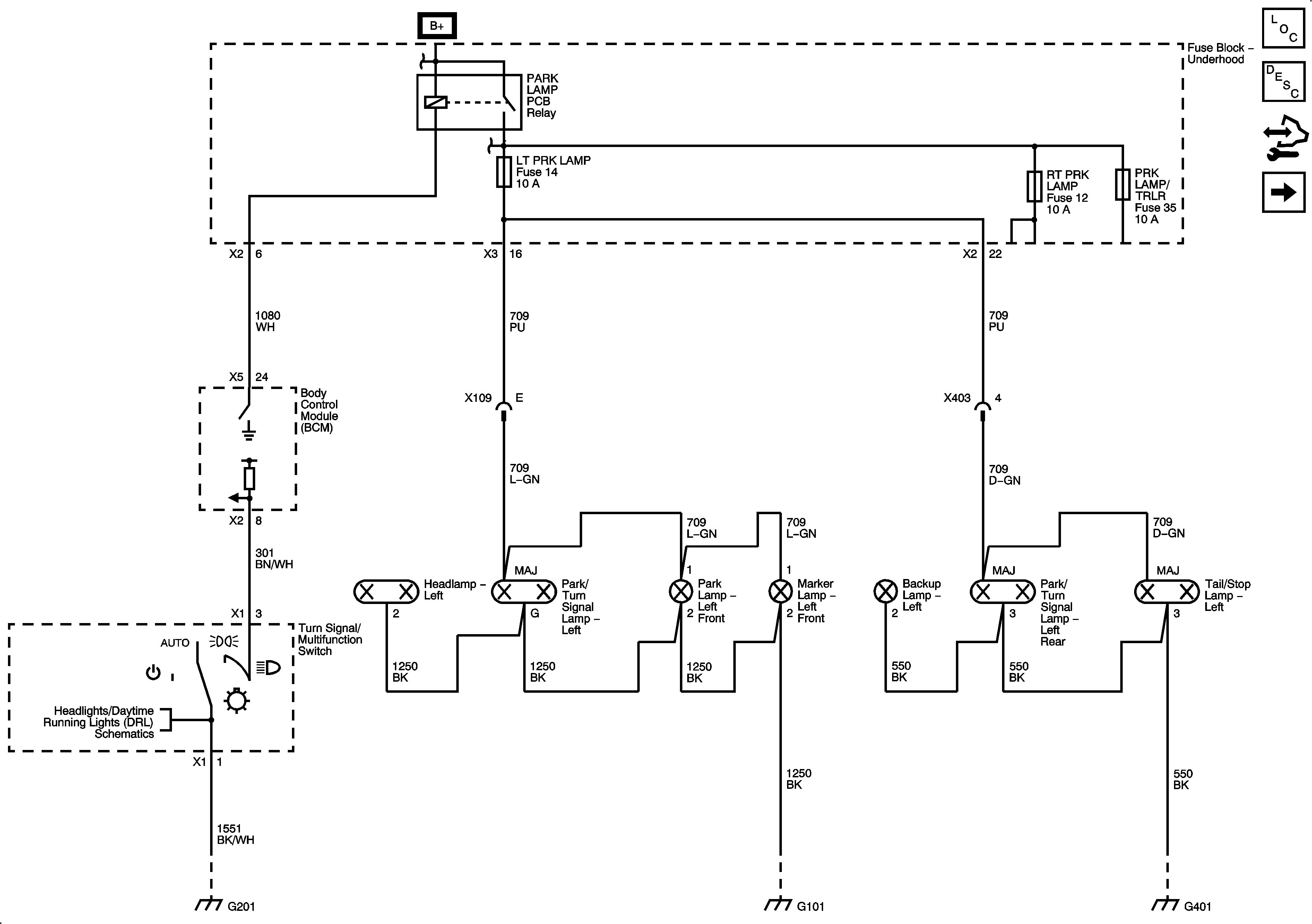
Figure 1:

Left Park Lamps


Object Number: 1914042  Size: FS
Master Electrical Component List
Exterior Lighting Systems Description and Operation
Control Module References
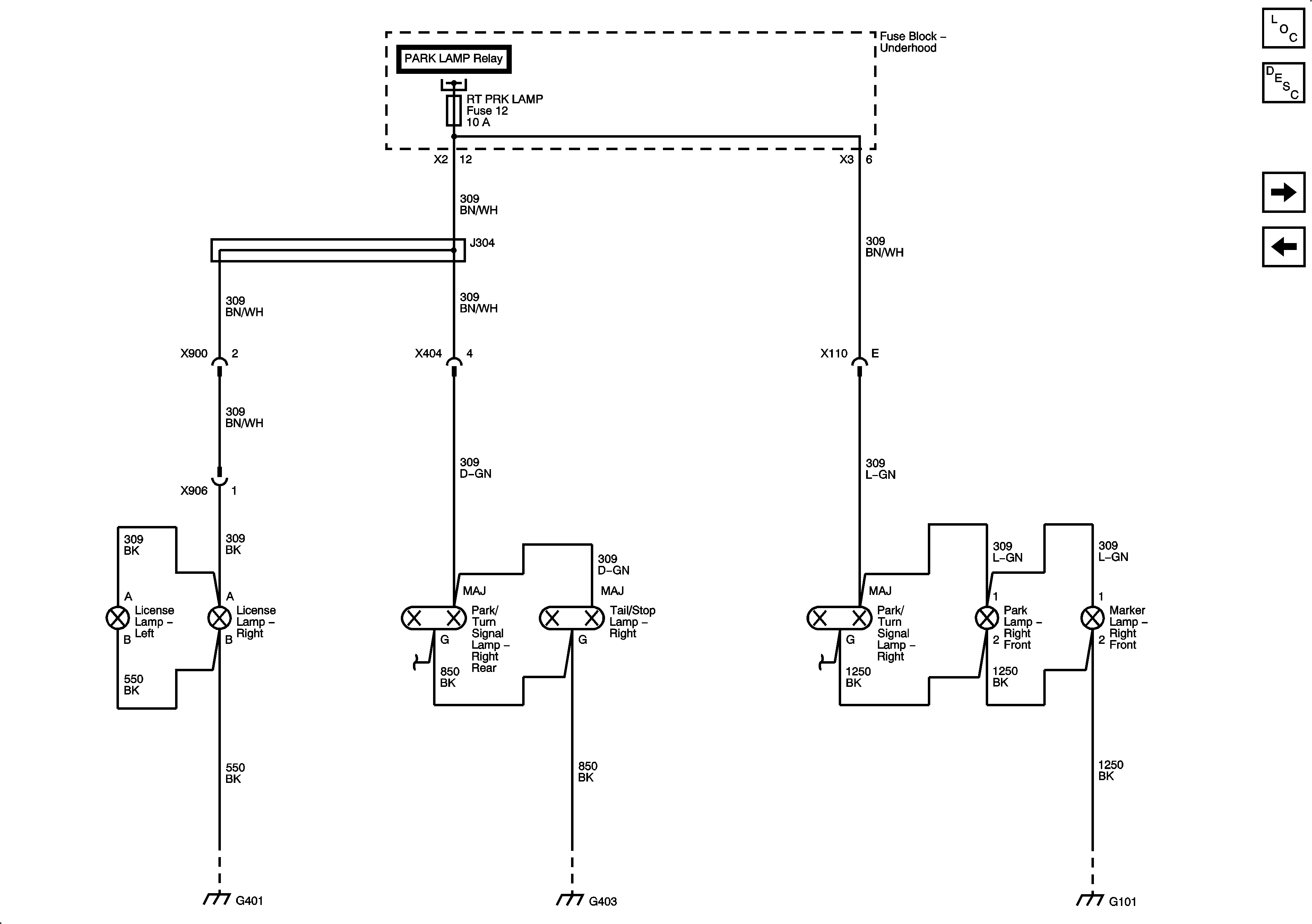
Licence Lamps and Right Park Lamps
Figure 2:

License Lamps, Right Park Lamps


Object Number: 1914044  Size: FS
Master Electrical Component List
Exterior Lighting Systems Description and Operation
Control Module References
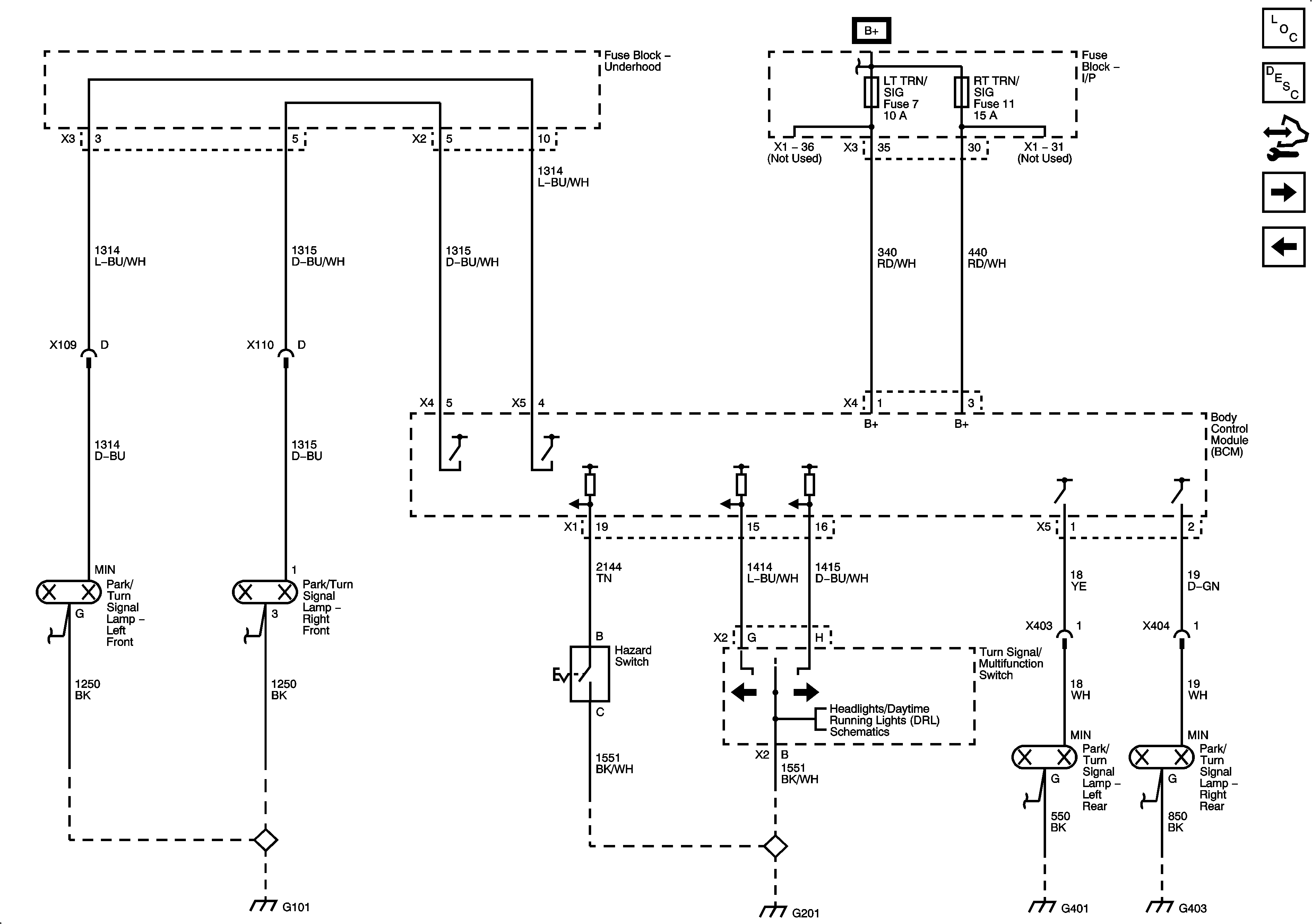
Turn Signal Lamps
Left Park Lamps
Figure 3:

Turn Signal Lamps


Object Number: 1914045  Size: FS
Master Electrical Component List
Exterior Lighting Systems Description and Operation
Control Module References
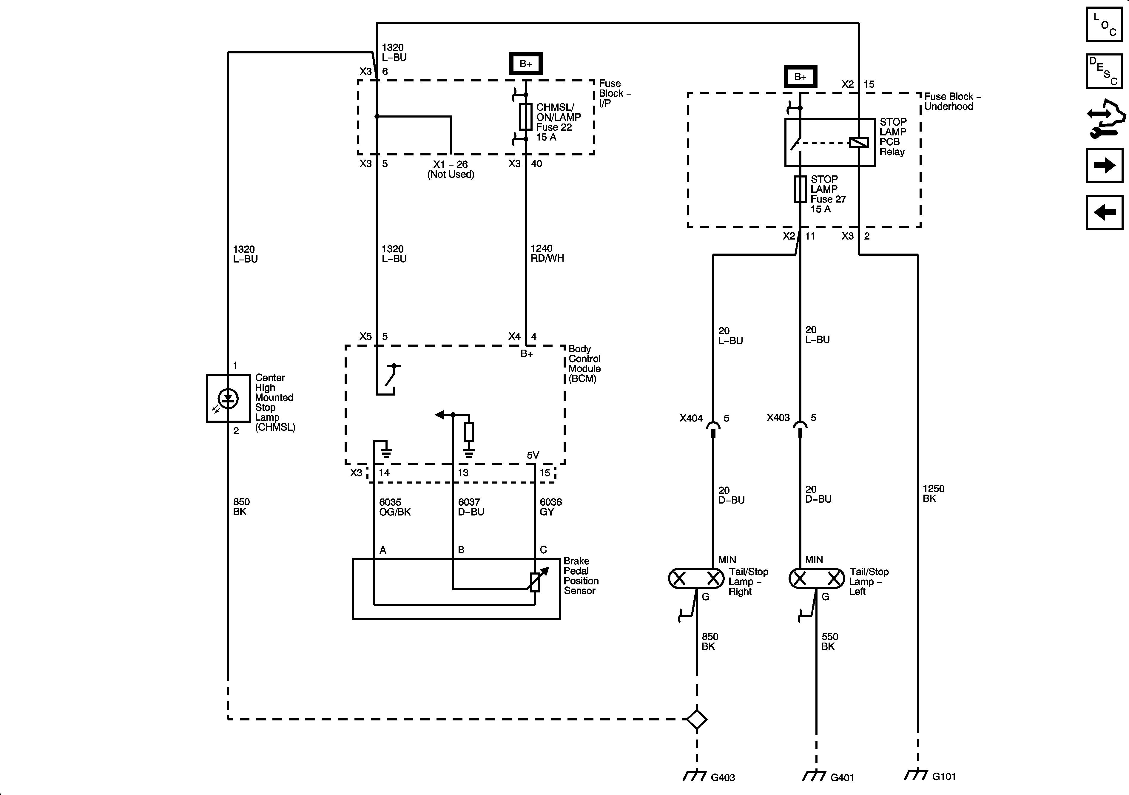
Stop Lamps
Licence Lamps and Right Park Lamps
Figure 4:

Stop Lamps


Object Number: 1914046  Size: FS
Master Electrical Component List
Exterior Lighting Systems Description and Operation
Control Module References
Backup Lamps
Turn Signal Lamps
Figure 5:

Backup Lamps


Object Number: 1914048  Size: FS
Master Electrical Component List
Exterior Lighting Systems Description and Operation
Control Module References
Stop Lamps