GM Service Manual Online
For 1990-2009 cars only
Makes
🢒
Suzuki
🢒
2008
🢒
XL-7 AWD
🢒
Diagnostic Navigation
🢒
Vehicle Diagnostic Information
🢒 Automatic Transmission Controls Schematics
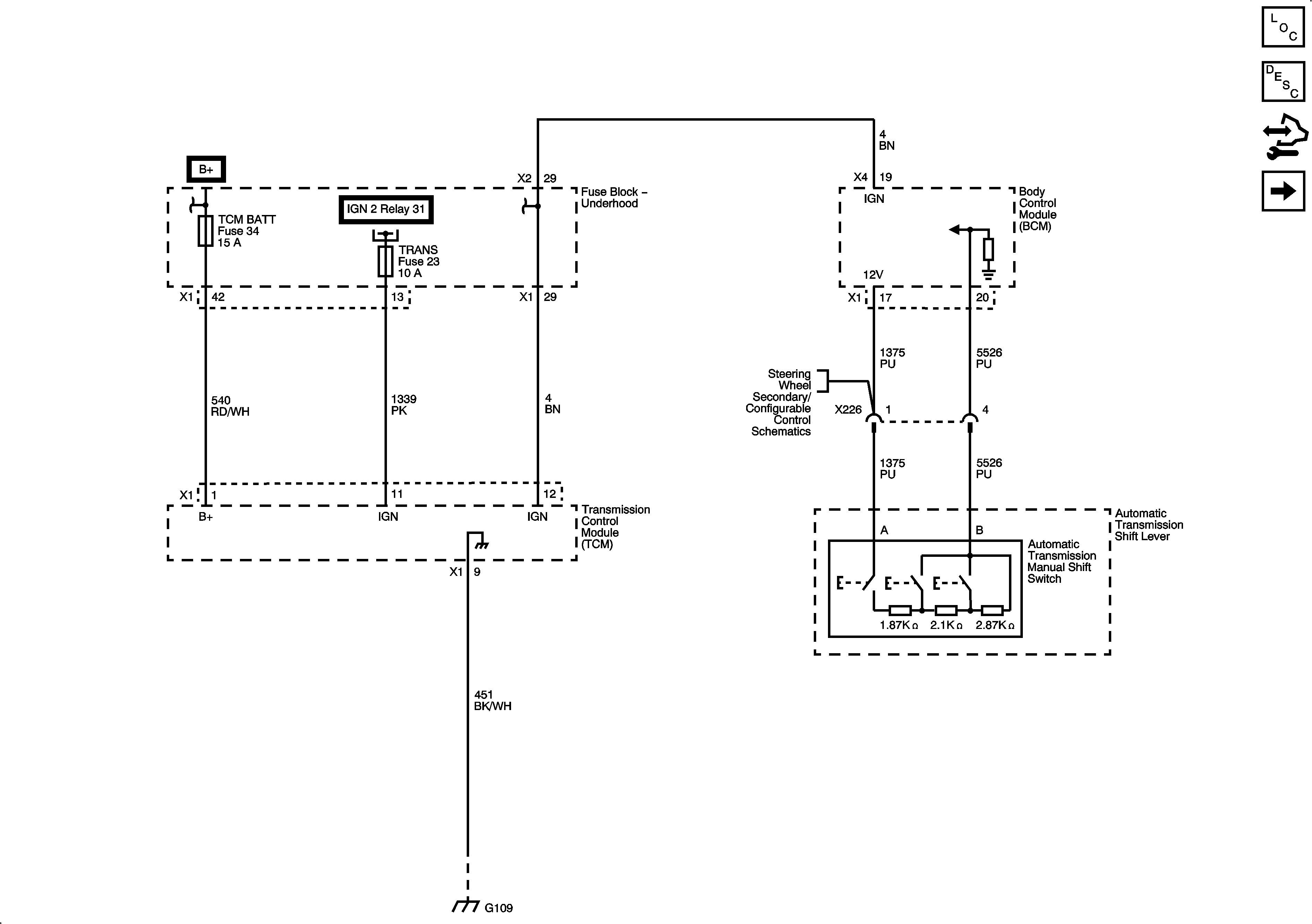
Figure
1:
Power and Ground
Master Electrical Component List
Transmission Component and System Description
Control Module References
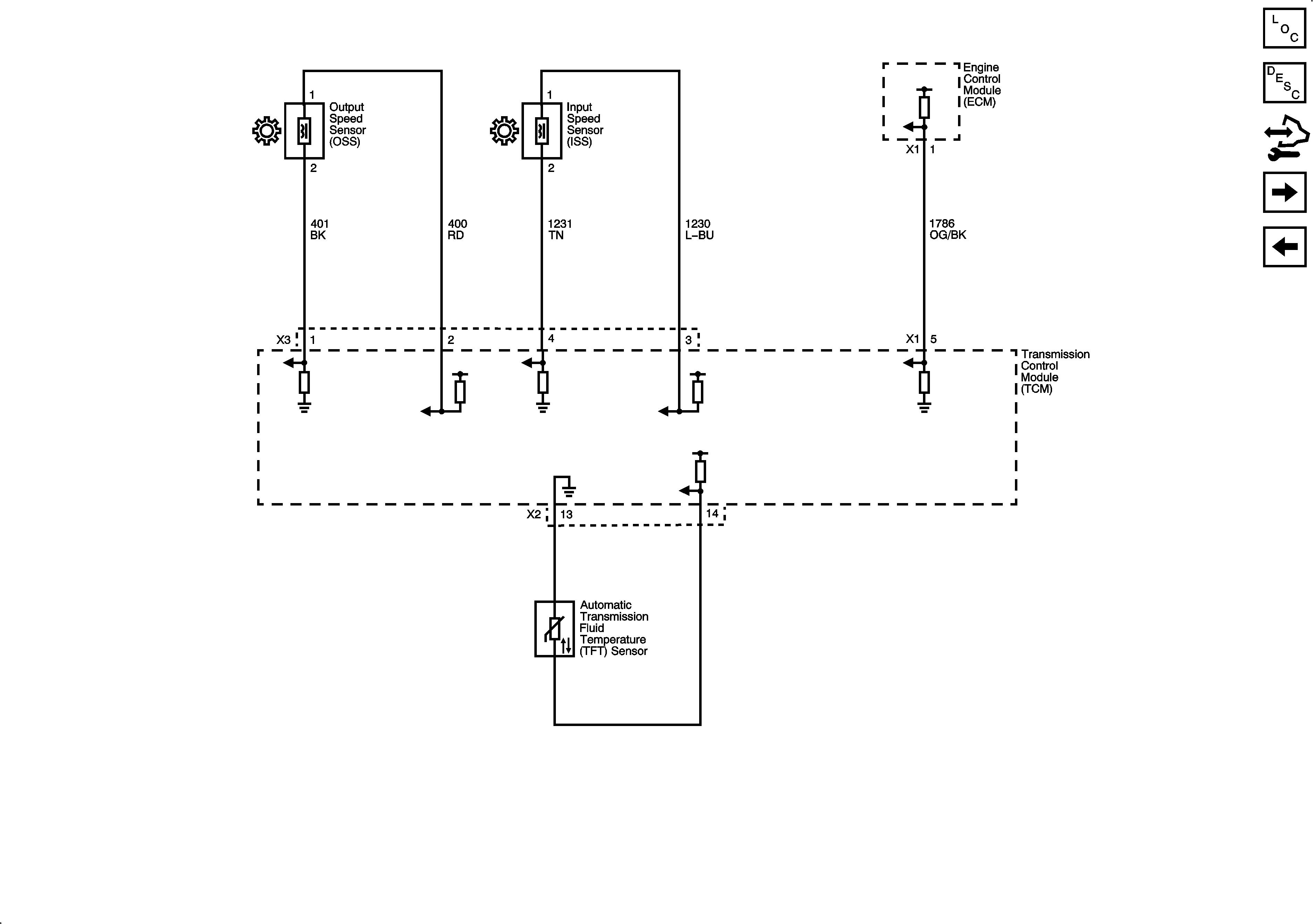
ISS, OSS, and TFT Sensors
Figure
2:
ISS, OSS, and TFT Sensors
Master Electrical Component List
Transmission Component and System Description
Control Module References
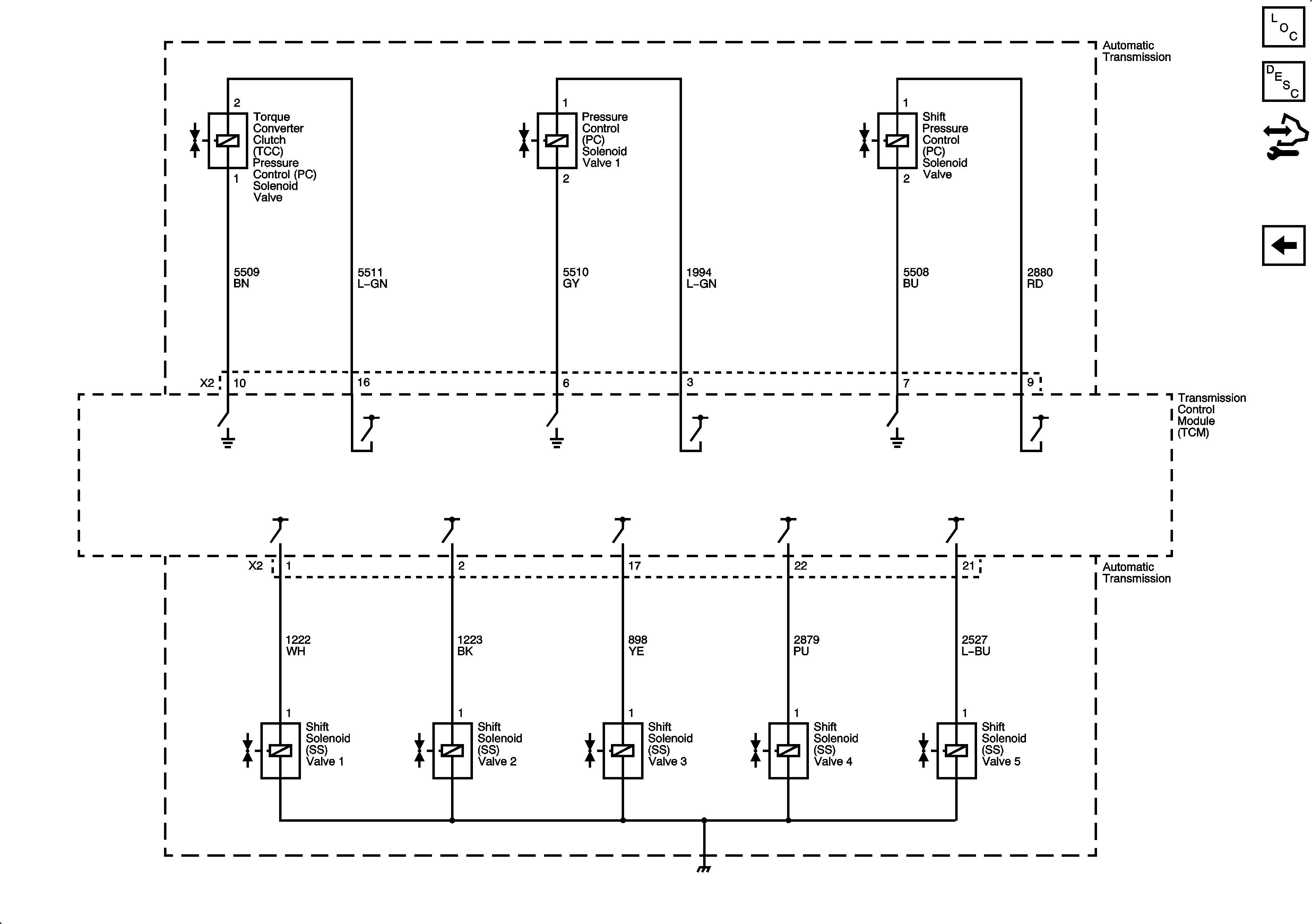
Shift and Pressure Solenoids
Power and Ground
Figure
3:
Shift and Pressure Solenoids
Master Electrical Component List
Transmission Component and System Description
Control Module References
ISS, OSS, and TFT Sensors