GM Service Manual Online
For 1990-2009 cars only

Tools Required

DT-47599 Anchor Bolt Socket


    Object Number: 874455  Size: SH
  1. Install the third gear band assembly (16) into the transmission case assembly making sure that the band tangs are located at the servo pin.

  2. Object Number: 1828020  Size: SH
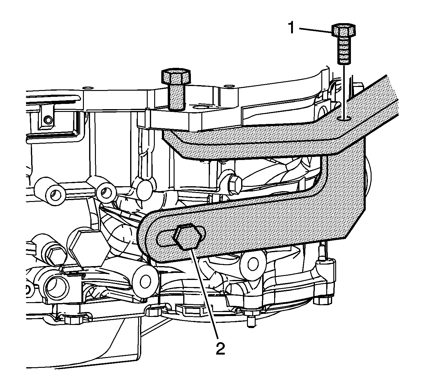
  3. Remove the bolt (1) from the holding fixture and loosen bolt (2), to allow access.

  4. Object Number: 1828025  Size: SH
  5. Inspect the anchor bolt and the bolt hole.
  6. Apply automatic transmission fluid to a new O-ring (65).
  7. Notice: Use the correct fastener in the correct location. Replacement fasteners must be the correct part number for that application. Fasteners requiring replacement or fasteners requiring the use of thread locking compound or sealant are identified in the service procedure. Do not use paints, lubricants, or corrosion inhibitors on fasteners or fastener joint surfaces unless specified. These coatings affect fastener torque and joint clamping force and may damage the fastener. Use the correct tightening sequence and specifications when installing fasteners in order to avoid damage to parts and systems.

  8. Install the new O-ring and third gear band anchor bolt (64) using DT-47599 .
  9. Tighten
    Tighten the anchor bolt to 167 N·m (123 lb ft).


    Object Number: 1828020  Size: SH
  10. Reinstall the holding fixture bolt (1) and tighten bolt (2) for the holding fixture.