GM Service Manual Online
For 1990-2009 cars only
Figure 1:

B+ BUS - 1 of 2


Object Number: 1914319  Size: FS
Master Electrical Component List
Control Module References
B+ BUS 2 of 2
Figure 2:

B+ BUS - 2 of 2


Object Number: 1914321  Size: FS
Master Electrical Component List
Control Module References
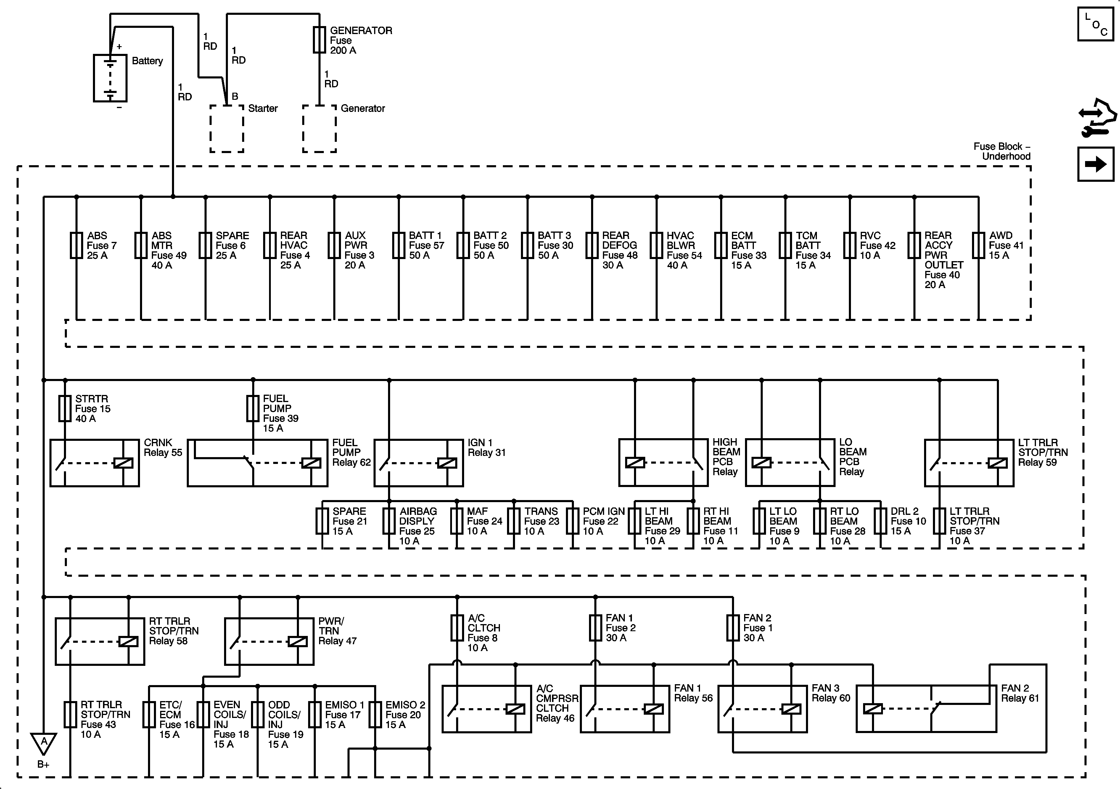
ABS, ABS MTR, AUX PWR, AWD, ECMBAT, PWR OUTLET, REAR APO, REAR HVAC, and TCM BAT Fuses
B+ BUS 1 of 2
Figure 3:

ABS, ABS MTR, AUX PWR, AWD, ECMBAT, PWR OUTLET, REAR APO, REAR HVAC, and TCM BAT Fuses


Object Number: 1914324  Size: FS
Master Electrical Component List
Control Module References
BATT MAIN1, CAN VENT, CLSTR, HVAC BLOWER, INFO, INT LTS, ONSTAR, REAR DEFOG, and RVC Fuses
B+ BUS 2 of 2
Figure 4:

BATT MAIN 1, CAN VENT, CLSTR, HVAC BLOWER, INFO, INT LTS, ONSTAR, REAR DEFOG and RVC Fuses


Object Number: 1914326  Size: FS
Master Electrical Component List
Control Module References
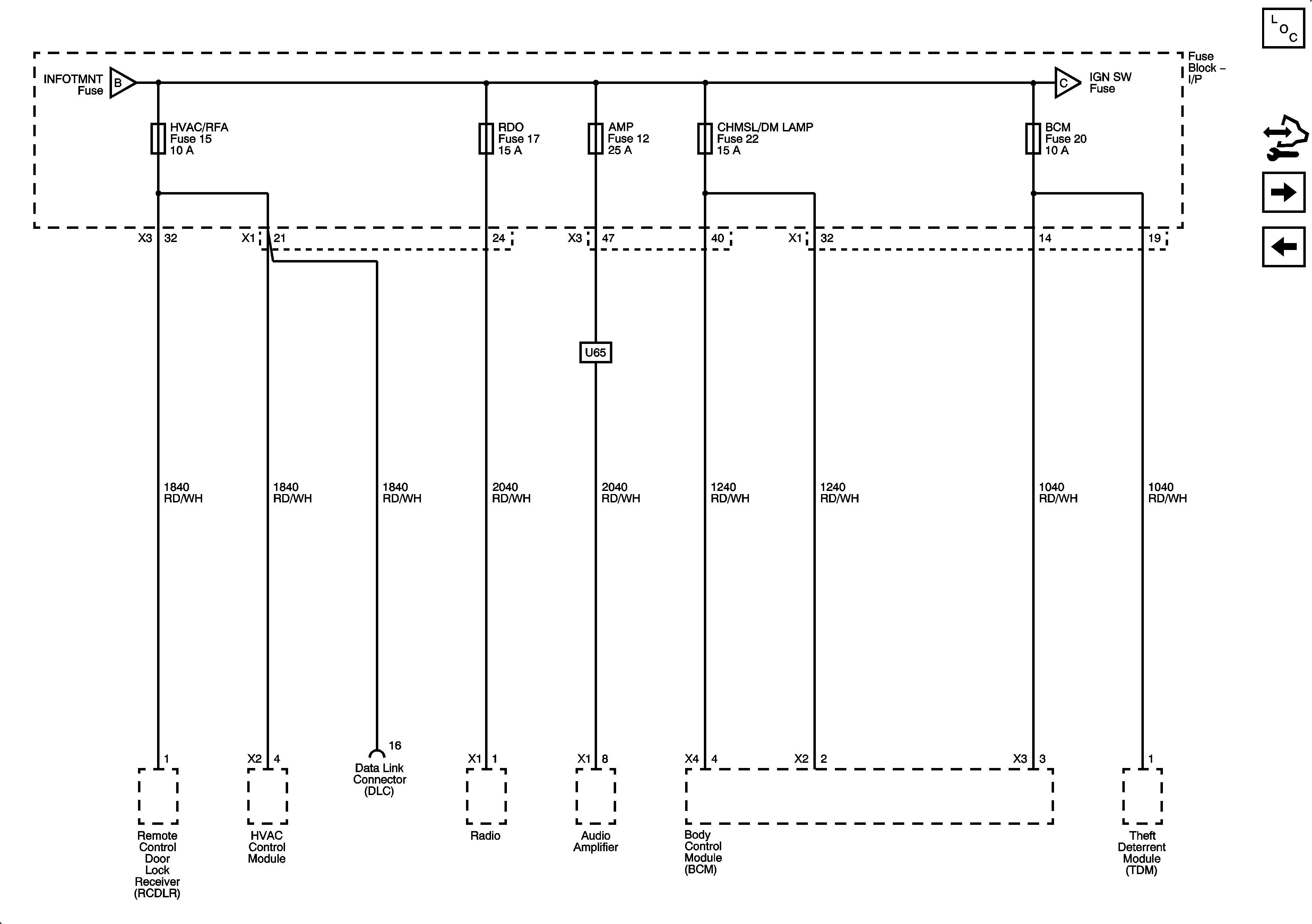
AMP, BCM, CHMSL/DIMR, HVAC/RFA, and RDO Fuses
ABS, ABS MTR, AUX PWR, AWD, ECMBAT, PWR OUTLET, REAR APO, REAR HVAC, and TCM BAT Fuses
Figure 5:

AMP, BCM, CHMSL/DIMR, HVAC/RFA and RDO Fuse


Object Number: 1914329  Size: FS
Master Electrical Component List
Control Module References
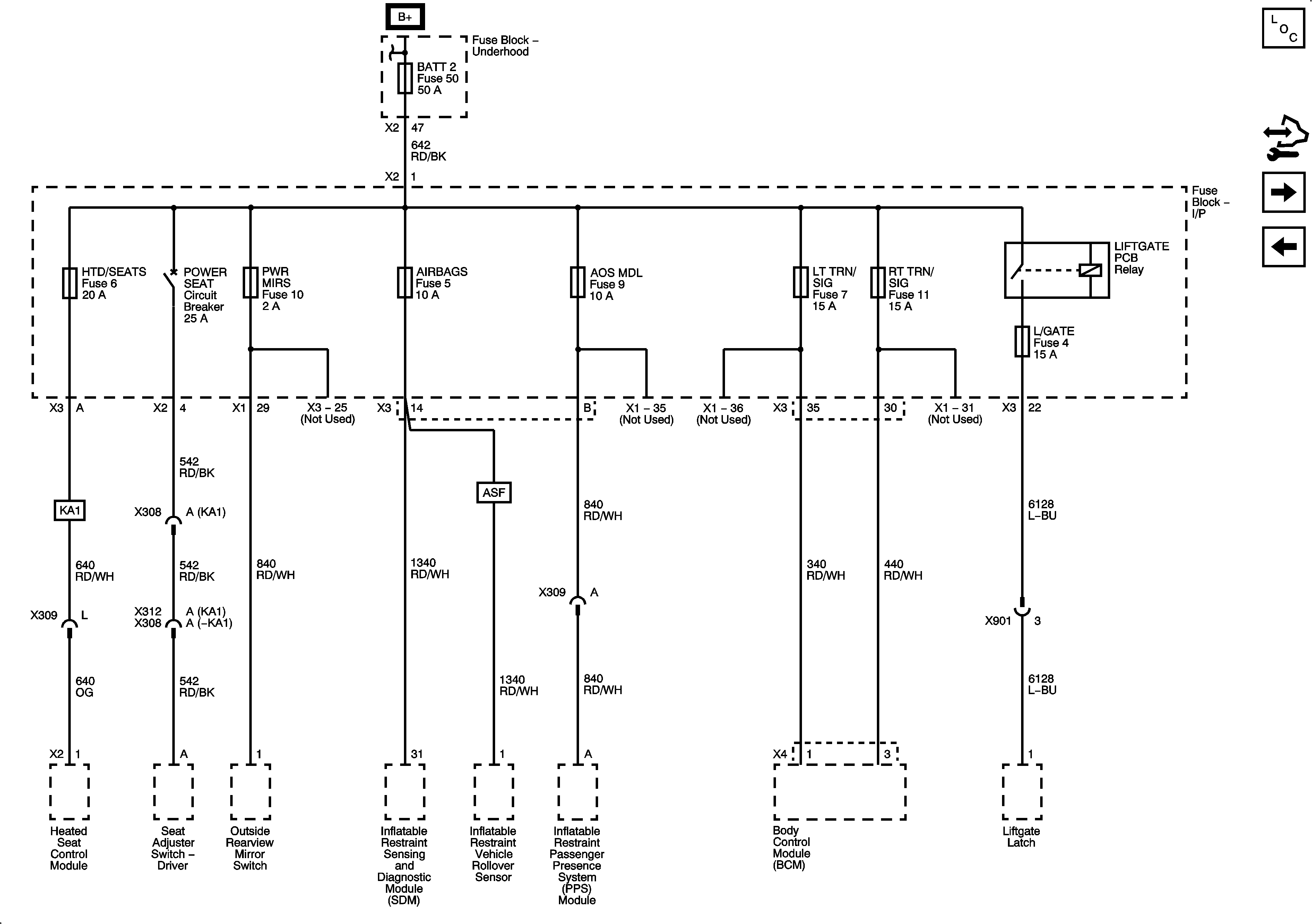
AOS MODULE, BATT MAIN2, HTD/SEATS, L/GATE, LT TRN/SIG, PWR MIRS, RT TRN/SIG and SIR Fuses and POWER SEATS Circuit Breaker
BATT MAIN1, CAN VENT, CLSTR, HVAC BLOWER, INFO, INT LTS, ONSTAR, REAR DEFOG, and RVC Fuses
Figure 6:

AOS MODULE, BATT MAIN 2, HTD/SEATS, L/GATE, LT TRN/SIG, PWR MIRS, RT TRN/SIG and SIR Fuses and POWER SEATS Circuit Breaker


Object Number: 1914331  Size: FS
Master Electrical Component List
Control Module References
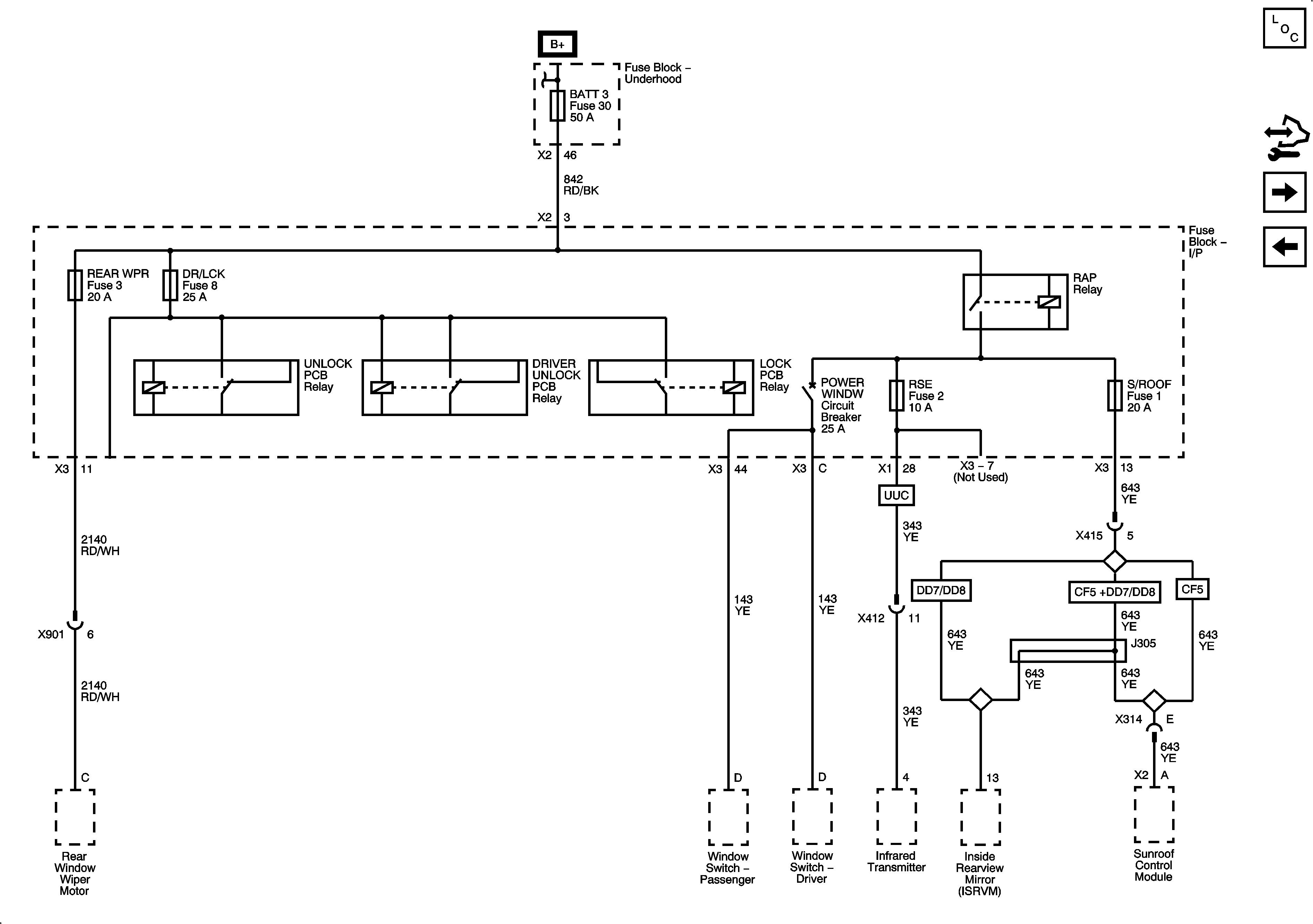
BATT MAIN3, DR/LCK, RRWPR, RSE/KEY CAPTR, and S/ROOF Fuses and POWER WNDW
AMP, BCM, CHMSL/DIMR, HVAC/RFA, and RDO Fuses
Figure 7:

BATT MAIN 3, DR/LCK, RRWPR, RSE/KEY CAPTR and S/ROOF Fuses and POWER WNDW


Object Number: 1914332  Size: FS
Master Electrical Component List
Control Module References
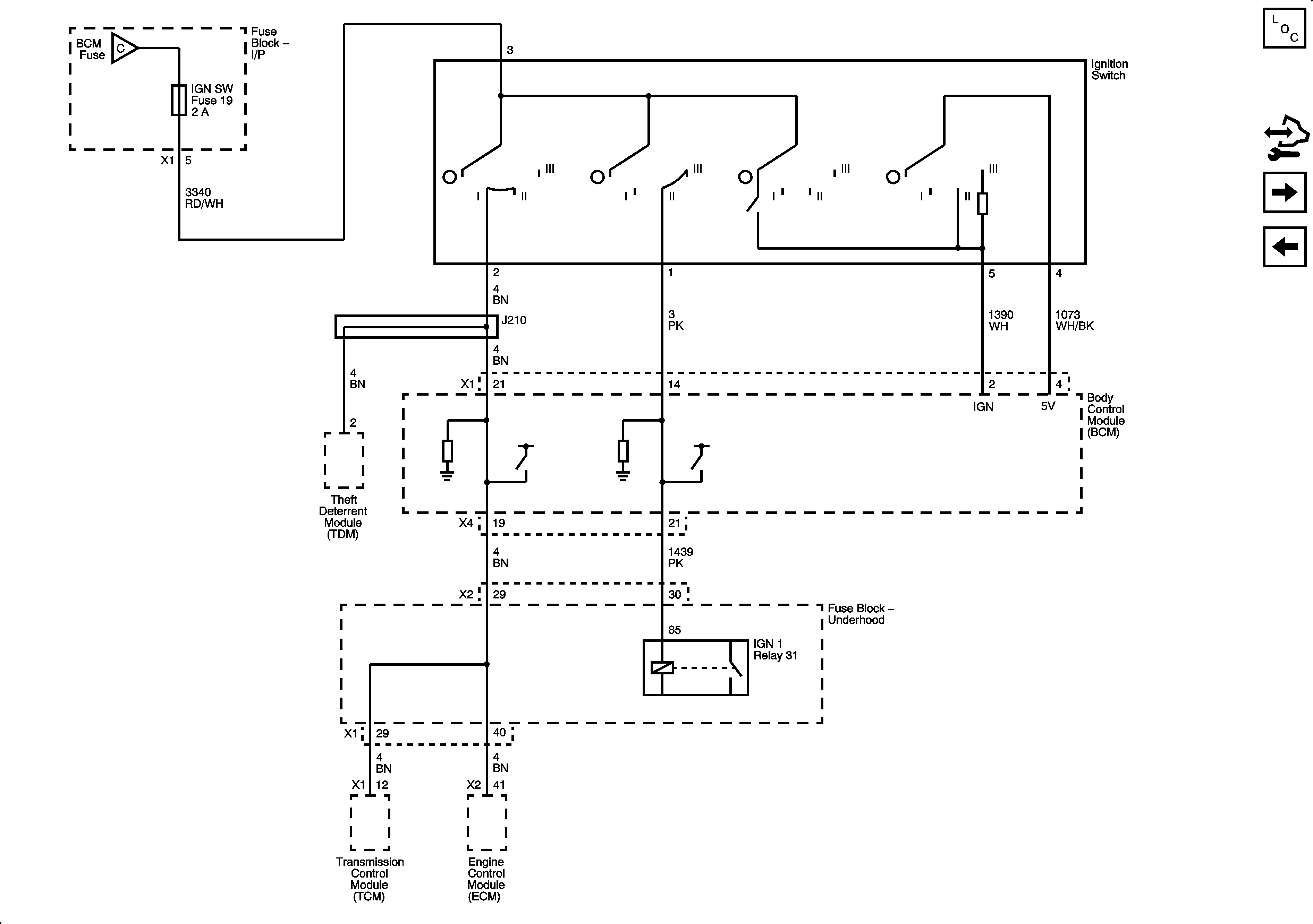
IGN SWITCH Fuse and Ignition Switch
AOS MODULE, BATT MAIN2, HTD/SEATS, L/GATE, LT TRN/SIG, PWR MIRS, RT TRN/SIG and SIR Fuses and POWER SEATS Circuit Breaker
Figure 8:

IGN SWITCH Fuse and Ignition Switch


Object Number: 1914335  Size: FS
Master Electrical Component List
Control Module References
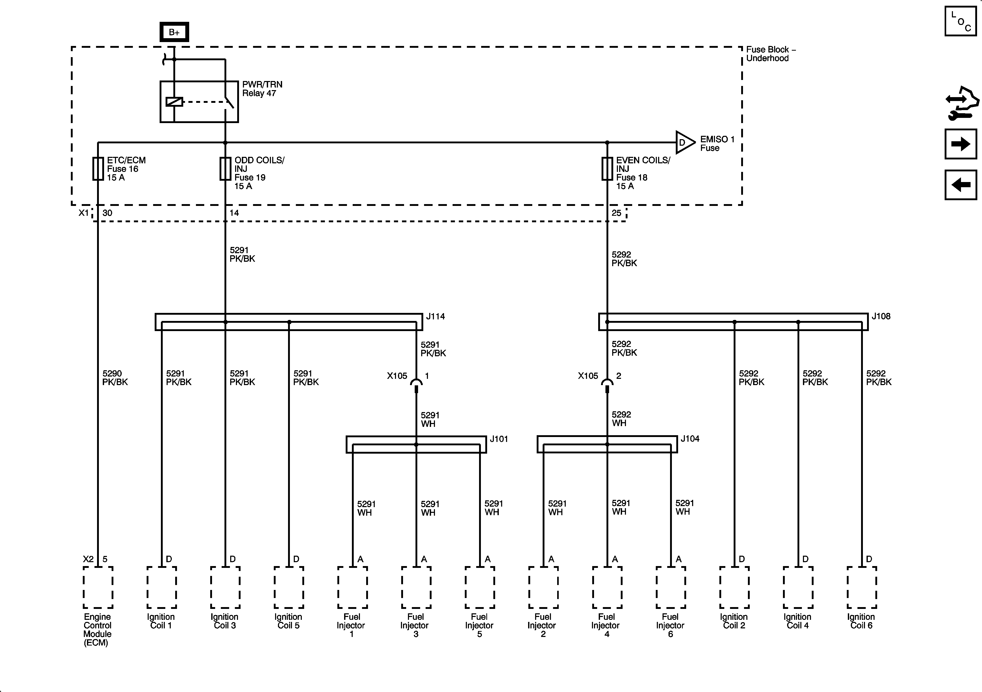
PWR/TRN BUS - ETC/ECM, EVEN COILS/INJ and ODD COILS/INJ Fuses
BATT MAIN3, DR/LCK, RRWPR, RSE/KEY CAPTR, and S/ROOF Fuses and POWER WNDW
Figure 9:

PWR/TRN BUS - ETC/ECM, EVEN COILS/INJ and ODD COILS/INJ Fuses


Object Number: 1914337  Size: FS
Master Electrical Component List
Control Module References
PWR/TRN BUS - EMM DEV1, and EMM DEV2
IGN SWITCH Fuse and Ignition Switch
Figure 10:

PWR/TRN BUS - EMM DEV1, EMM DEV2


Object Number: 1914339  Size: FS
Master Electrical Component List
Control Module References
RUN/CRANK BUS - MAF, PCM, IGN, SIR DISPLAY, and TRANS Fuses
PWR/TRN BUS - ETC/ECM, EVEN COILS/INJ and ODD COILS/INJ Fuses
Figure 11:

RUN/CRANK BUS - MAF, PCM, IGN, SIR DISPLAY, and TRANS Fuses


Object Number: 1914340  Size: FS
Master Electrical Component List
Control Module References
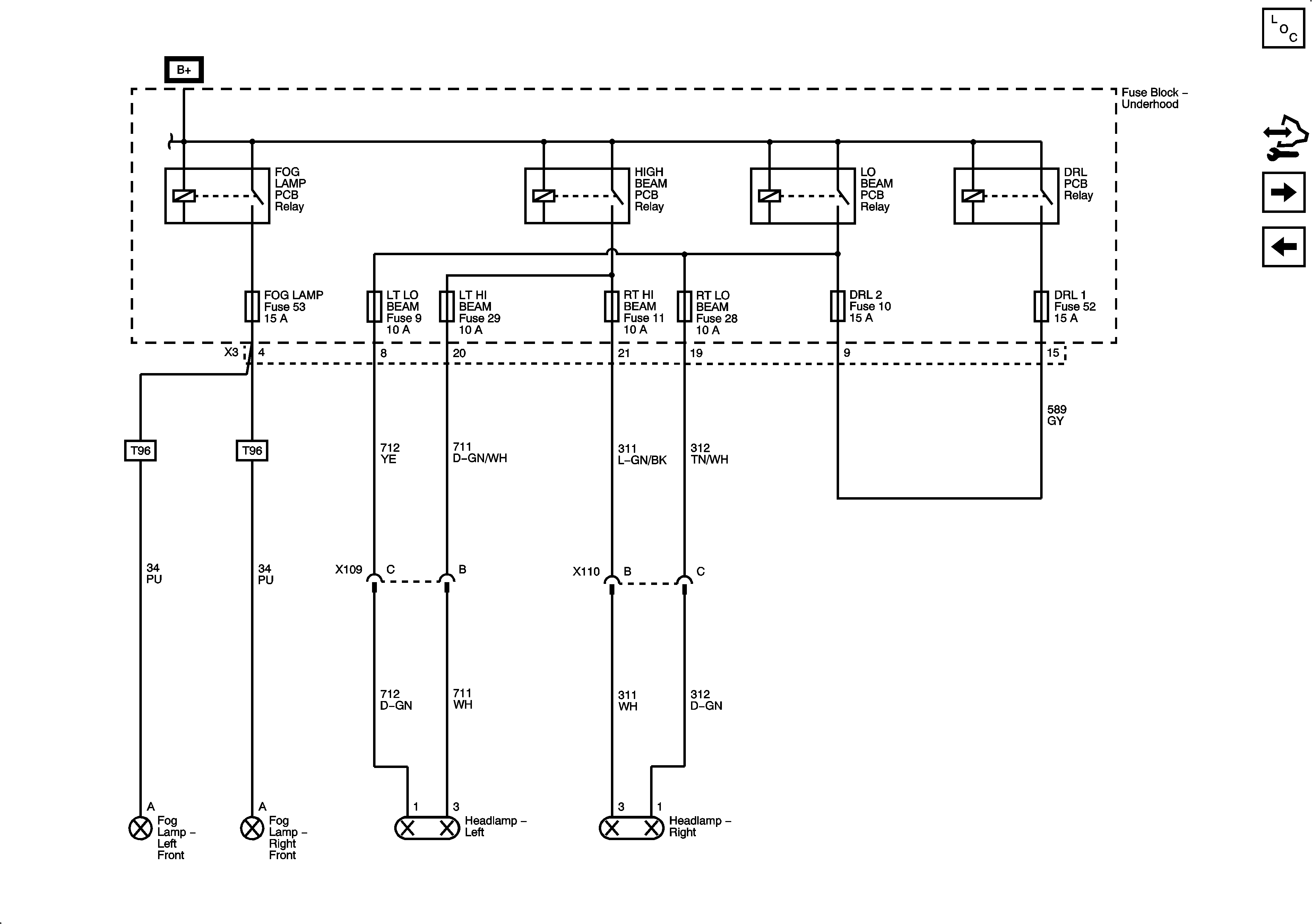
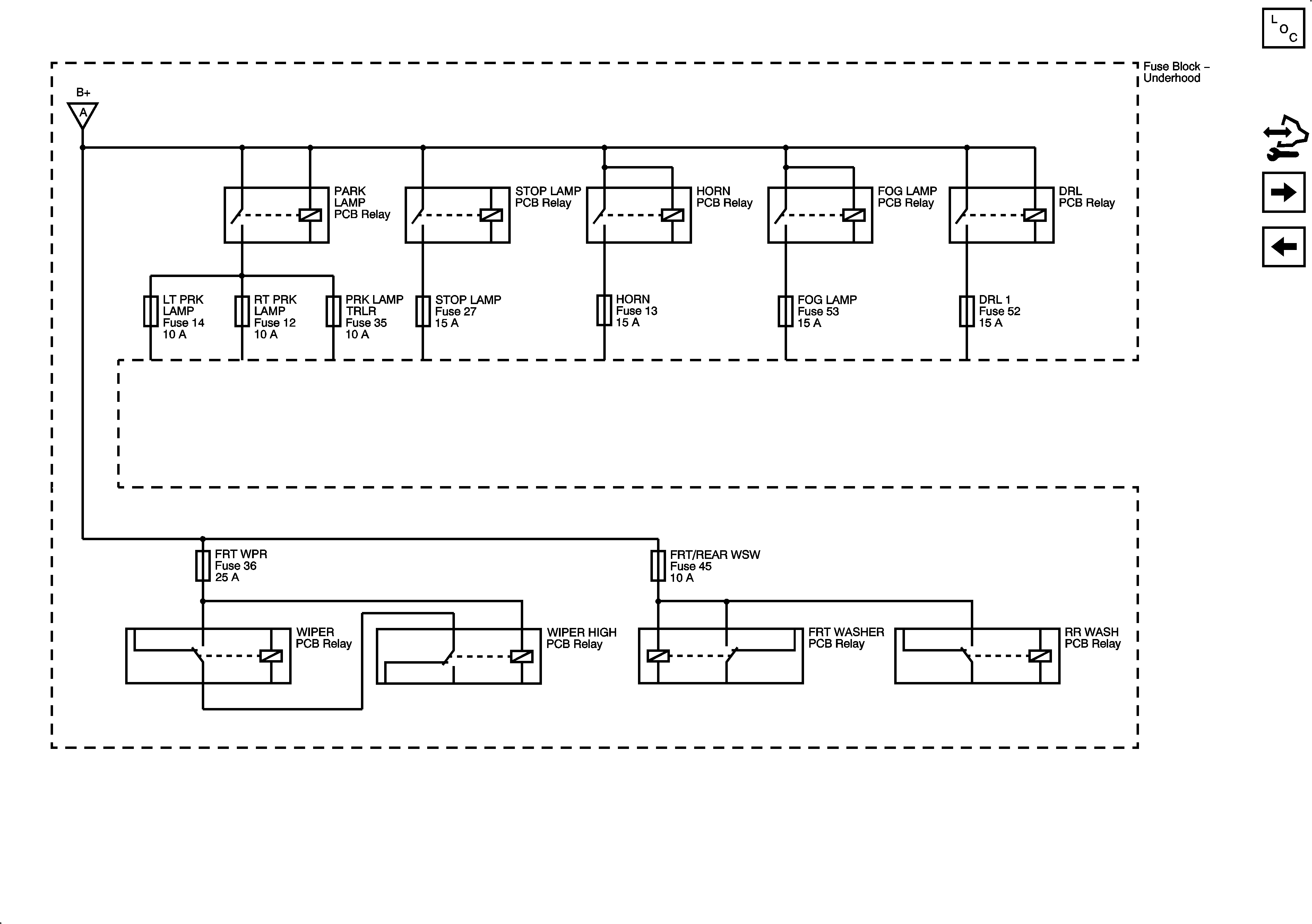
DRL, DRL2, FOG/LP, LH HIGH BEAM, LH LOW BEAM, RH HIGH BEAM, and RH LOW BEAM Fuses
PWR/TRN BUS - EMM DEV1, and EMM DEV2
Figure 12:

DRL, DRL2, FOG/LP, LH HIGH BEAM, LH LOW BEAM, RH HIGH BEAM, and RH LOW BEAM Fuses


Object Number: 1914341  Size: FS
Master Electrical Component List
Control Module References
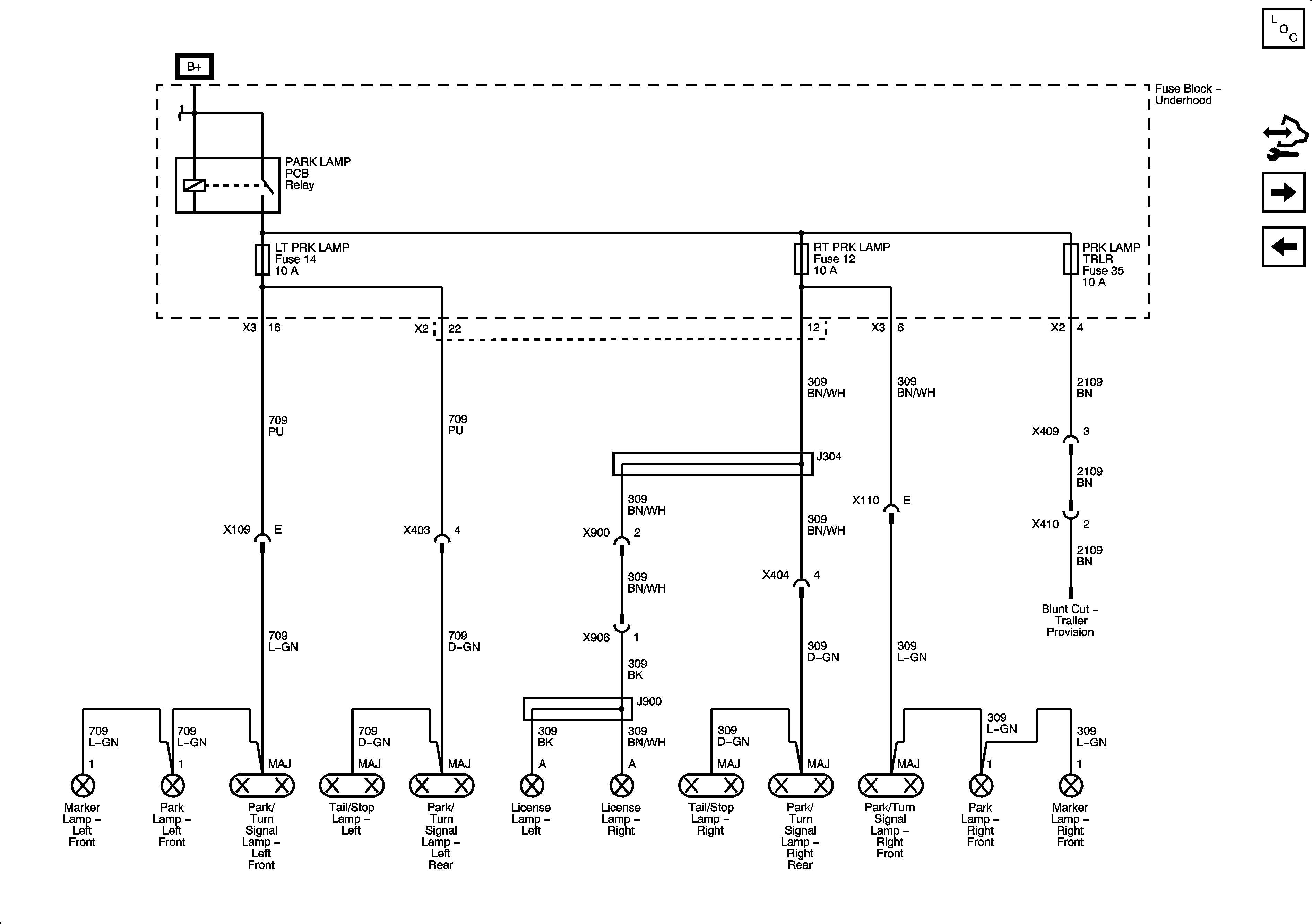
LH PARK/LP, RH PRK/LP and PRK/LP TRLR Fuses
RUN/CRANK BUS - MAF, PCM, IGN, SIR DISPLAY, and TRANS Fuses
Figure 13:

LH PRK/LP, RH PRK/LP and RH PRK/LP TRLR Fuses


Object Number: 1914343  Size: FS
Master Electrical Component List
Control Module References
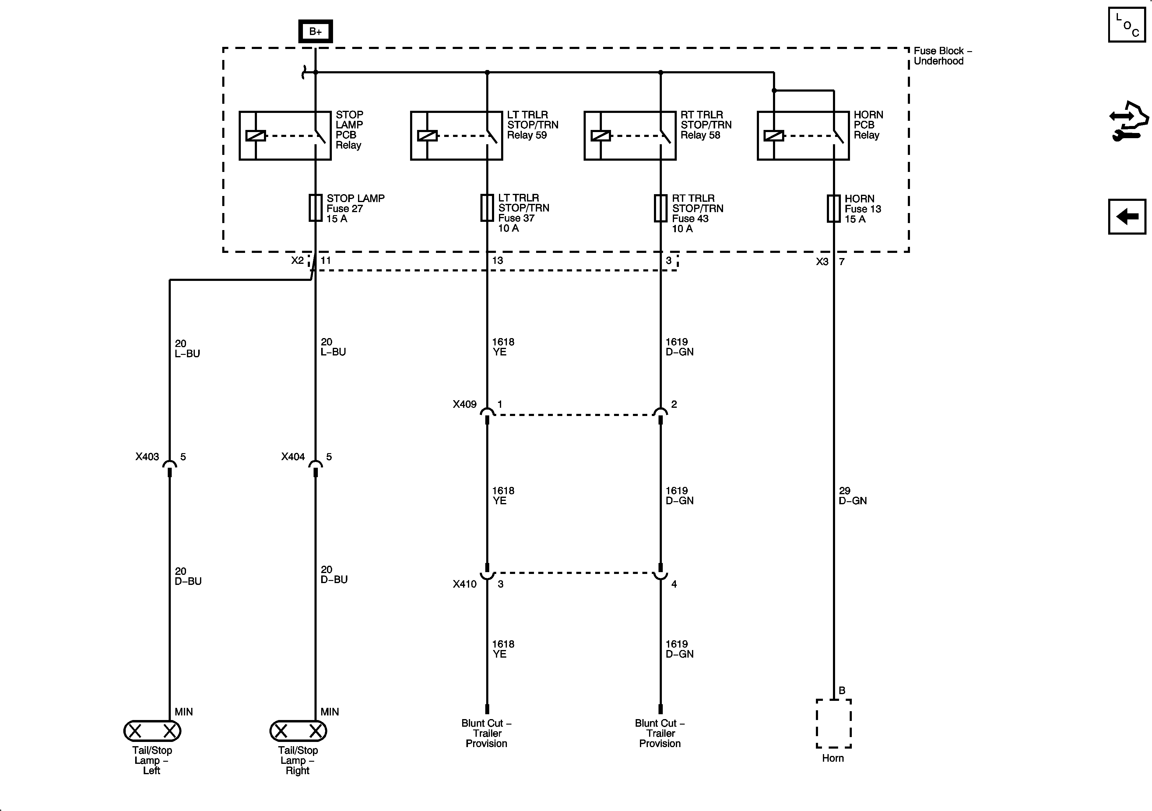
HORN, LH TRLR STOP/TURN, RH TRLR STOP/TURN, and STOP LP Fuses
DRL, DRL2, FOG/LP, LH HIGH BEAM, LH LOW BEAM, RH HIGH BEAM, and RH LOW BEAM Fuses
Figure 14:

HORN, LH TRLR STOP/TURN, RH TRLR STOP/TURN and STOP LP Fuses


Object Number: 1914347  Size: FS
Master Electrical Component List
Control Module References
LH PARK/LP, RH PRK/LP and PRK/LP TRLR Fuses