GM Service Manual Online
For 1990-2009 cars only
Makes
🢒
Suzuki
🢒
2008
🢒
XL-7 AWD
🢒
Seats
🢒
Power Seats
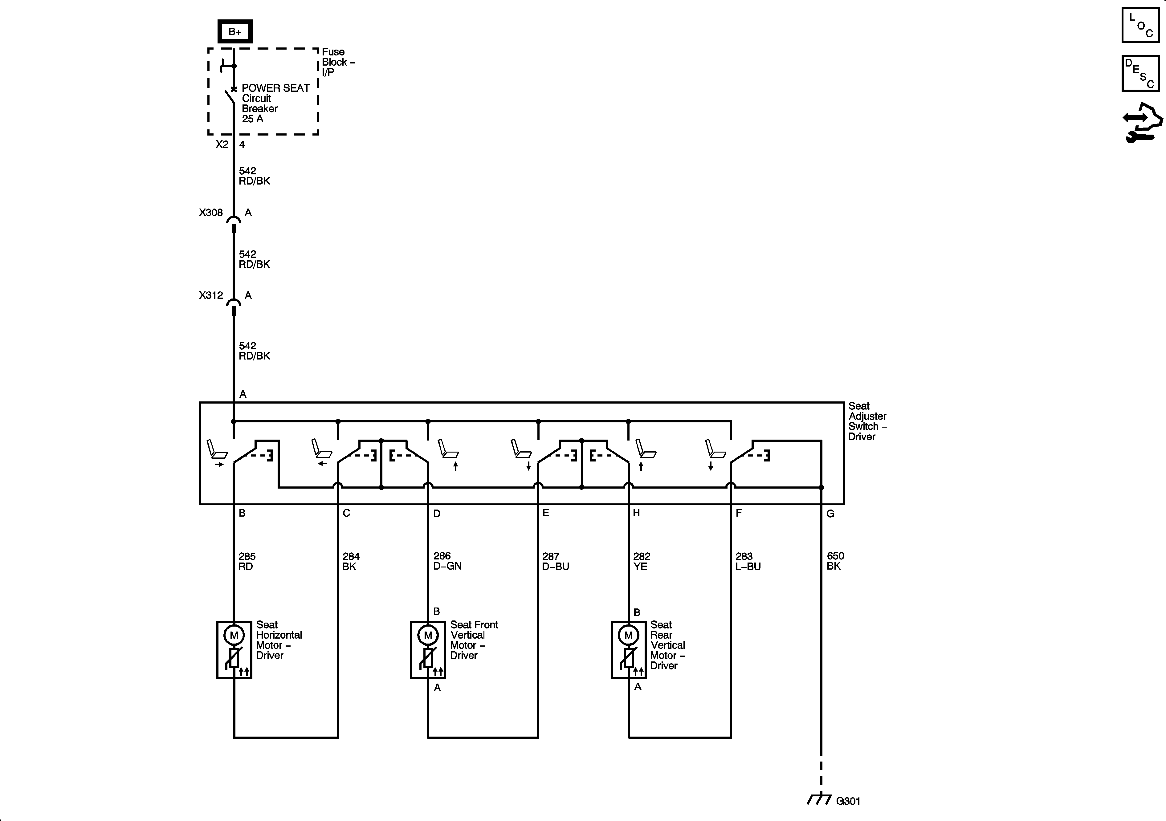
🢒 Driver Seat Schematics
Power Seat
Master Electrical Component List
Power Seats System Description and Operation
Control Module References