GM Service Manual Online
For 1990-2009 cars only
Makes
🢒
Suzuki
🢒
2007
🢒
XL-7 FWD
🢒
Diagnostic Navigation
🢒
Vehicle Diagnostic Information
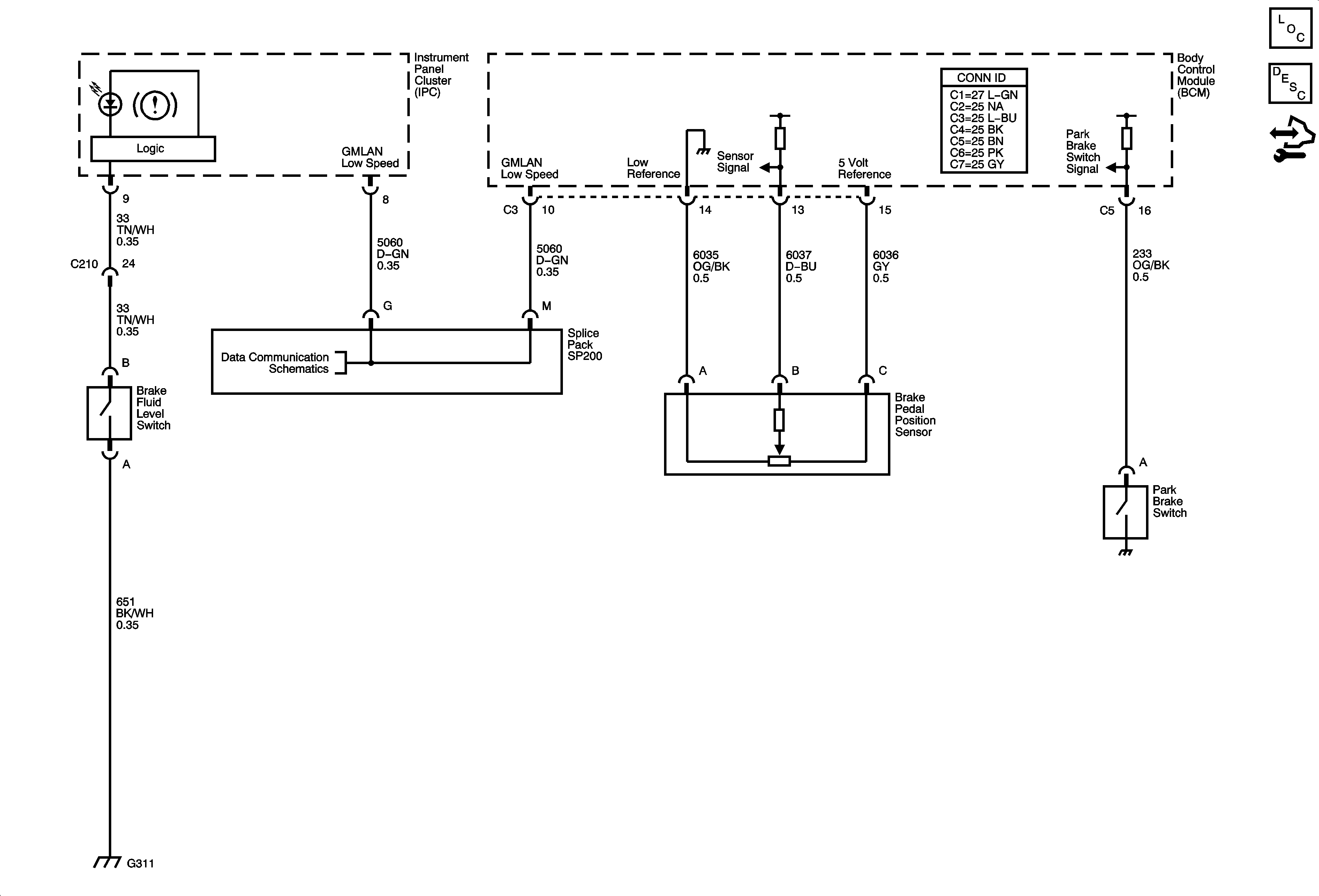
🢒 Hydraulic Brake Schematics
Master Electrical Component List
Brake Warning System Description and Operation
Control Module References
G311
Low Speed GMLAN