GM Service Manual Online
For 1990-2009 cars only
Makes
🢒
Suzuki
🢒
2007
🢒
XL-7 FWD
🢒
Diagnostic Navigation
🢒
Vehicle Diagnostic Information
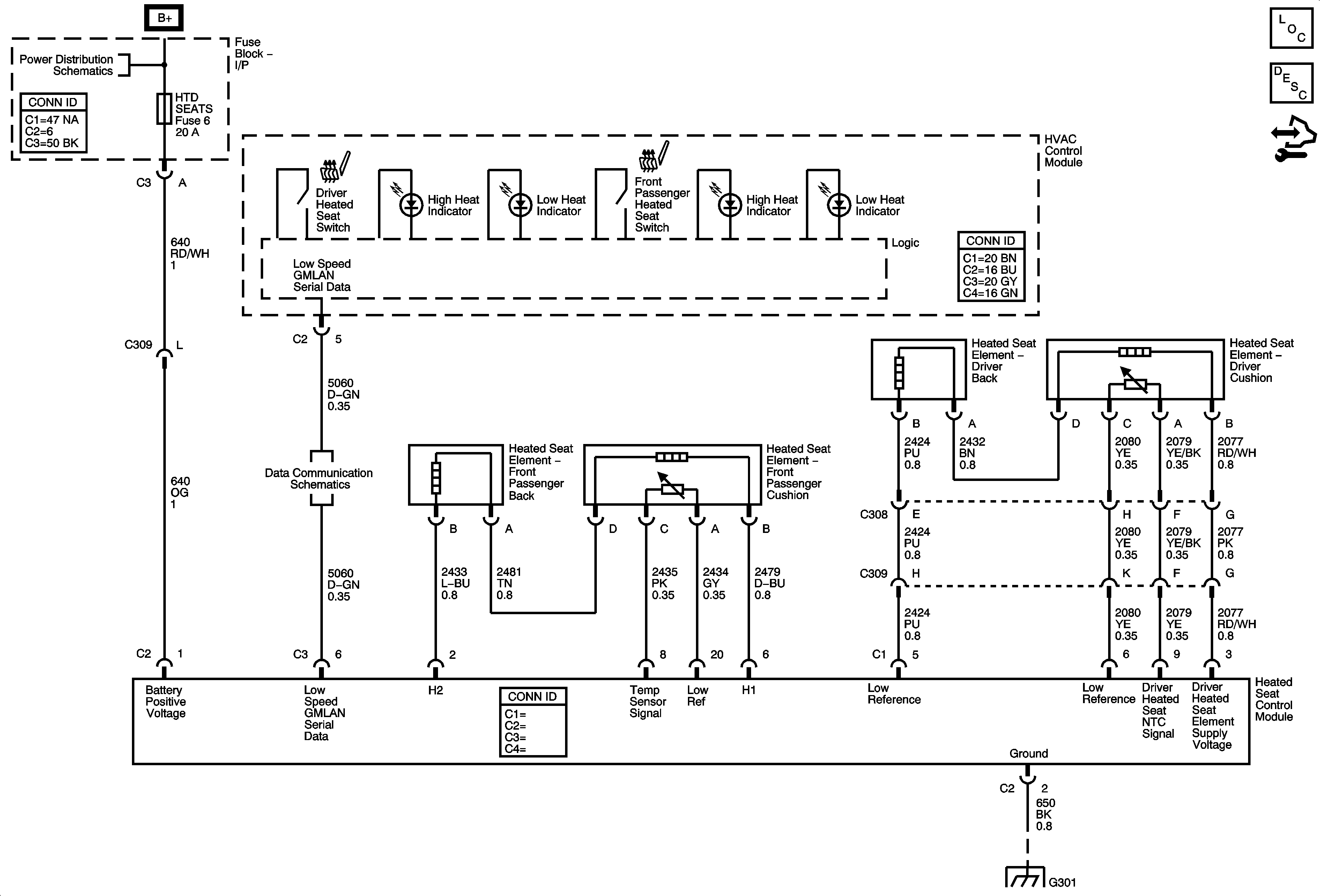
🢒 Heated/Cooled Seat Schematics
Master Electrical Component List
Heated Seats Description and Operation
Control Module References
B+ BUS 1 of 2
G301