GM Service Manual Online
For 1990-2009 cars only

Object Number: 1816517  Size: MF

Callout

Component Name

Preliminary Procedure

  1. Remove the thermal expansion valve. Refer to Auxiliary Air Conditioning Evaporator Thermal Expansion Valve Replacement .
  2. Remove the auxiliary HVAC module. Refer to Auxiliary HVAC Module Replacement .
  3. Disconnect the electrical connectors.

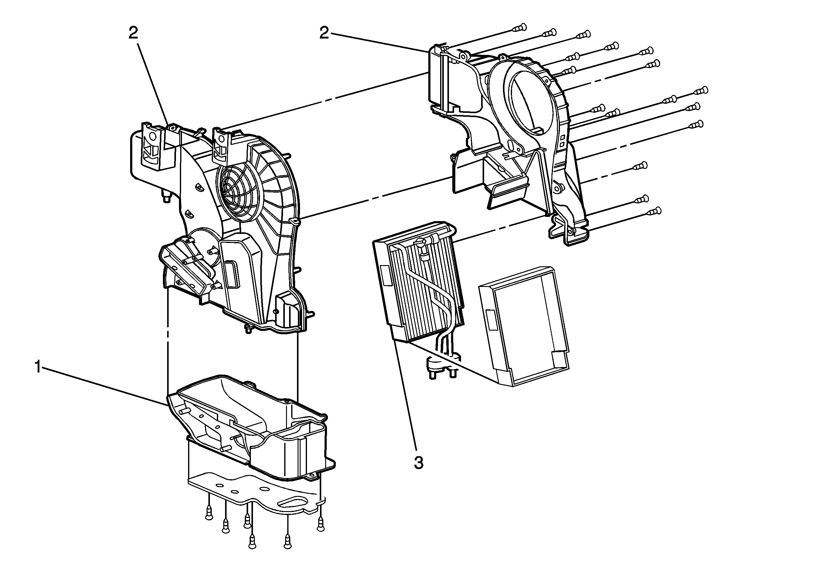
1

HVAC Lower Case Screw (Qty: 6)

Notice: Refer to Fastener Notice in the Preface section.

Tip

    • The HVAC lower and side cases must be separated for the evaporator core removal.
    • Ensure the lower case gasket is in good condition upon installation.

Tighten
1.5 N·m (13 lb in)

2

HVAC Side Case Screw

Tighten
1.5 N·m (13 lb in)

3

Evaporator Assembly

Tip

    • Ensure the evaporator gasket is in good condition upon installation.
    • Ensure the temperature and mix doors are in the proper position upon assembly of the side cases.