GM Service Manual Online
For 1990-2009 cars only
Makes
🢒
Suzuki
🢒
2007
🢒
XL-7 FWD
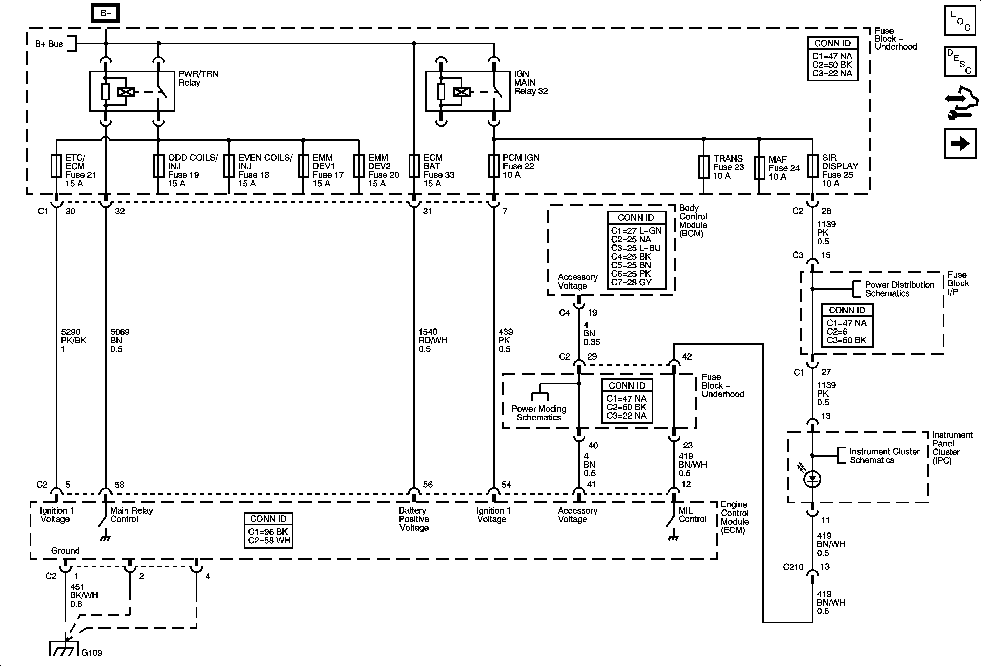
🢒 Power, Ground, MIL Schematic
Power, Ground, MIL Schematic
Module Power, Ground, and MIL