GM Service Manual Online
For 1990-2009 cars only
Makes
🢒
Suzuki
🢒
2007
🢒
XL-7 FWD
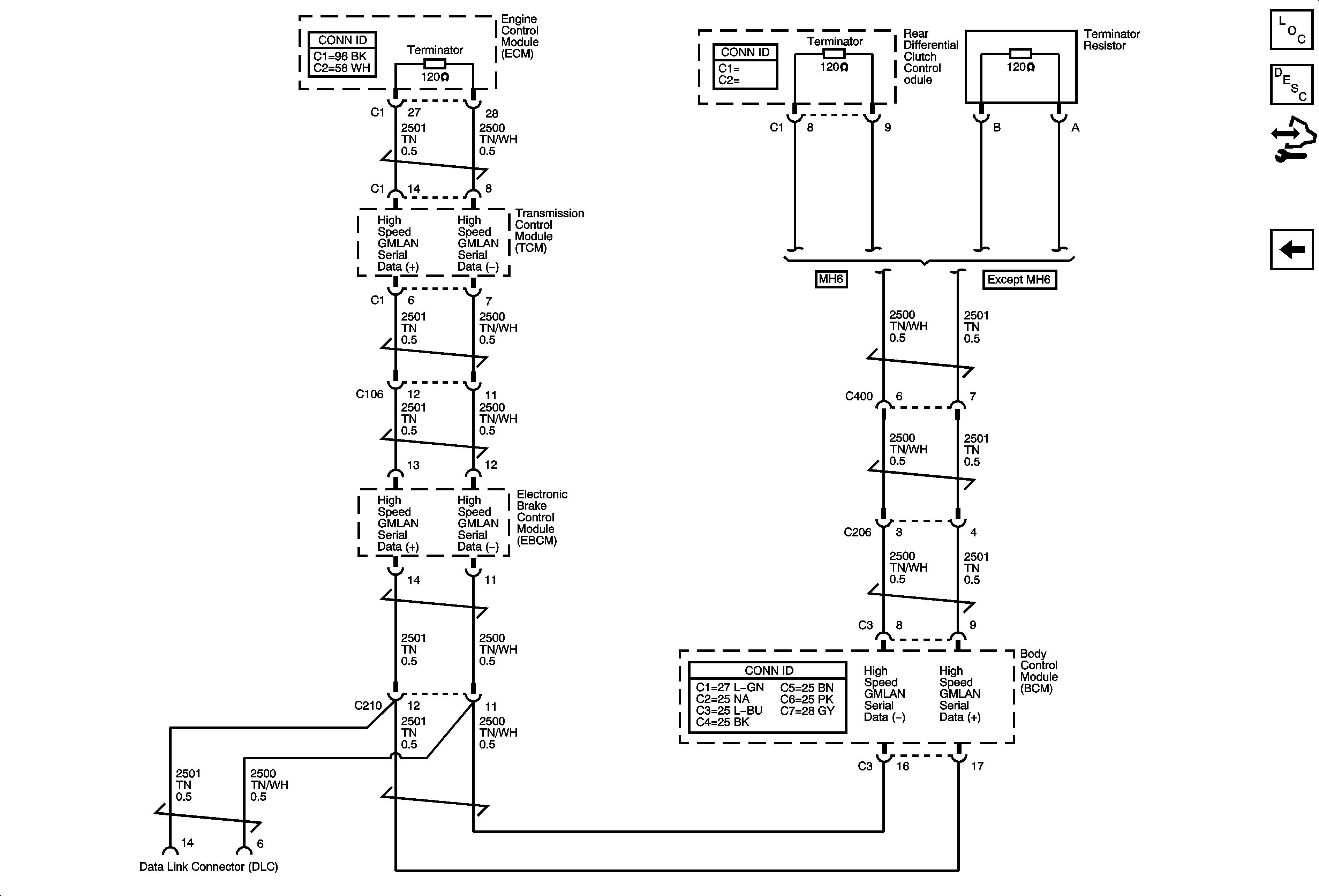
🢒 High Speed GMLAN
High Speed GMLAN
High Speed GMLAN
Master Electrical Component List
Data Link Communications Description and Operation
Control Module References
Low Speed GMLAN