GM Service Manual Online
For 1990-2009 cars only
Makes
🢒
Suzuki
🢒
2007
🢒
XL-7 FWD
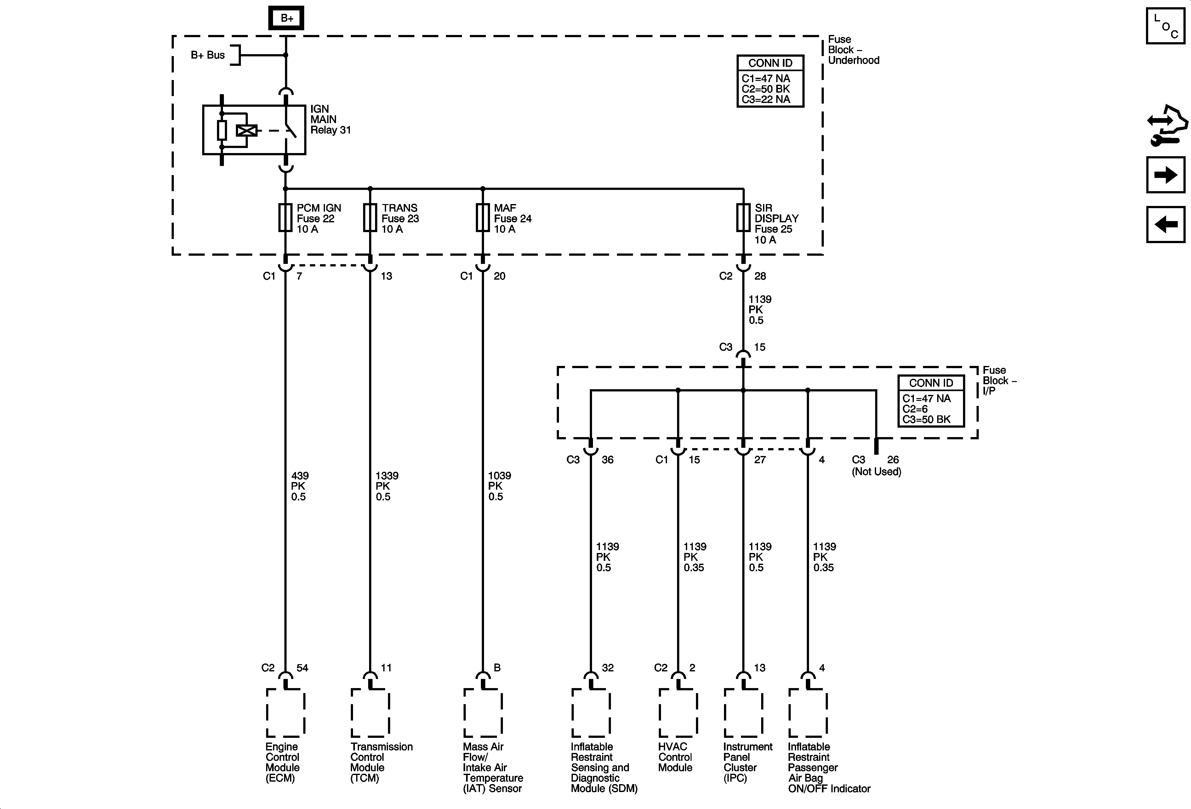
🢒 RUN/CRANK BUS - MAF, PCM, IGN, SIR DISPLAY, and TRANS Fuses
RUN/CRANK BUS - MAF, PCM, IGN, SIR DISPLAY, and TRANS Fuses
RUN/CRANK BUS - MAF, PCM, IGN, SIR DISPLAY and TRANS Fuses
Master Electrical Component List
Control Module References
DRL, DRL2, FOG/LP, LH HIGH BEAM, LH LOW BEAM, RH HIGH BEAM, and RH LOW BEAM Fuses
PWR/TRN BUS - EMM DEV 1, and EMM DEV 2