GM Service Manual Online
For 1990-2009 cars only
Makes
🢒
Suzuki
🢒
2007
🢒
XL-7 FWD
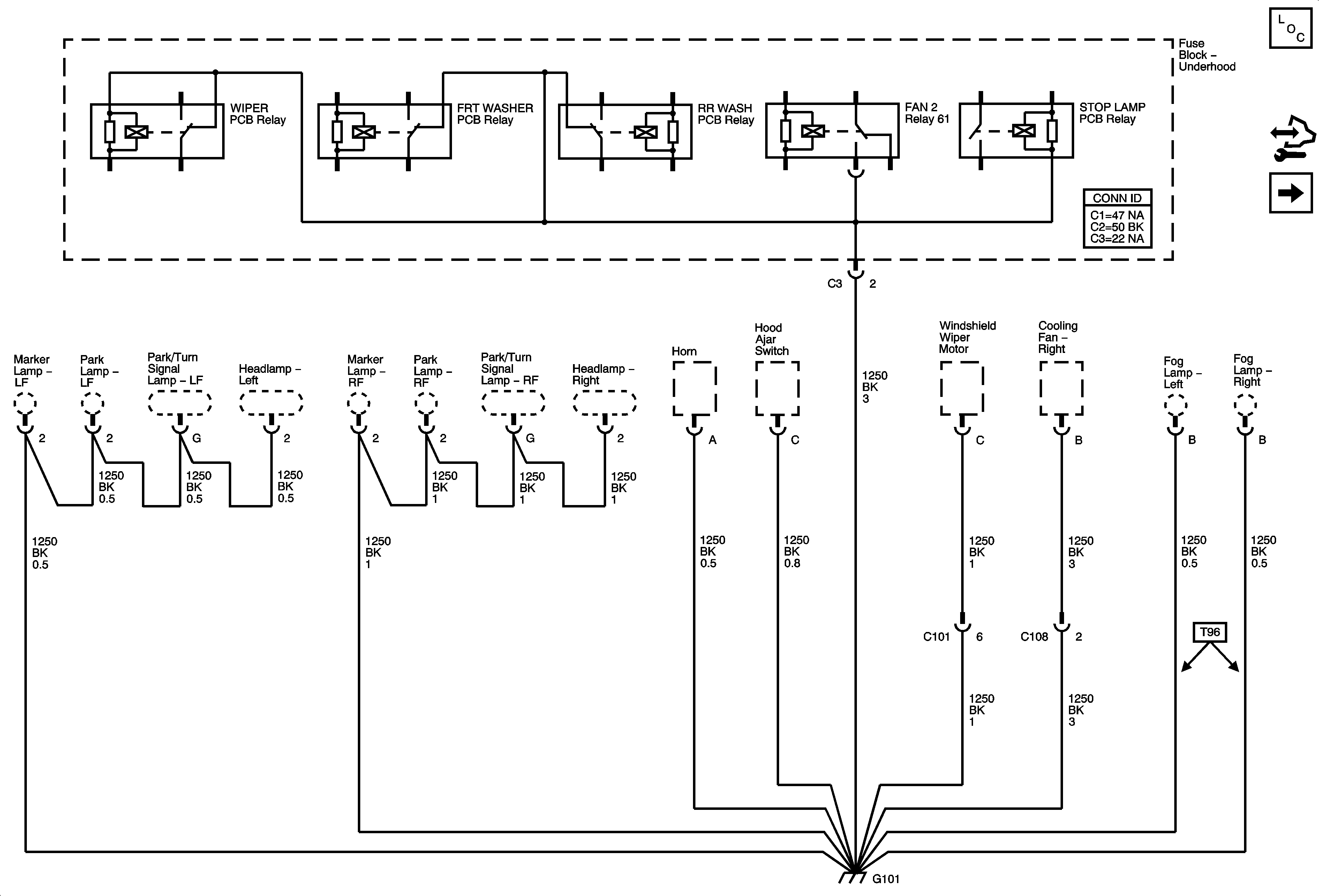
🢒 G101
G101
G101
Master Electrical Component List
Control Module References
G103, G105, G107, G108, and G109