GM Service Manual Online
For 1990-2009 cars only
Makes
🢒
Suzuki
🢒
2007
🢒
XL-7 FWD
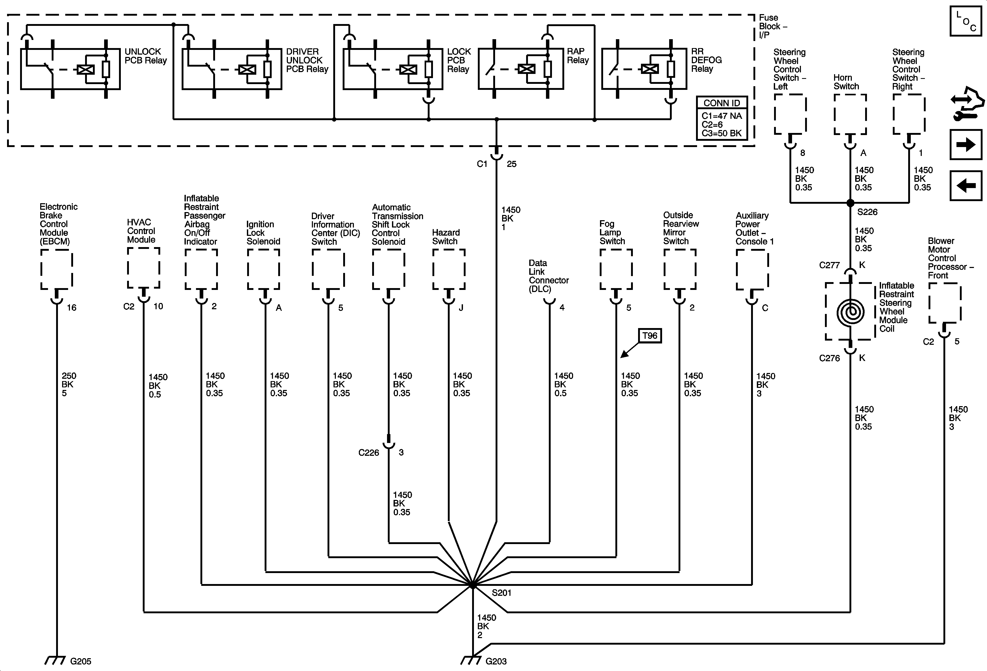
🢒 G203 and G205
G203 and G205
G203, and G205
Master Electrical Component List
Control Module References
G301
G201