GM Service Manual Online
For 1990-2009 cars only
Figure 1:

Module Power, Ground, Serial Data, and MIL


Object Number: 1914117  Size: FS
Figure 2:

Engine Data Sensors - 5-Volt and Low Reference


Object Number: 1914123  Size: FS
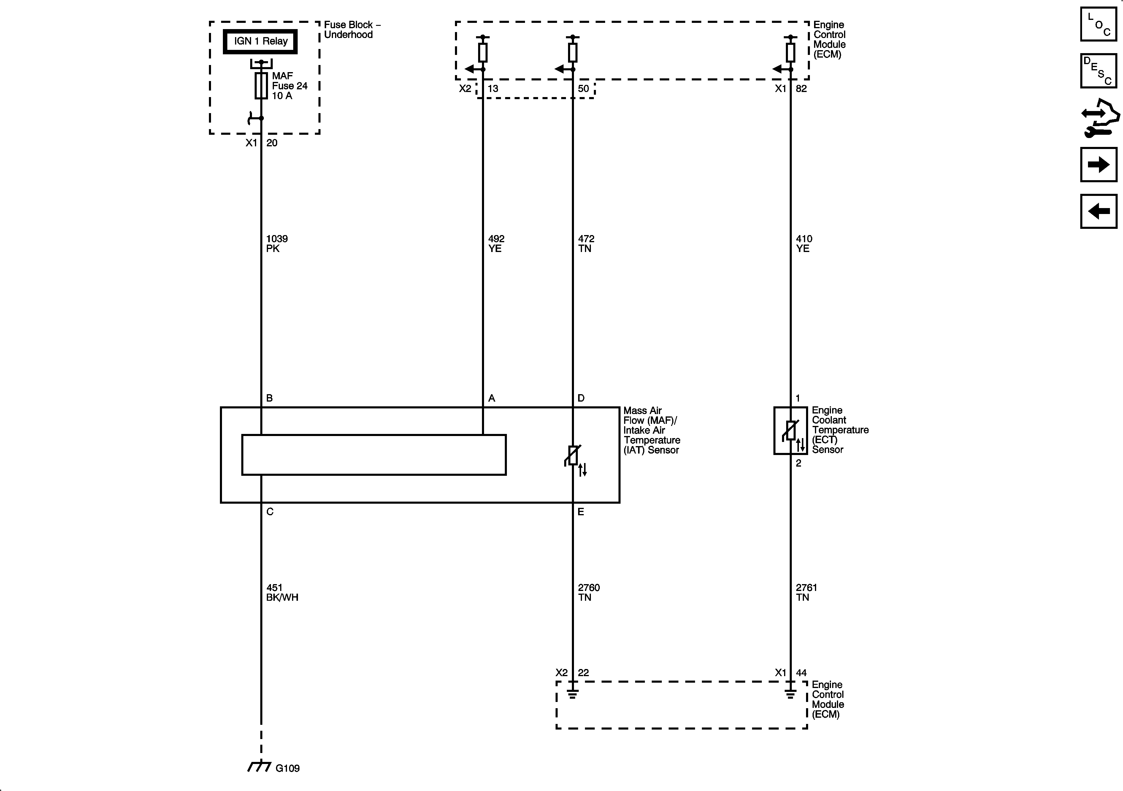
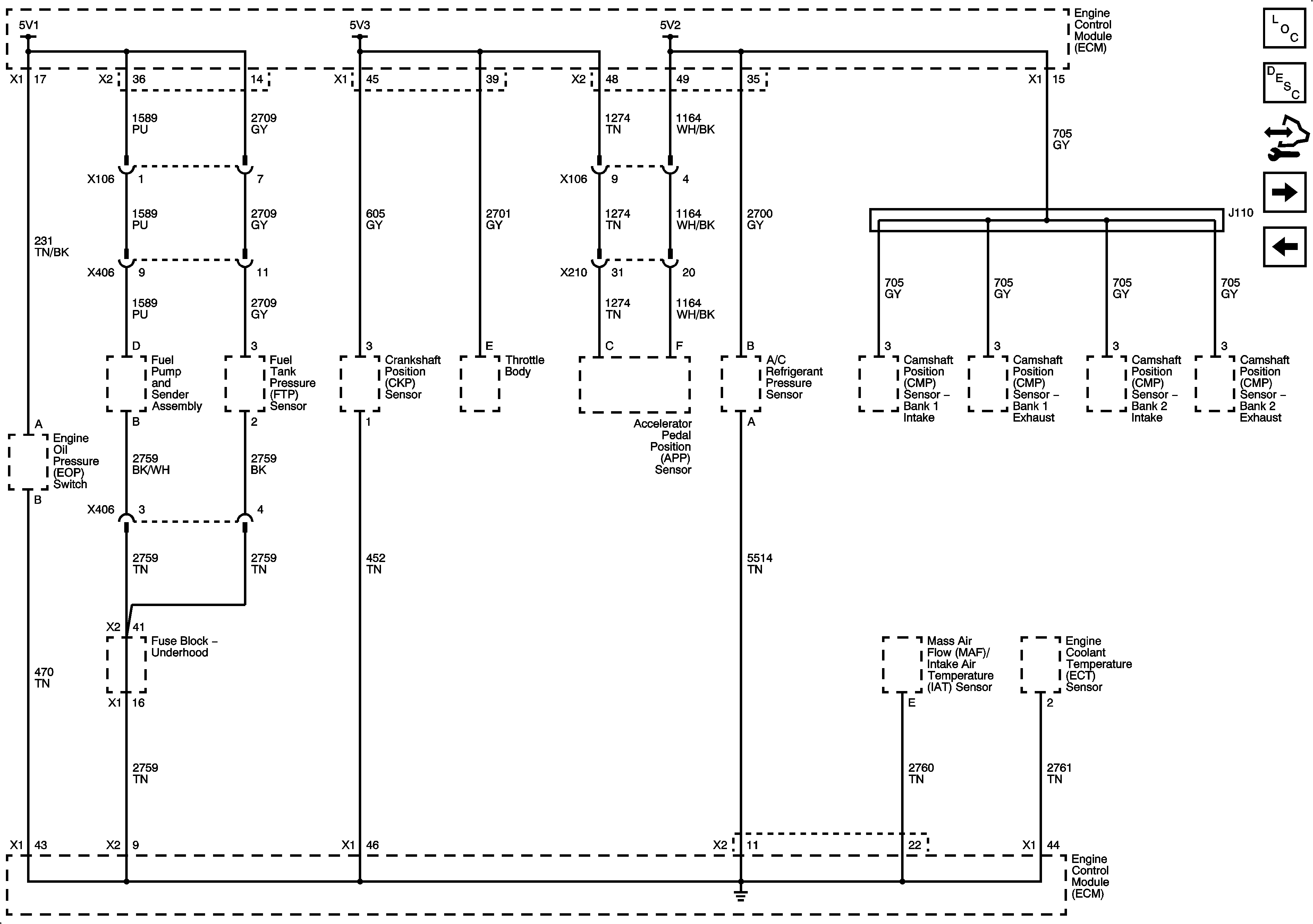
Figure 3:

Engine Data Sensors - Pressure and Temperature


Object Number: 1914163  Size: FS
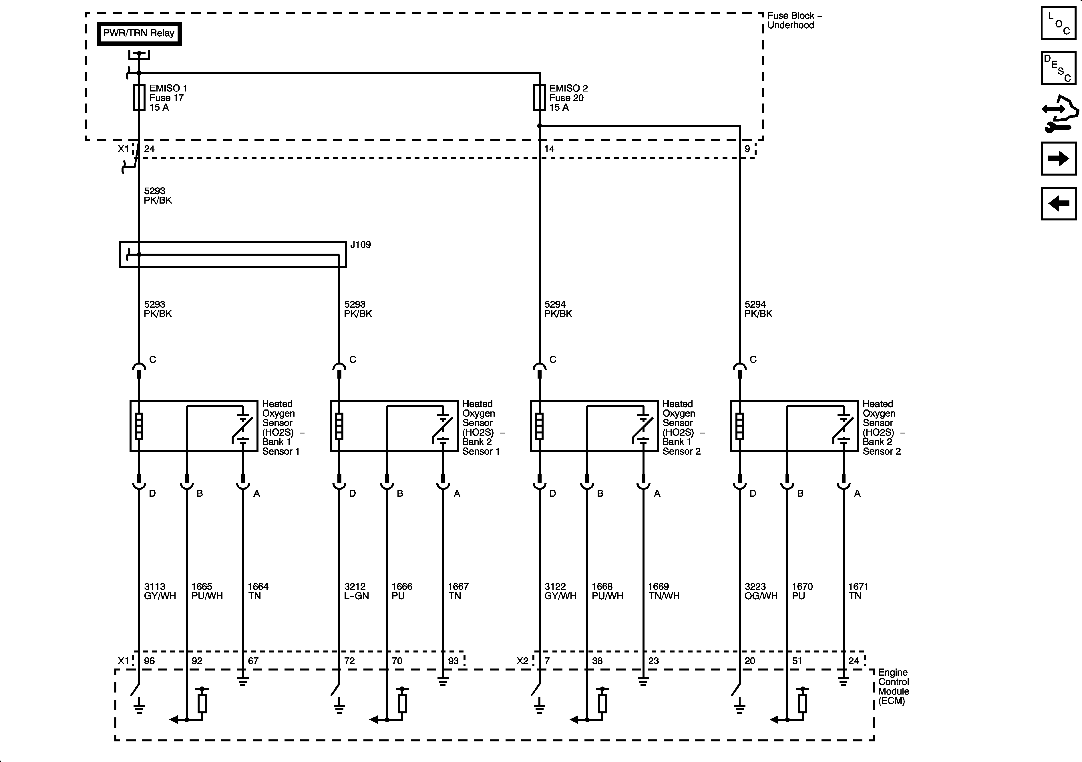
Figure 4:

Engine Data Sensors - HO2S


Object Number: 1914166  Size: FS
Figure 5:

Engine Data Sensors - Electronic Throttle Controls


Object Number: 1914170  Size: FS
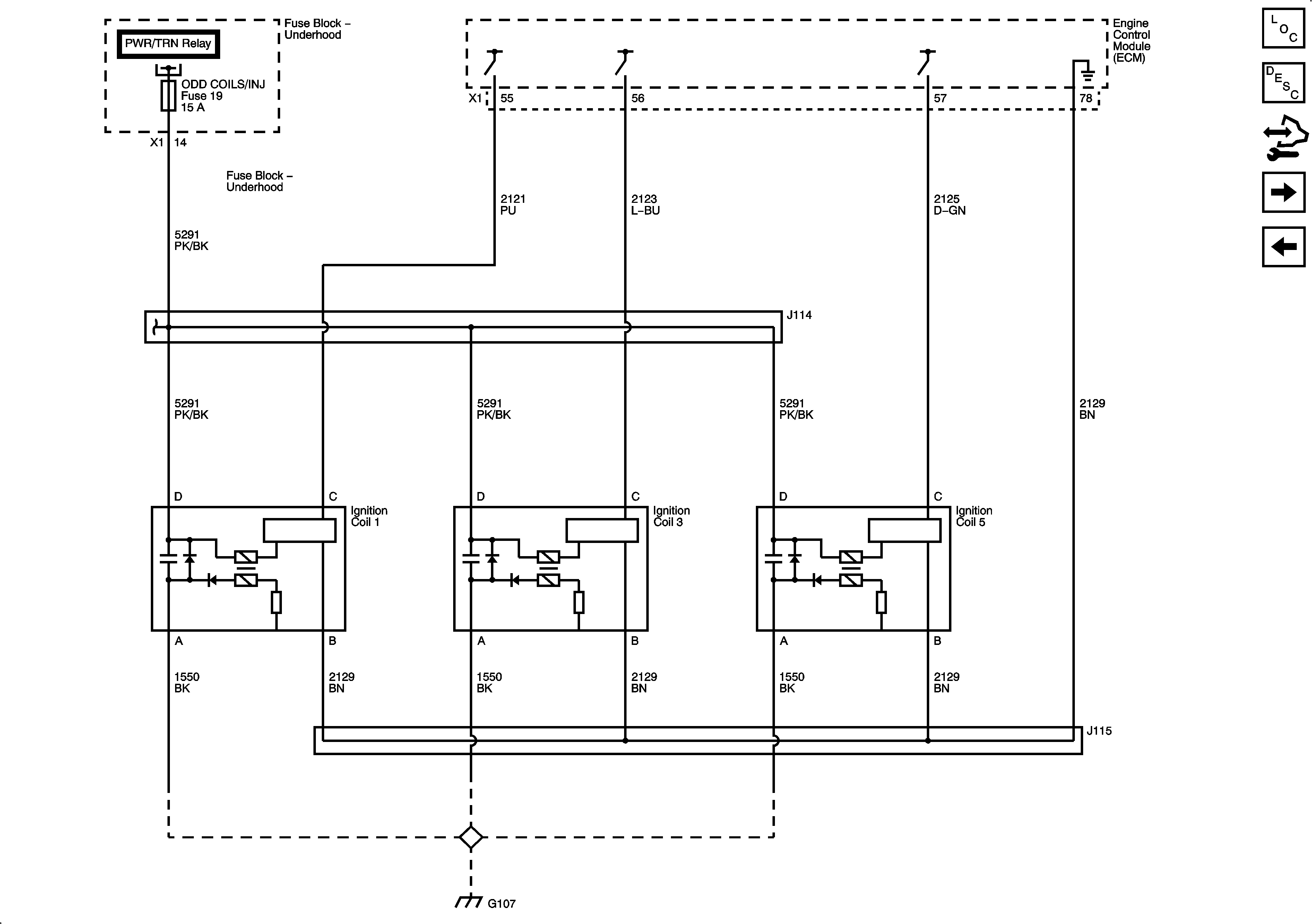
Figure 6:

Ignition Controls - Ignition System Coils 1, 3, and 5


Object Number: 1914171  Size: FS
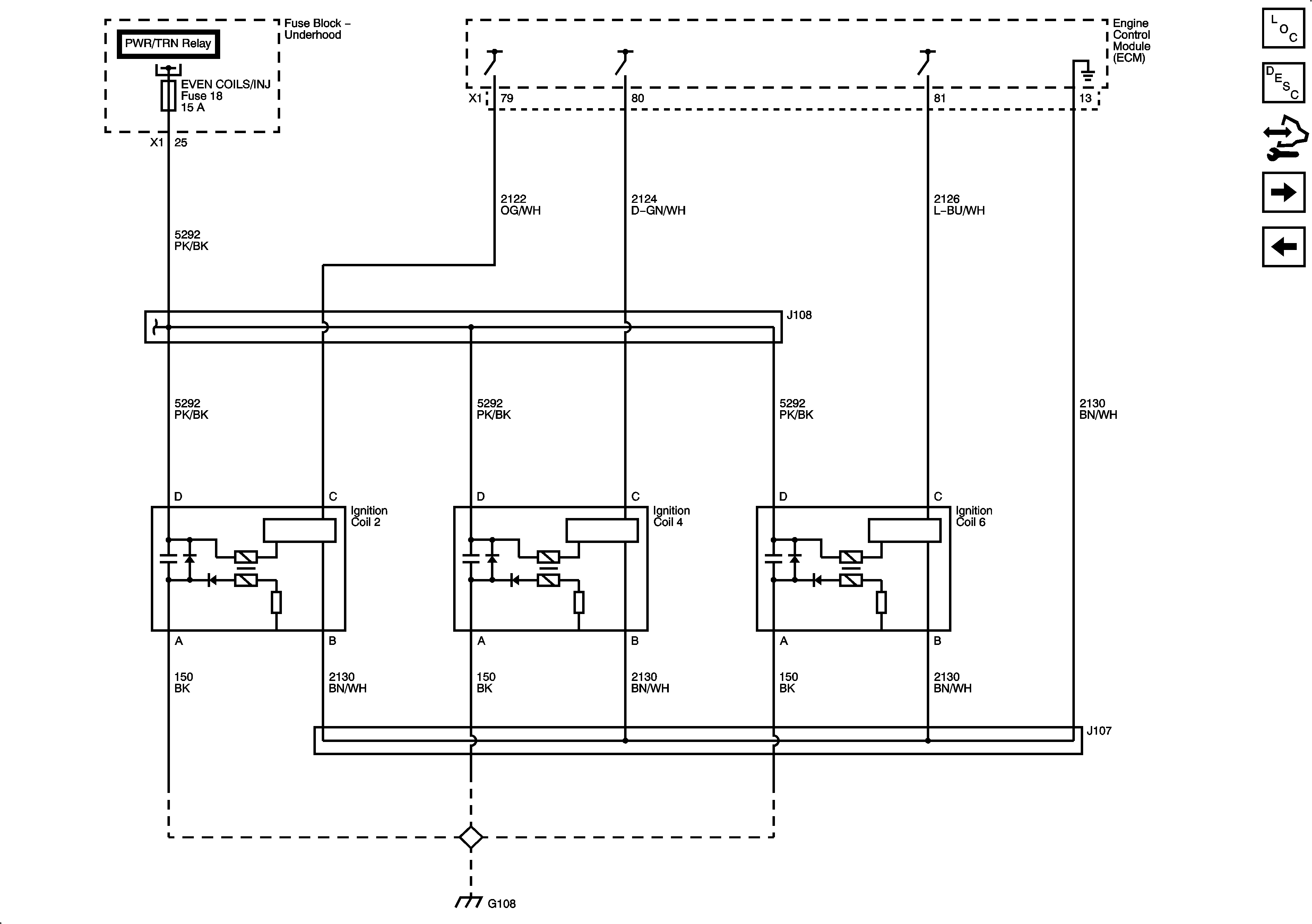
Figure 7:

Ignition Controls - Ignition System Coils 2, 4, and 6


Object Number: 1914175  Size: FS
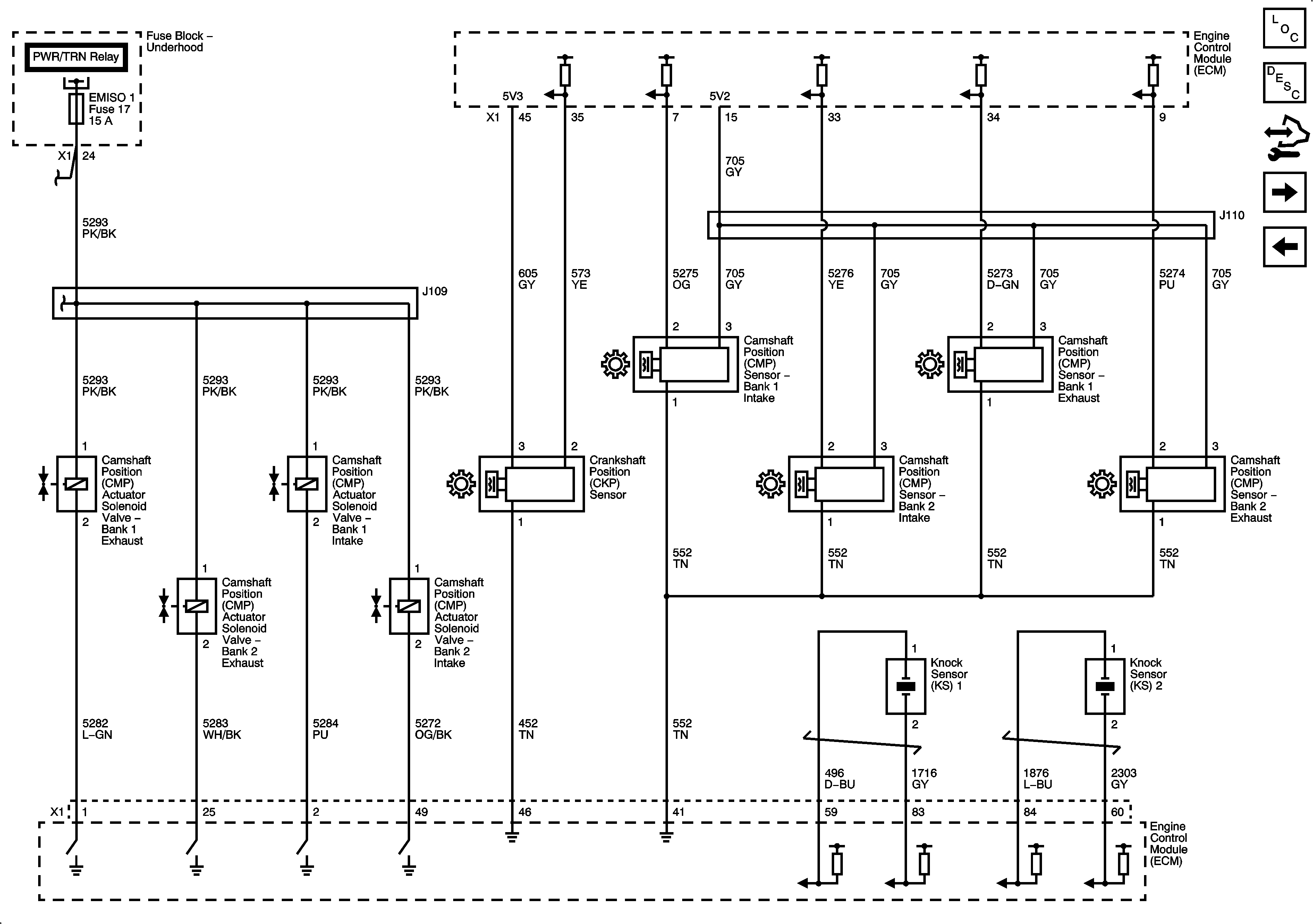
Figure 8:

Ignition Controls - Sensors


Object Number: 1914173  Size: FS
Figure 9:

Fuel Controls - Fuel Injectors and Fuel Pump Controls


Object Number: 1914177  Size: FS
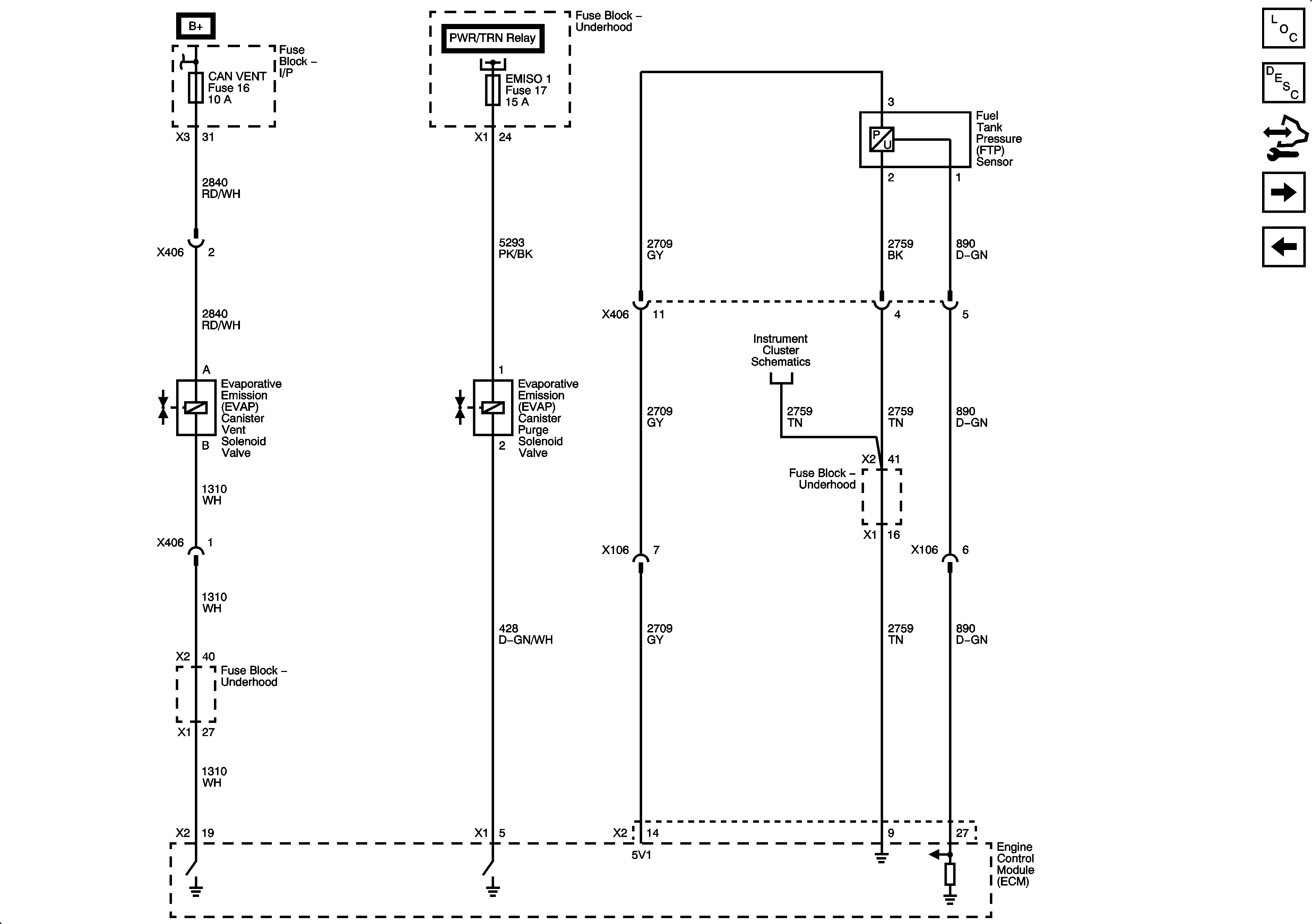
Figure 10:

Fuel Controls -EVAP Controls


Object Number: 1914179  Size: FS
Figure 11:

Controlled/Monitored Subsystem References


Object Number: 1914181  Size: FS