GM Service Manual Online
For 1990-2009 cars only
Makes
🢒
Suzuki
🢒
2008
🢒
XL-7 FWD
🢒
Body Systems
🢒
Vehicle Access
🢒 Door Lock/Indicator Schematics
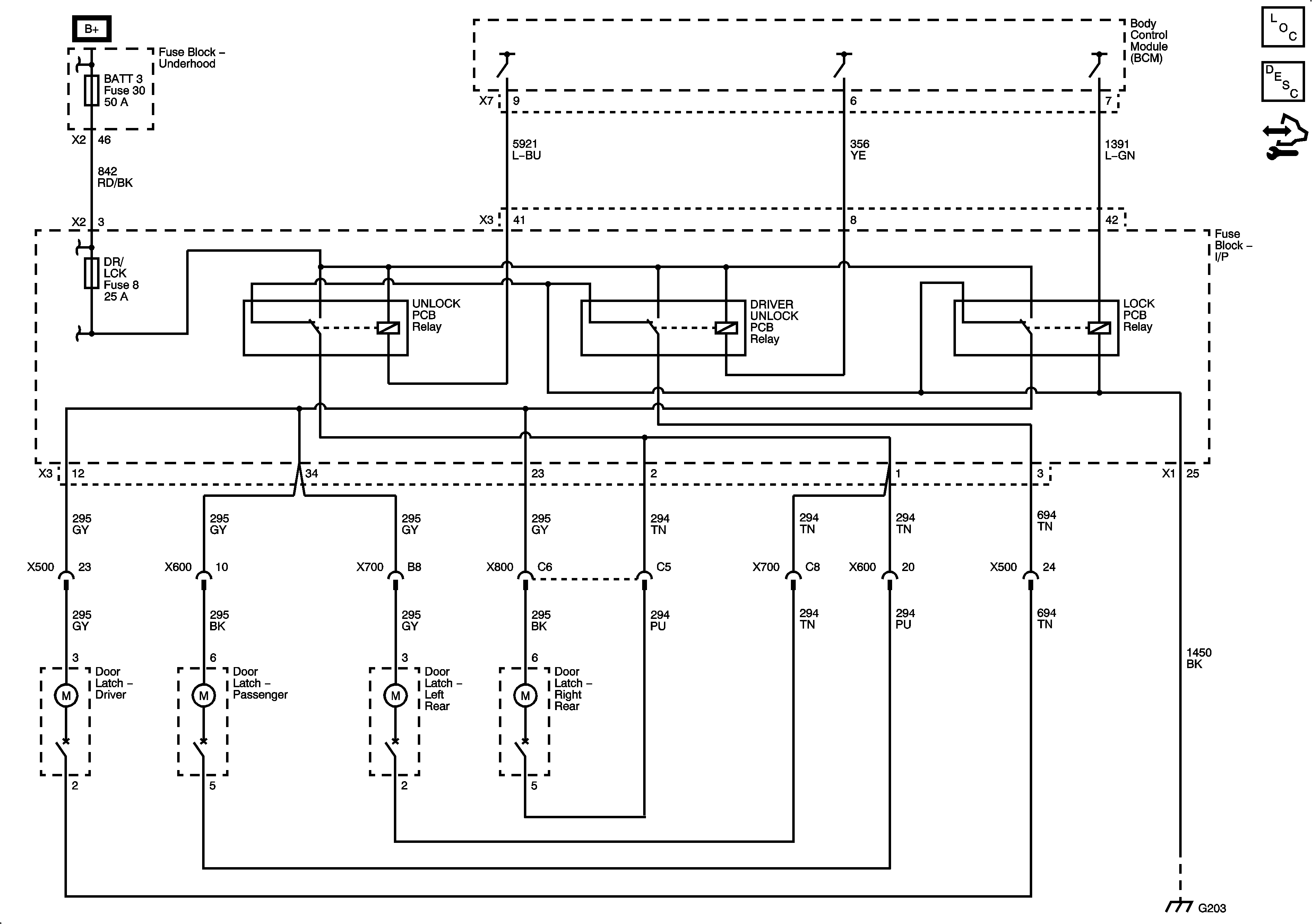
Figure
1:
Door Locks
Master Electrical Component List
Power Door Locks Description and Operation
Control Module References
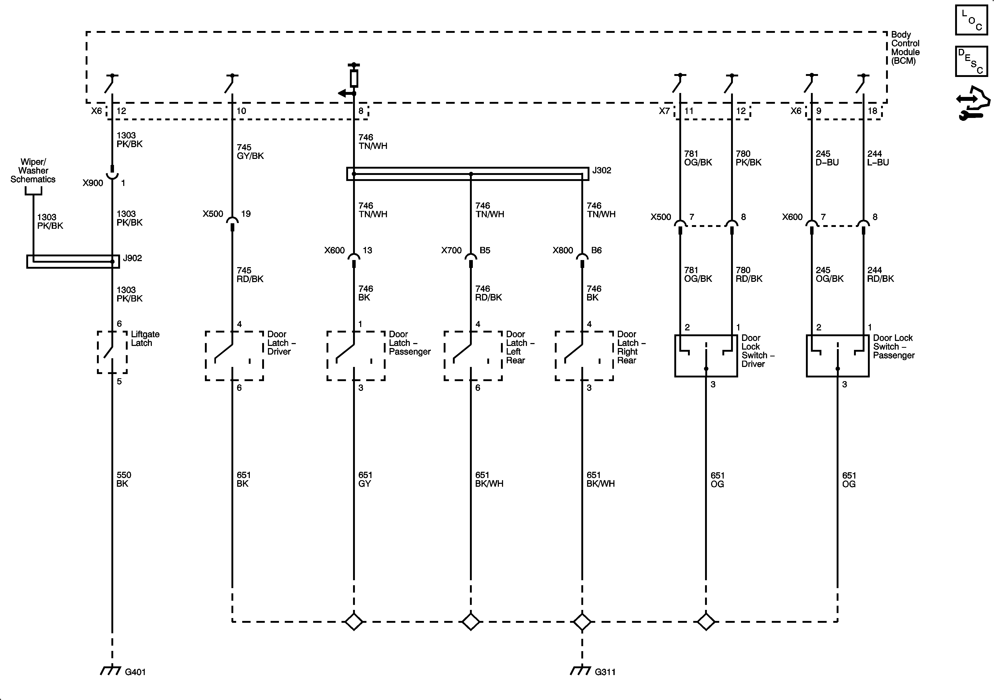
Door Lock Switches and Latches
Figure
2:
Door Lock Switches and Latches
Master Electrical Component List
Power Door Locks Description and Operation
Control Module References
Door Locks