GM Service Manual Online
For 1990-2009 cars only

Object Number: 1764658  Size: MF

Callout

Component Name

Preliminary Procedures

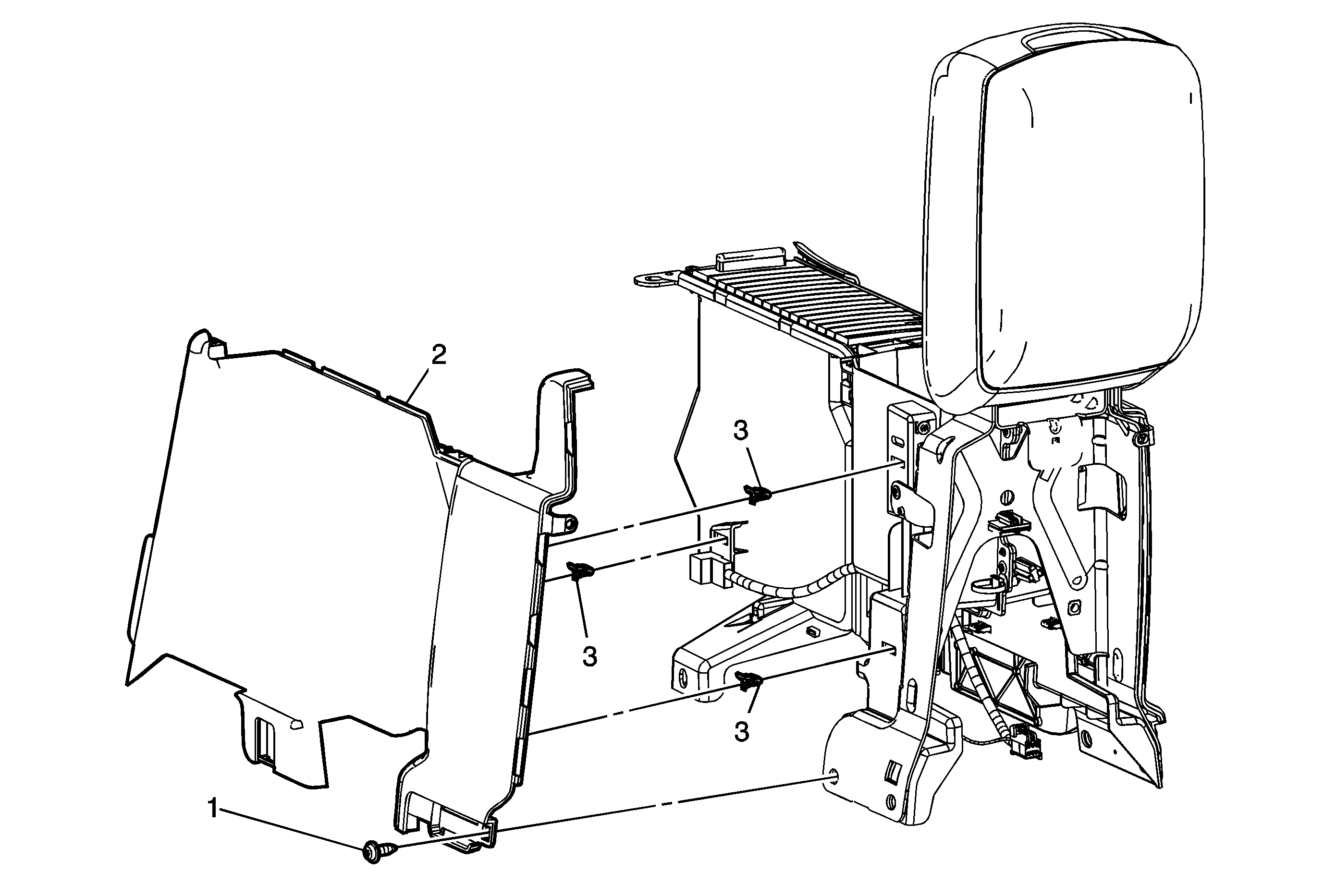
  1. Remove the console. Refer to Console Replacement .
  2. Remove the console upper trim plate. Refer to Front Floor Upper Console Trim Plate Replacement .

1

Console Side Trim Panel Screw (Qty: 1)

Notice: Refer to Fastener Notice in the Preface section.

Tighten
2 N·m (18 lb in)

2

Console Side Trim Panel - Left

3

Retainer Clip (Qty: 3)