GM Service Manual Online
For 1990-2009 cars only
Makes
🢒
Suzuki
🢒
2008
🢒
XL-7 FWD
🢒
Power and Signal Distribution
🢒
Wiring Systems and Power Management
🢒 Power Moding Schematics
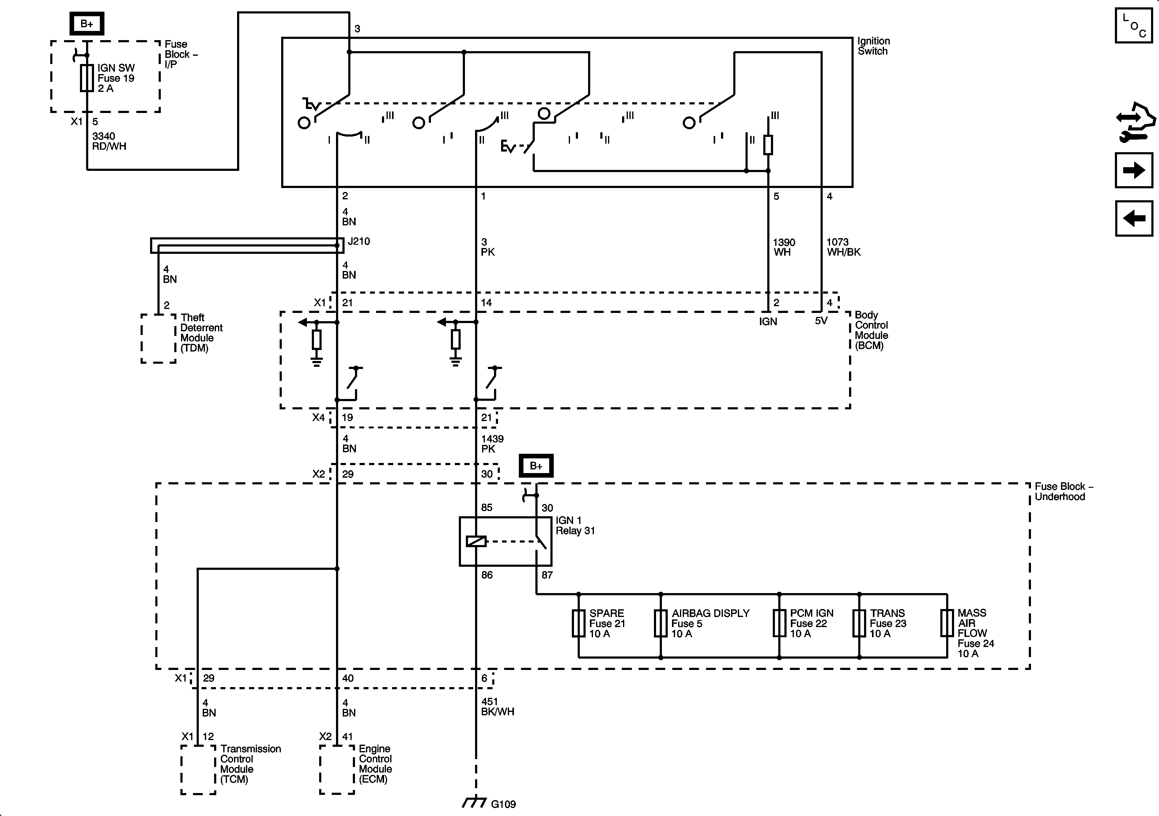
Figure
1:
Ignition Switch and IGN MAIN Relay
Master Electrical Component List
Power Mode Description and Operation
Control Module References
Retained Accessory Power Relay and Serial Data Communication Enable
Figure
2:
Retained Accessory Power Relay and Serial Data Communication Enable
Master Electrical Component List
Power Mode Description and Operation
Control Module References
Ignition Switch and IGN MAIN Relay