GM Service Manual Online
For 1990-2009 cars only
Makes
🢒
Suzuki
🢒
2008
🢒
XL-7 FWD
🢒
Safety and Security
🢒
Supplemental Inflatable Restraints
🢒 SIR Schematics
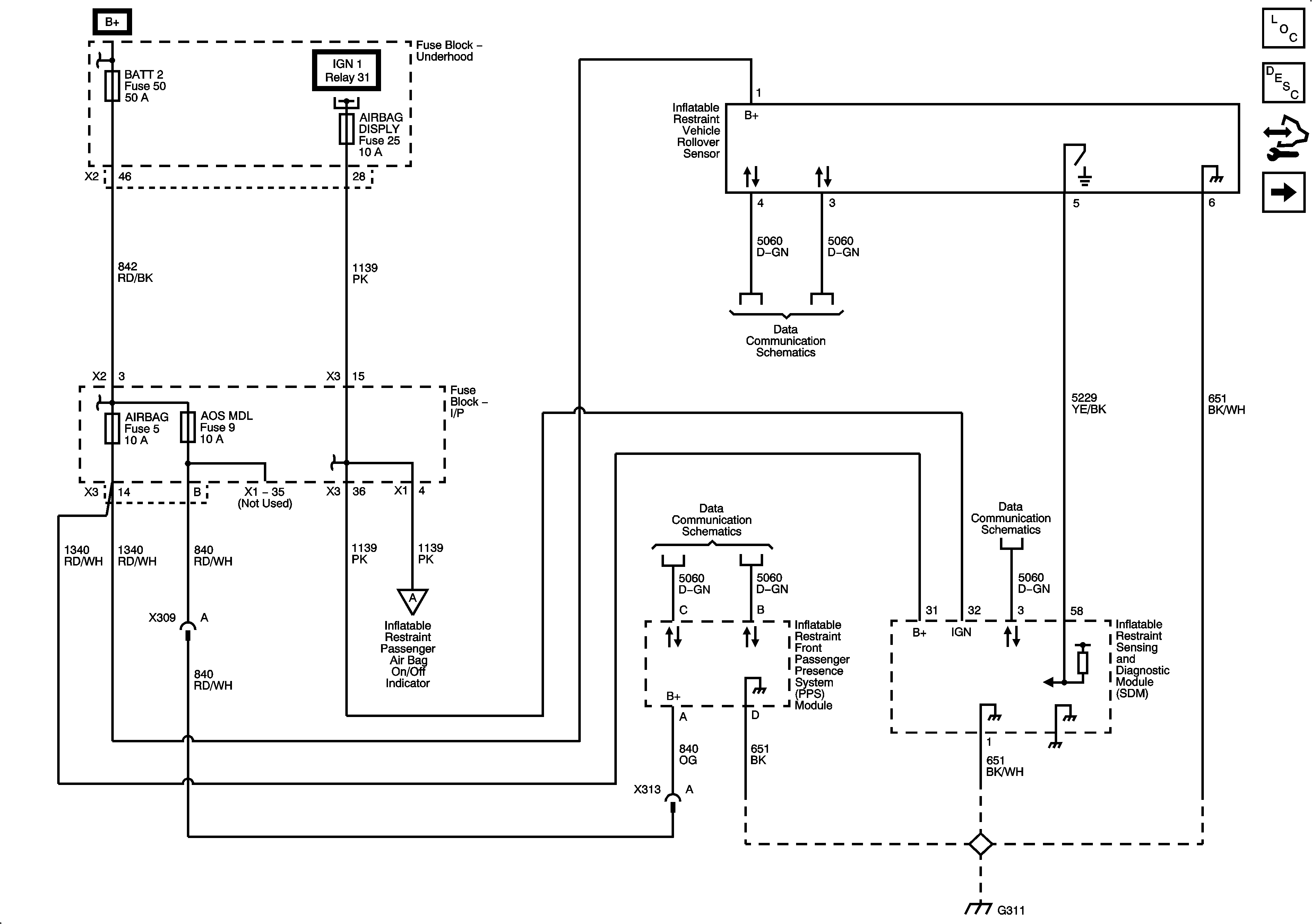
Figure
1:
Power, Ground, Roll Over Sensor, and PPS
Master Electrical Component List
SIR System Description and Operation
Control Module References
Modules and Sensors
Figure
2:
Modules and Sensors
Master Electrical Component List
SIR System Description and Operation
Control Module References
Pretensioners and Front End Sensors
Power, Ground, Rollover Sensor, and PPS Schematics
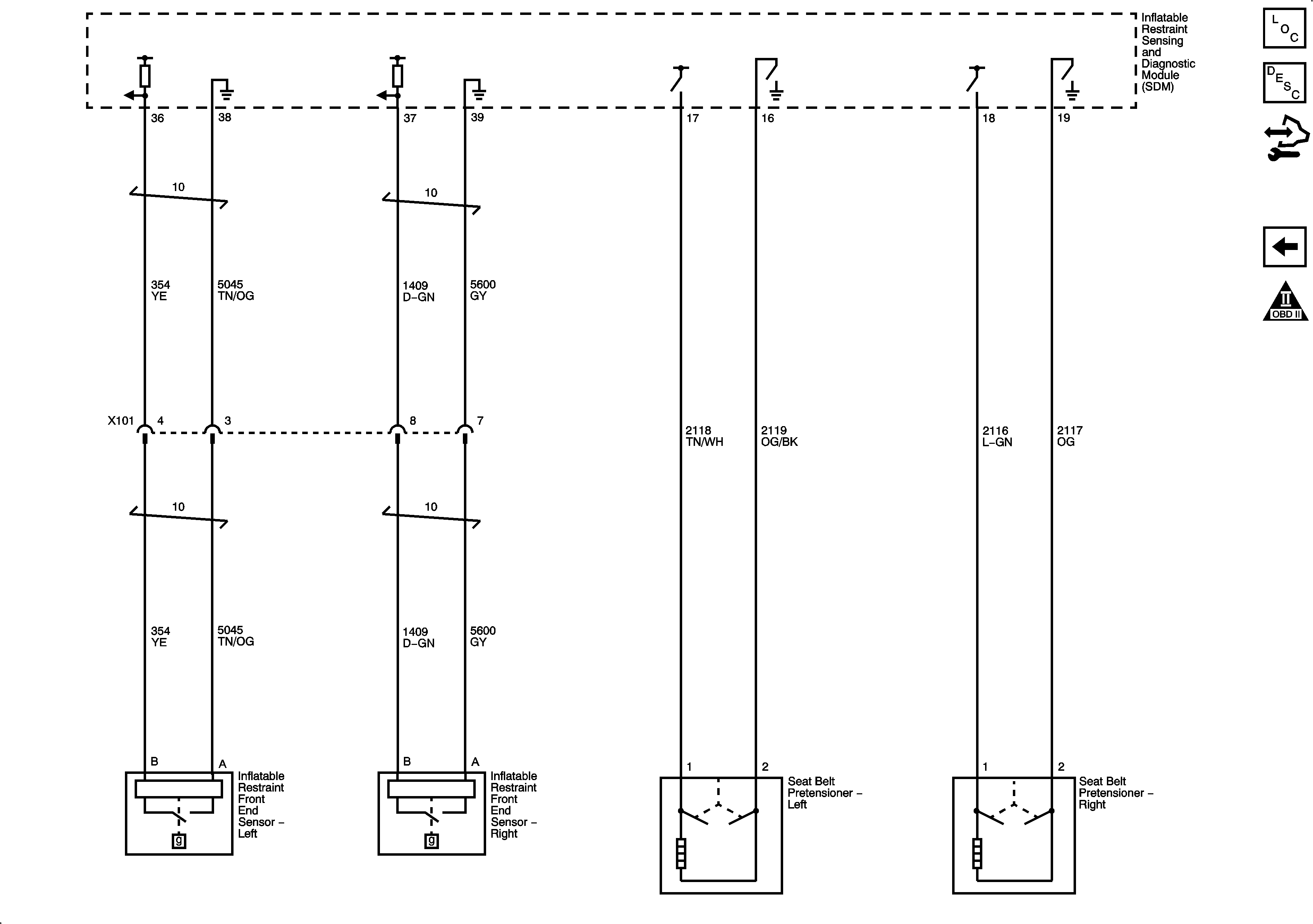
Figure
3:
Pretensioners and Front End Sensors
Master Electrical Component List
SIR System Description and Operation
Control Module References
Modules and Sensors