GM Service Manual Online
For 1990-2009 cars only

Removal Procedure

Caution: Refer to Exhaust Service Caution in the Preface section.

Caution: Refer to Protective Goggles and Glove Caution in the Preface section.


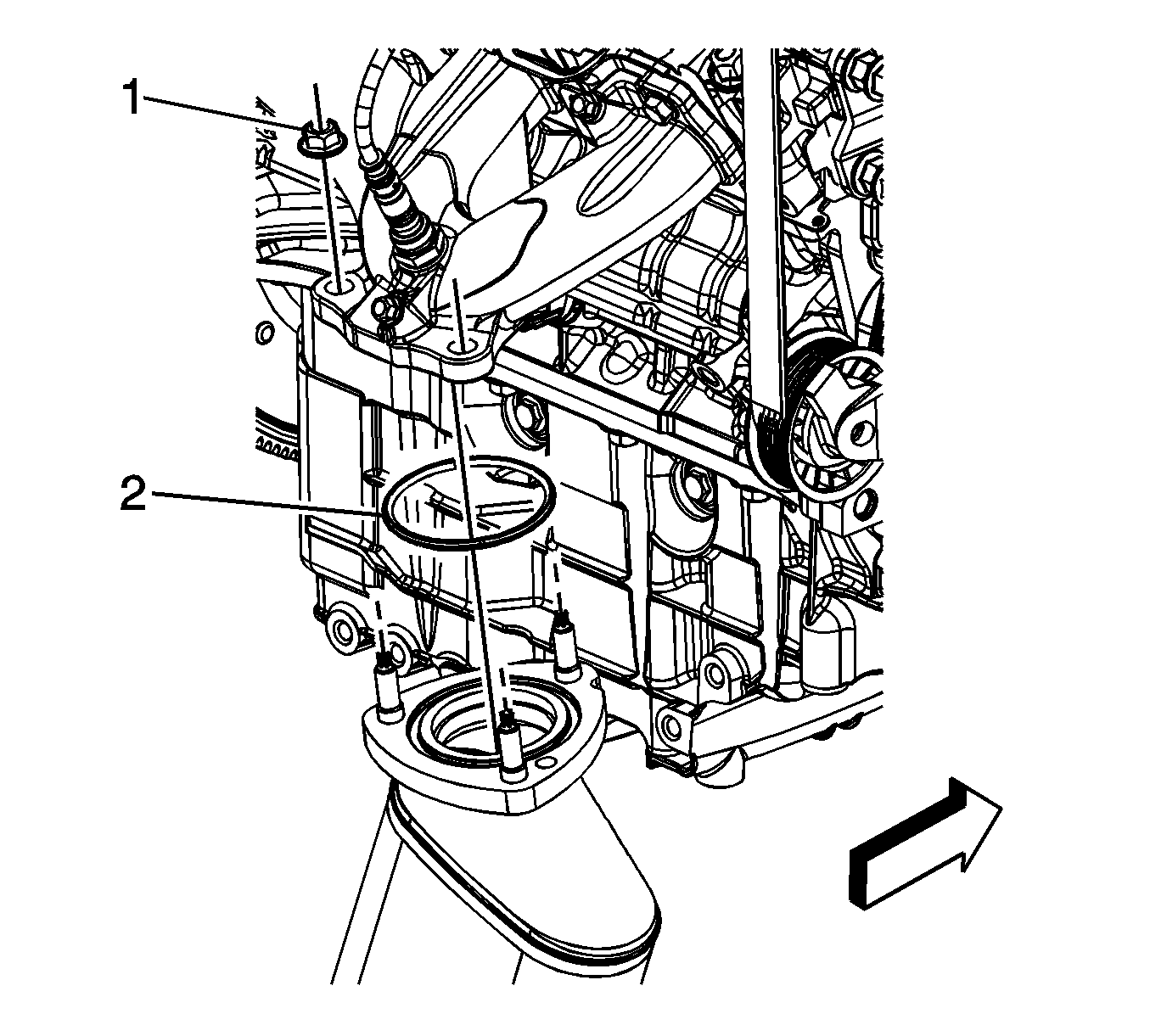
    Object Number: 1836989  Size: SH
  1. Remove the exhaust manifold heat shield. Refer to Exhaust Manifold Heat Shield Replacement - Right Side .
  2. Remove the catalytic converter to exhaust manifold nuts (1).
  3. Raise and support the vehicle. Refer to Lifting and Jacking the Vehicle .

  4. Object Number: 1836219  Size: SH
  5. Disconnect heated oxygen sensor (HO2S) electrical connector (2) from the engine wiring harness electrical connector.

  6. Object Number: 1836990  Size: SH
  7. Remove the right catalytic converter to exhaust flexible pipe nuts.

  8. Object Number: 1837141  Size: SH
  9. Remove the catalytic converter from the vehicle.
  10. Remove and discard the catalytic converter to exhaust manifold gasket (1).
  11. Remove and discard the catalytic converter to exhaust flexible pipe gasket (2).

Installation Procedure


    Object Number: 1837141  Size: SH
  1. Install a NEW catalytic converter to exhaust manifold gasket (1) onto the catalytic converter.
  2. Install the catalytic converter to the vehicle.
  3. Install a NEW catalytic converter to exhaust flexible pipe gasket (2) between the converter and the flexible pipe.
  4. Notice: Refer to Fastener Notice in the Preface section.


    Object Number: 1836990  Size: SH
  5. Install the right catalytic converter to exhaust flexible pipe nuts.
  6. Tighten
    Tighten the nuts to 22 N·m (16 lb ft).


    Object Number: 1836219  Size: SH
  7. Connect the HO2S electrical connector (2) to the engine wiring harness electrical connector.
  8. Lower the vehicle.

  9. Object Number: 1836989  Size: SH
  10. Install the catalytic converter to exhaust manifold nuts (1).
  11. Tighten
    Tighten the nuts to 50 N·m (37 lb ft).

  12. Install the exhaust manifold heat shield. Refer to Exhaust Manifold Heat Shield Replacement - Right Side .