GM Service Manual Online
For 1990-2009 cars only
Makes
🢒
Suzuki
🢒
2009
🢒
XL-7 FWD
🢒
Diagnostic Navigation
🢒
Vehicle Diagnostic Information
🢒 Power Moding Schematics
Figure
1:
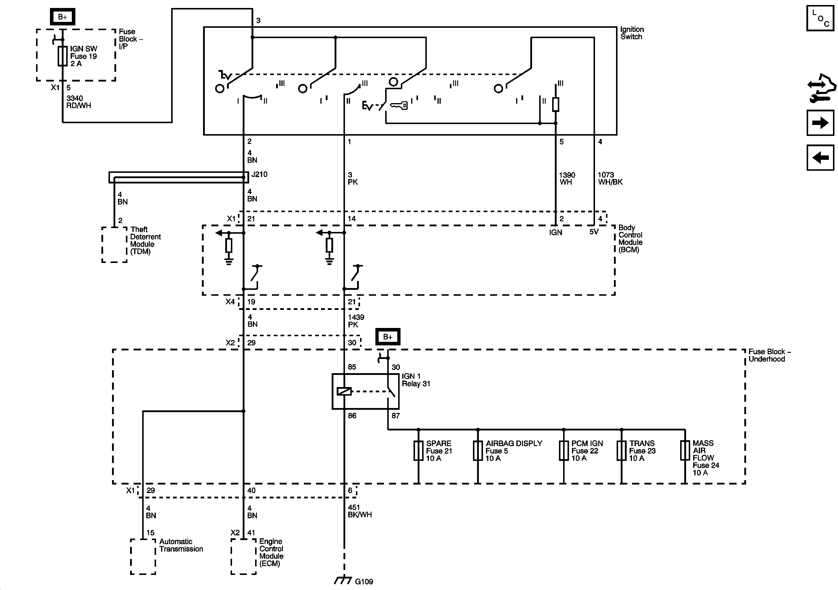
Ignition Switch and IGN MAIN Relay
Master Electrical Component List
Control Module References
Retained Accessory Power Relay and Serial Data Communication Enable
RUN/CRANK BUS - MAF, PCM, IGN, SIR DISPLAY and TRANS Fuses
IGN SWITCH, Fuses and Ignition Switch
G103, G105, G107, G108, and G109
Figure
2:
Retained Accessory Power Relay and Serial Data Communication Enable
Master Electrical Component List
Power Mode Description and Operation
Control Module References
Ignition Switch and IGN MAIN Relay
G203 and G205
BATT MAIN 3, DR/LCK, RRWPR, RSE/KEY CAPTR, and S/ROOF Fuses and POWER WNDW
BATT MAIN 3, DR/LCK, RRWPR, RSE/KEY CAPTR, and S/ROOF Fuses and POWER WNDW
BATT MAIN 3, DR/LCK, RRWPR, RSE/KEY CAPTR, and S/ROOF Fuses and POWER WNDW