GM Service Manual Online
For 1990-2009 cars only
Makes
🢒
Suzuki
🢒
2009
🢒
XL-7 FWD
🢒
Diagnostic Navigation
🢒
Vehicle Diagnostic Information
🢒 Starting and Charging Schematics
Figure
1:
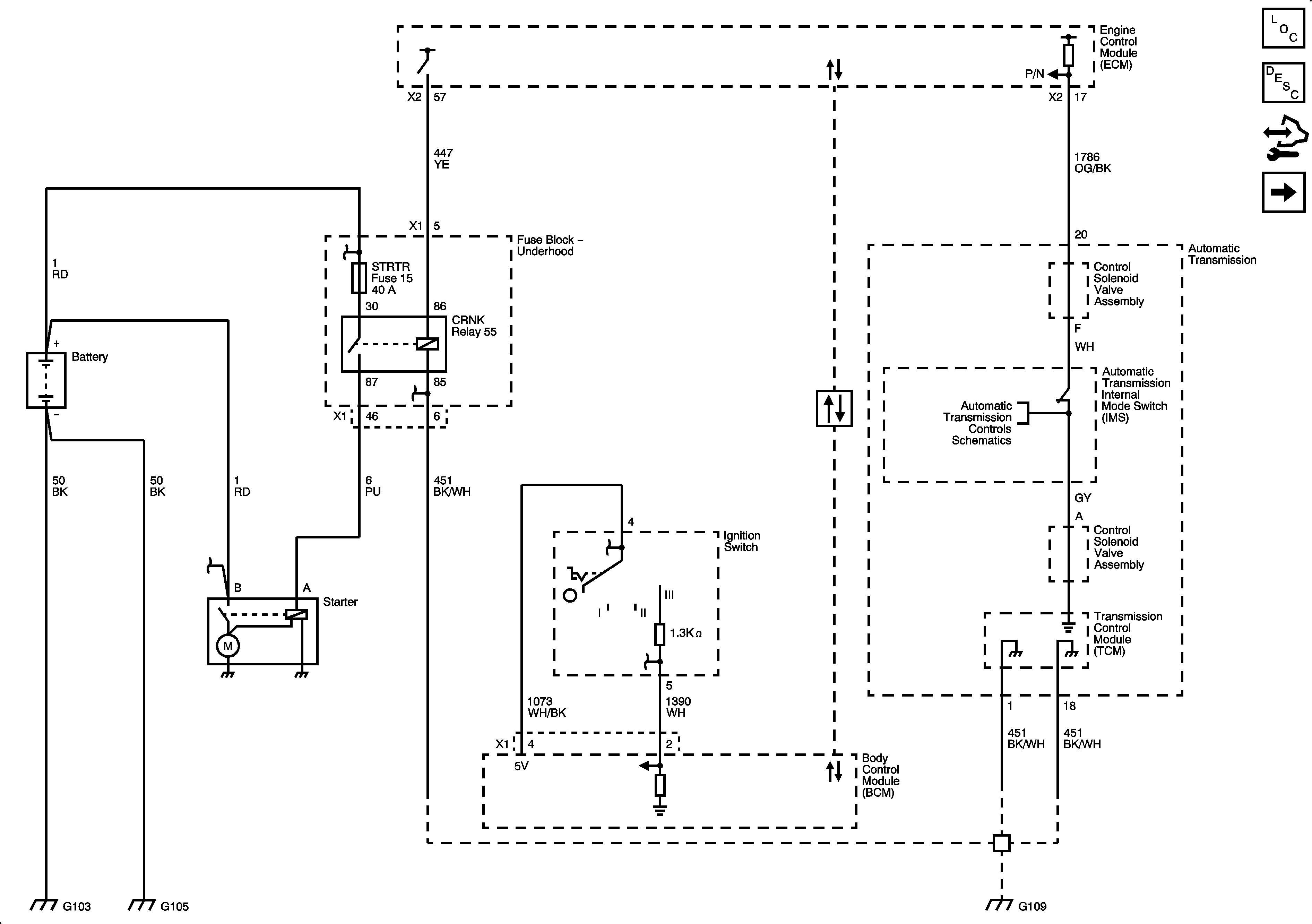
Starting
Master Electrical Component List
Starting System Description and Operation
Control Module References
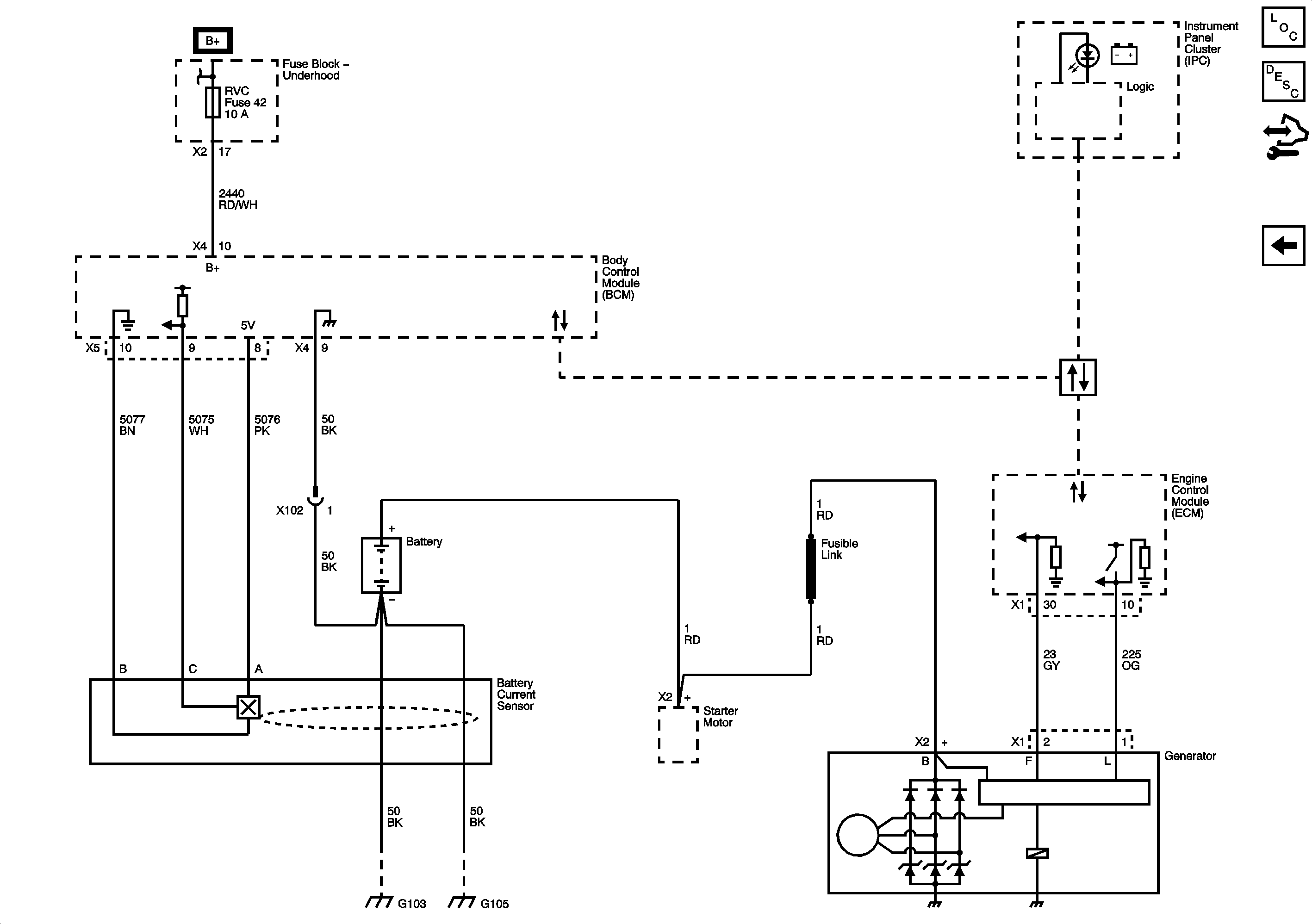
Charging
B+ BUS 1 of 2
IMS and Tap Up/Tap Down
G103, G105, G107, G108, and G109
Figure
2:
Charging
Master Electrical Component List
Charging System Description and Operation
Control Module References
Starting
BATT MAIN 1, CAN VENT, CLSTR, HVAC BLOWER, INFO, INT LTS, ONSTAR, REAR DEFOG, and RVC Fuses
G103, G105, G107, G108, and G109
G103, G105, G107, G108, and G109