GM Service Manual Online
For 1990-2009 cars only
Makes
🢒
Suzuki
🢒
2009
🢒
XL-7 FWD
🢒
Power and Signal Distribution
🢒
Data Communications
🢒 Instrument Cluster Schematics
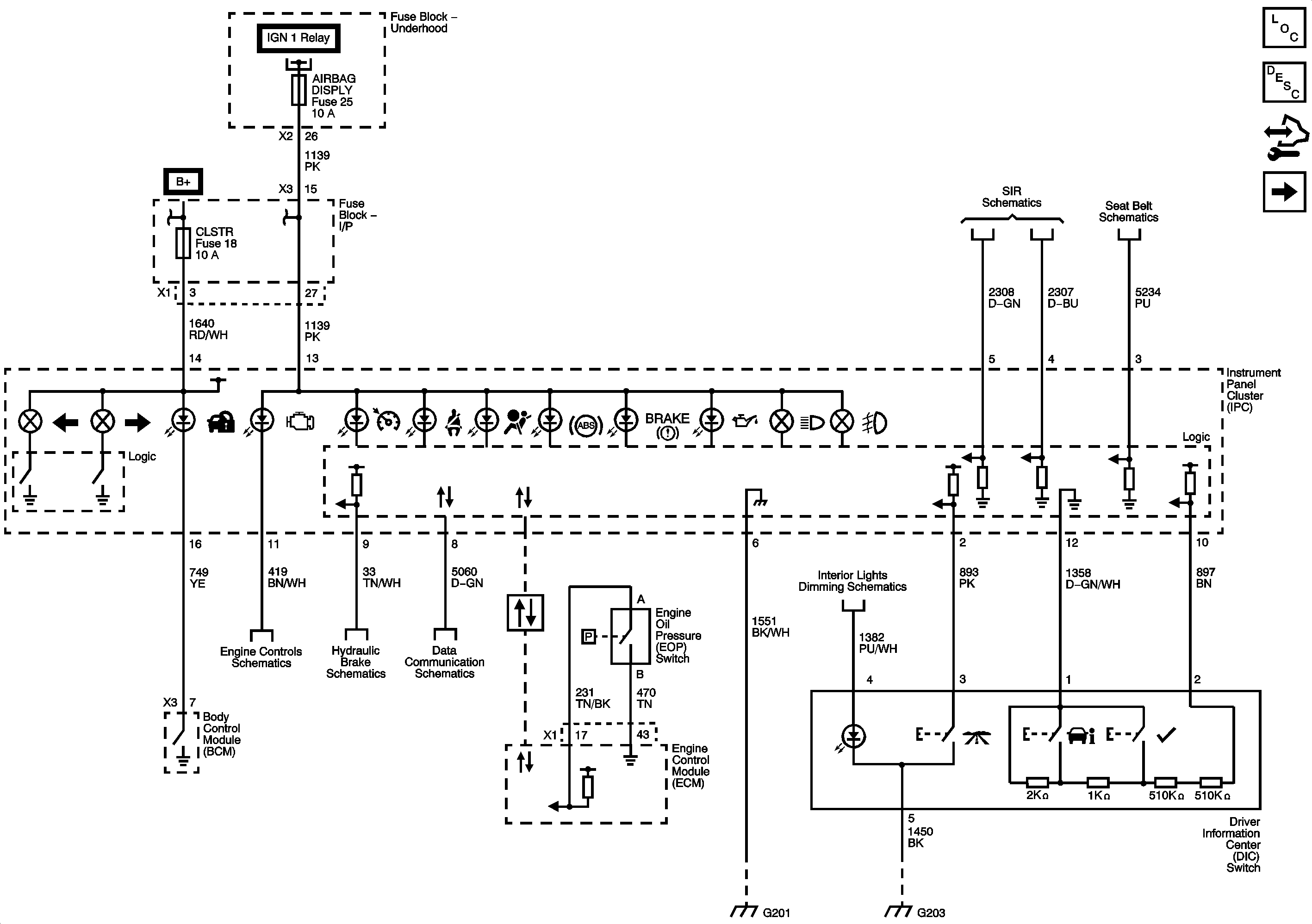
Figure
1:
Indicators
Master Electrical Component List
Instrument Cluster Description and Operation
Control Module References
Gages
RUN/CRANK BUS - MAF, PCM, IGN, SIR DISPLAY and TRANS Fuses
Modules and Sensors
Seat Belts Schematics
Interior Lights Dimming Schematics
G203 and G205
G201
Low Speed GMLAN
Hydraulic Brake Schematics
Power, Ground, Serial Data, and MIL Controls
BATT MAIN 1, CAN VENT, CLSTR, HVAC BLOWER, INFO, INT LTS, ONSTAR, REAR DEFOG, and RVC Fuses
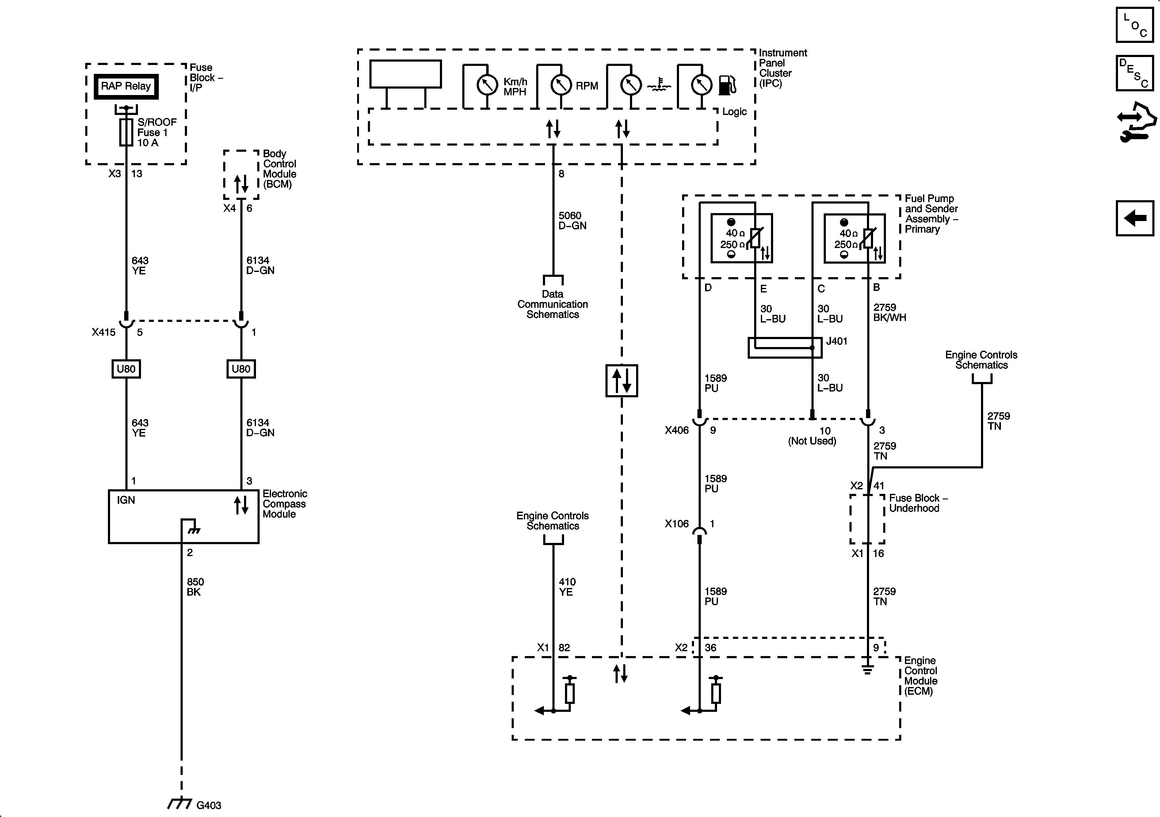
Figure
2:
Gages
Master Electrical Component List
Instrument Cluster Description and Operation
Control Module References
Indicators
Fuel Controls - EVAP
Engine Data Sensors - Pressure and Temperature
Low Speed GMLAN
G403
BATT MAIN 3, DR/LCK, RRWPR, RSE/KEY CAPTR, and S/ROOF Fuses and POWER WNDW