GM Service Manual Online
For 1990-2009 cars only
Figure 1:

Power, Ground, Serial Data, and MIL Controls


Object Number: 2086481  Size: FS
Master Electrical Component List
Engine Control Module Description
Control Module References
Engine Data Sensors - 5-Volt Reference
Ignition Switch and IGN MAIN Relay
ABS, ABS MTR, AUX PWR, AWD, ECMBAT, PWR OUTLET, REAR APO, REAR HVAC, and TCM BAT Fuses
PWR/TRN BUS - ETC/ECM, EVEN COILS/INJ and ODD COILS/INJ Fuses
PWR/TRN BUS - ETC/ECM, EVEN COILS/INJ and ODD COILS/INJ Fuses
PWR/TRN BUS - ETC/ECM, EVEN COILS/INJ and ODD COILS/INJ Fuses
PWR/TRN BUS - EMM DEV 1 and EMM DEV 2
PWR/TRN BUS - EMM DEV 1 and EMM DEV 2
RUN/CRANK BUS - MAF, PCM, IGN, SIR DISPLAY and TRANS Fuses
RUN/CRANK BUS - MAF, PCM, IGN, SIR DISPLAY and TRANS Fuses
G103, G105, G107, G108, and G109
High Speed GMLAN
Figure 2:

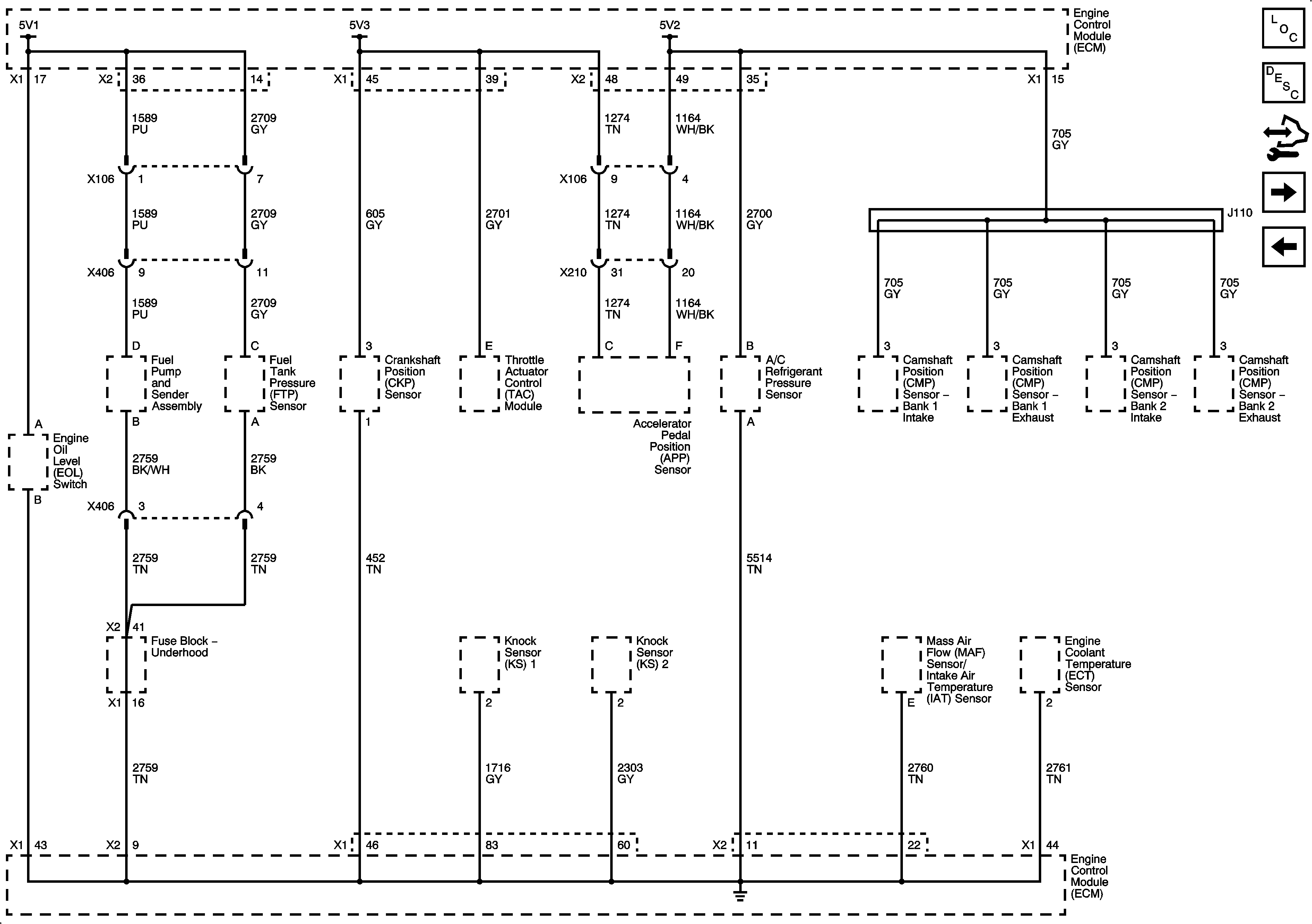
Engine Data Sensors - 5-Volt Reference


Object Number: 2086484  Size: FS
Master Electrical Component List
Engine Control Module Description
Control Module References
Engine Data Sensors - Pressure and Temperature
Power, Ground, Serial Data, and MIL Controls
Figure 3:

Engine Data Sensors - Pressure and Temperature


Object Number: 2086489  Size: FS
Master Electrical Component List
Engine Control Module Description
Control Module References
Engine Data Sensors - Heated Oxygen Sensors
Engine Data Sensors - 5-Volt Reference
RUN/CRANK BUS - MAF, PCM, IGN, SIR DISPLAY and TRANS Fuses
G103, G105, G107, G108, and G109
Figure 4:

Engine Data Sensors - Heated Oxygen Sensors


Object Number: 2086492  Size: FS
Master Electrical Component List
Engine Control Module Description
Control Module References
Engine Data Sensors - Throttle Controls
Engine Data Sensors - Pressure and Temperature
PWR/TRN BUS - EMM DEV 1 and EMM DEV 2
PWR/TRN BUS - EMM DEV 1 and EMM DEV 2
Figure 5:

Engine Data Sensors - Throttle Controls


Object Number: 2086495  Size: FS
Master Electrical Component List
Engine Control Module Description
Control Module References
Ignition Controls - Ignition System Coils 1, 3, and 5
Engine Data Sensors - Heated Oxygen Sensors
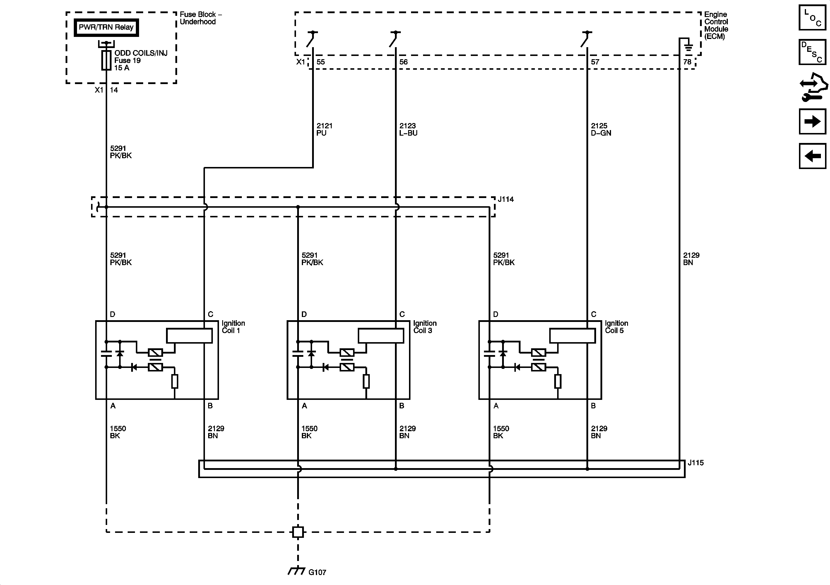
Figure 6:

Ignition Controls - Igntion System Coils 1, 3, and 5


Object Number: 2086498  Size: FS
Master Electrical Component List
Engine Control Module Description
Control Module References
Ignition Controls - Ignition System Coils 2, 4, and 6
Engine Data Sensors - Throttle Controls
PWR/TRN BUS - ETC/ECM, EVEN COILS/INJ and ODD COILS/INJ Fuses
G103, G105, G107, G108, and G109
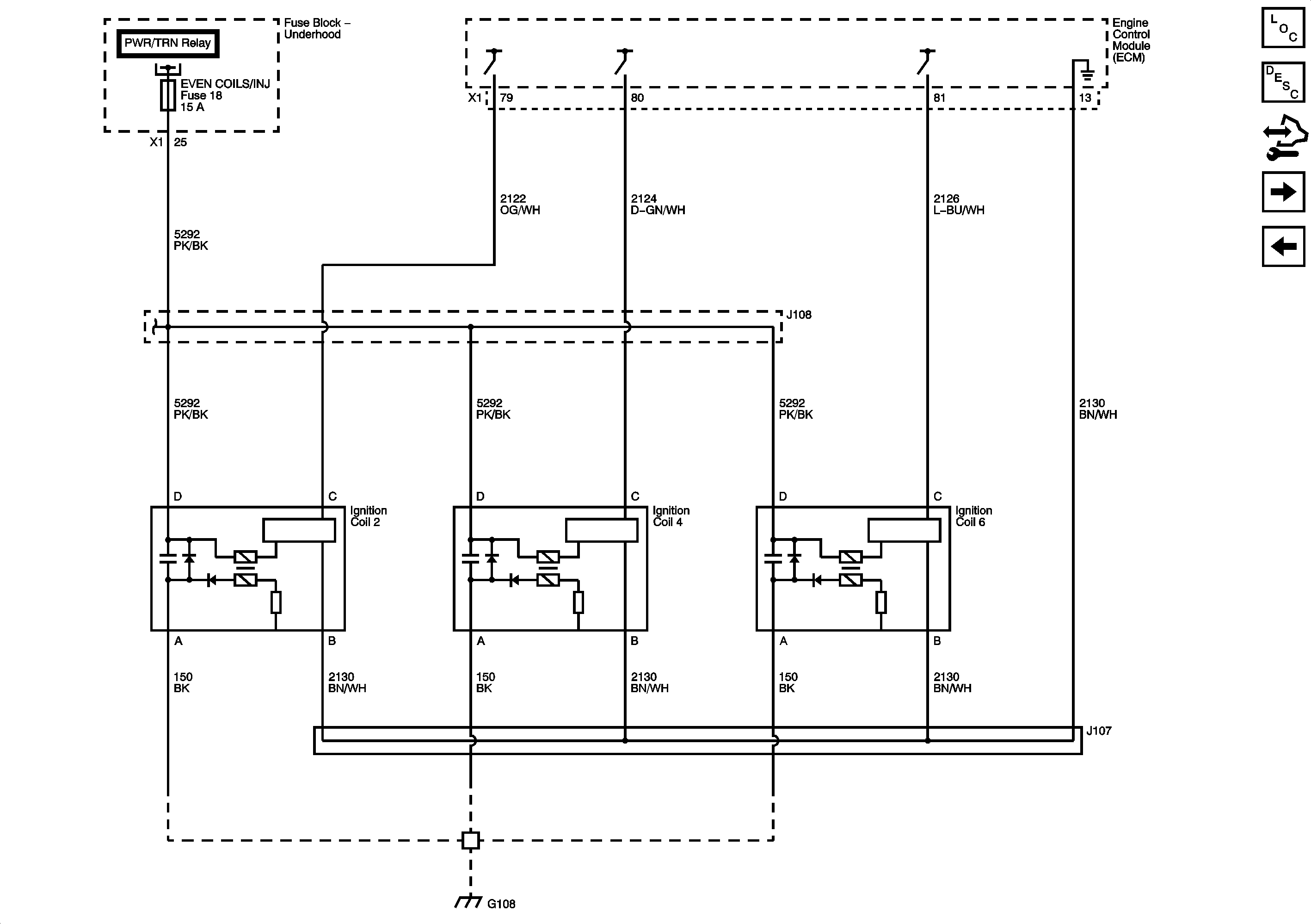
Figure 7:

Ignition Controls - Igntion System Coils 2, 4, and 6


Object Number: 2086502  Size: FS
Master Electrical Component List
Engine Control Module Description
Control Module References
Engine Data Sensors - Camshaft and Knock
Ignition Controls - Ignition System Coils 1, 3, and 5
PWR/TRN BUS - ETC/ECM, EVEN COILS/INJ and ODD COILS/INJ Fuses
G103, G105, G107, G108, and G109
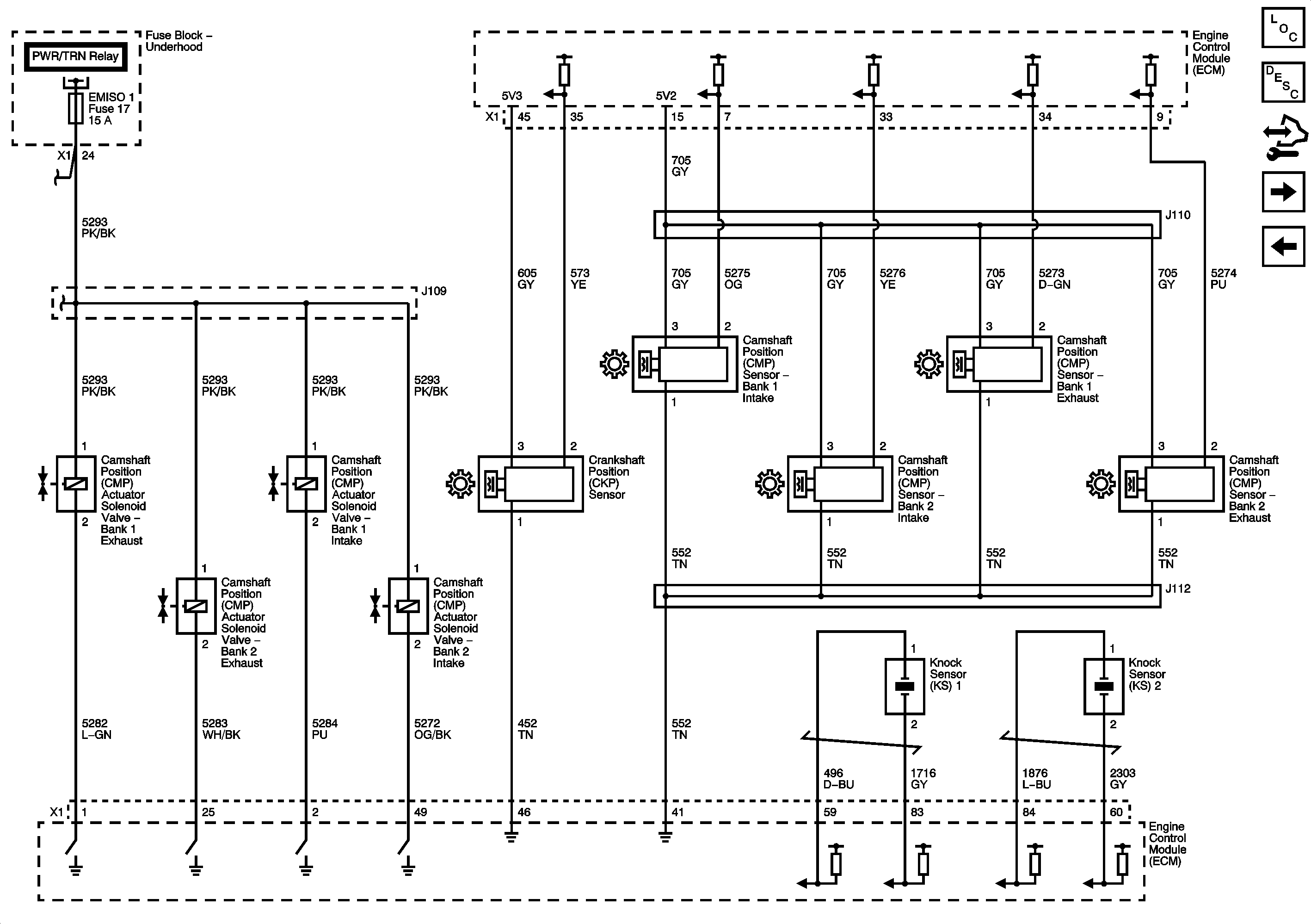
Figure 8:

Engine Data Sensors - Camshaft and Knock


Object Number: 2086511  Size: FS
Master Electrical Component List
Engine Control Module Description
Control Module References
Fuel Controls - Fuel Injectors and Fuel Pump
Ignition Controls - Ignition System Coils 2, 4, and 6
PWR/TRN BUS - EMM DEV 1 and EMM DEV 2
Figure 9:

Fuel Controls - Fuel Injectors and Fuel Pump


Object Number: 2086515  Size: FS
Master Electrical Component List
Engine Control Module Description
Control Module References
Fuel Controls - EVAP
Engine Data Sensors - Camshaft and Knock
PWR/TRN BUS - ETC/ECM, EVEN COILS/INJ and ODD COILS/INJ Fuses
PWR/TRN BUS - ETC/ECM, EVEN COILS/INJ and ODD COILS/INJ Fuses
B+ BUS 1 of 2
G103, G105, G107, G108, and G109
G403
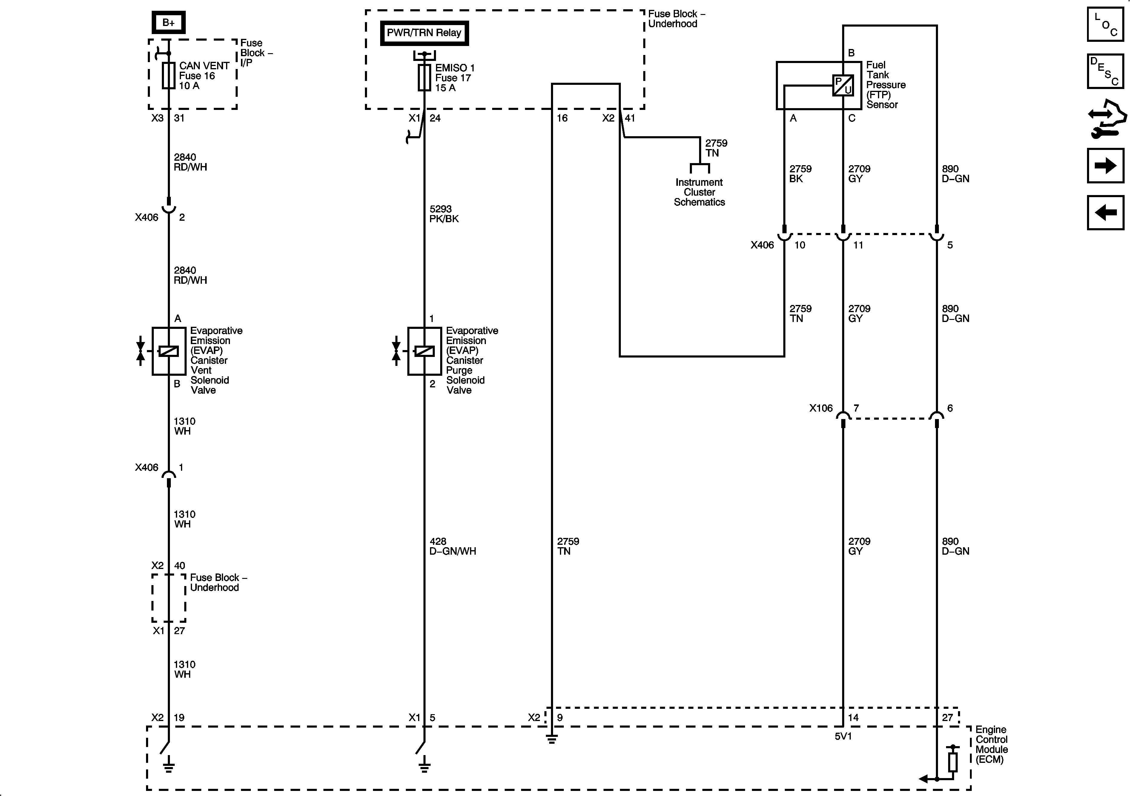
Figure 10:

Fuel Controls - EVAP


Object Number: 2086519  Size: FS
Master Electrical Component List
Engine Control Module Description
Control Module References
Controlled/Monitored System References
Fuel Controls - Fuel Injectors and Fuel Pump
BATT MAIN 1, CAN VENT, CLSTR, HVAC BLOWER, INFO, INT LTS, ONSTAR, REAR DEFOG, and RVC Fuses
PWR/TRN BUS - EMM DEV 1 and EMM DEV 2
Gages
Figure 11:

Controlled/Monitored Susbsystem References


Object Number: 2086524  Size: FS
Master Electrical Component List
Engine Control Module Description
Control Module References
Fuel Controls - EVAP
A/C Compressor Controls
Charging
Cooling Fans
Starting
Cruise Control Schematics
Indicators
Gages